Welcome to Garakuta-En !

[May 20, 2003]

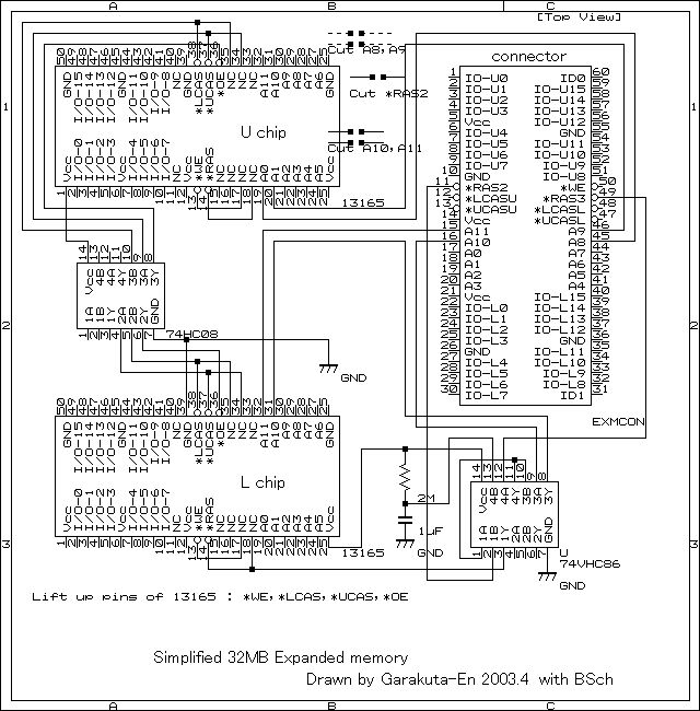
4th : 32MB(EDO type) board.

The 4th article is about the 32MB board. The following example may not be the best in configuration, but is practical. If you want, you can make the 32MB in other styles.

This type had initially same problem as the 2nd article (such as destroying FD), but it have been solved by an additional AND-gate IC. The problem occurs because only *UCAS is supplied to *OE. It could be solved by supplying not only *UCAS but also *LCAS to *OE with a AND-gate.

At first, you have to get a 128MB EDO DRAM module such as 144pins SO DIMM type (mounted 128Mbits chips like 5113165x), which will give you four sets of 32MB, even if you do not need so many 32MB boards.

Locations for cut.
Before mounting 128Mbits chips on the 4MB board, you have to cut the circuit pattern of 4 address lines (A0, A1, A10, A11) and 1 selecting line(*RAS2) at suitable locations. The left picture shows such locations with red circles.

The reason *RAS2 line has be be cut is that the line should be passed once through a gate accompanied with the *RAS3.

No pin for *RAS3.
The connector for the expanded memory gives two bank selectors as *RAS2 (pin #11) and *RAS3 (pin #49). Each will be able to access to 16MB area respectively. However, *RAS3 may not connect to the chips directly (because the chip has not distinctive pin for additional select signal), so the half area of 32MB will not be able to access.

Generate column A10 signal.
If the column A10 signal will become high when *RAS3 is active, the residual half of 32MB may be able to access.
Originally, however, the *RAS3 does not affect to A10 signal while *RAS3 not be active.
The left picture shows timing diagrams.
I think using an XOR-gate is a good answer. After that, I used one XOR-gate for generating additional column A10 signal.
The right picture shows a example of such circuit.

Timer circuit.
In the PC110, excess memory area of over 20MB will not be recognized normally by the BIOS, and the recognition of such area will be harmful on proceeding the booting process.
So, *RAS3 which will generate the memory area of over 20MB should be blinded with a timer circuit (for 1sec or so).
Good way to build such timer circuit is to use an OR-gata, a capacitor (about 1uF(micro-Farad)) and a resistor of 1megaohm. In this case, however, I used one of four XOR-gates which had been packaged in SOP (Small Outline Package).
This method diminishes of additional parts, because other XOR-gates are available to perform each role respectively.

Connections and wiring.
The *RAS input of 128Mbits chips should be a combined signal with *RAS2 and *RAS3. The standard way to get such combined signal is to use an AND-gate.
In this case, however, I used also another one of four XOR-gates in the SOP. See the upper right picture.

The pins of *WE, *RAS, *OE, *UCAS and *LCAS should be lifted off from the base, and be tied to each suitable land. The right picture shows the wiring diagram.

Setting to memory registers.
The above additional circuit will act as a killer of expanded memory at initial boot time. So, you have to stop the sequence rewrite the contents of the registers the suitable value before booting up OS.

The program over16s.com in your autoexec.bat will rewrite registers and restart PC110 automatically. It can be also worked by manual command. (This program can be used as a free software, as long as it is be used neither commercially nor militarily.)

The usage is as follows.
over16s [ //d[/c]]
over16s with no argument shows the contents of memory registers like B/0/0/0.
(which means that the 1st bank is 4MB and the other three banks are 0MB.) over16s //d will set the value of 3rd bank to 16MB.
over16s //d/c will set the value of 3rd bank to 16MB, and 4th bank to 8MB.
Here, d means 16MB, c means 8MB, and b means 4MB.
You may use the group of 5, 4 and 3 instead of the group of d, c and b.

Examples and memory size.
The left pictures show three examples of 32MB board and the right shows the system properties of the Win95.
Those examples indicate that realization of the board was not a fluke.

You can see the enlarged picture of an example in the PC110 Paradise of the Palmtop Paradise (Korean site).

Two additional ICs each of which contains four gates are used. They are 74VHC08 and 74VHC86(the Very High speed CMOS type) except the right one (which has different configuration).
Instead of 74VHC86 you cannot use 74HC86 because it's too slow, while you can use 74HC08 instead of 74VHC08.

In the PC110, the Win95 will not work with 32MB in 256 colors mode. You have to use it with at most 28MB.
In 16 colors mode, you can use it with 32MB.

A small (but mindful ?) problem.
This memory will be recognized as size zero during initial sequence. After rewriting the memory registers with the special program (such as the over16s) followed by software (hot) reset, it is finally available.
So, you need to prepare such special program before turning off your PC110 to set this 32MB memory board.

It's possible to design 32MB board which will act as 16MB board when there will not be any special program. You can see it in next article.

Go to each articles.
Preface Page, 1st:8MB(FP), 2nd:16MB(EDO), 3rd:16MB(FP) , 5th:another 32MB(EDO),
6th:improved 16MB(EDO)


Top