WESTERN DIGITAL CORPORATION
BASIC EGA
|
Category |
Video |
|
Video Types Supported |
EGA/Monochrome |
|
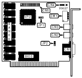
Video Processor |
WD PEGA1A |
|
Highest Resolution Supported |
800 x 600 |
|
Data Bus Type |
8-bit ISA |
|
Memory Type |
DRAM |
|
Maximum Onboard Memory |
256KB |
|
CONNECTIONS | |||
|
Purpose |
Location |
Purpose |
Location |
|
15-pin analog video port |
CN1 |
Light pen connector |
CN4 |
|
Composite video connectors |
CN2 & CN3 |
VGA feature connector |
CN5 |
|
MONITOR STARTUP CONFIGURATION | |
|
Power Up Default |
SW1/5 |
|
EGA operation |
Off |
|
Compatible operation |
On |
|
Note: Compatible operation further defaults to CGA/Plantronics operation if standard or enhanced RGB monitor is connected, or MDA/Hercules operation if monochrome monitor is connected. | |
|
MONITOR TYPE SELECTION | |||||
|
Type |
JP2 |
SW1/1 |
SW1/2 |
SW1/3 |
SW1/4 |
|
Monochrome |
Pins 1 & 2 closed |
Off |
Off |
On |
Off |
|
Standard RGB |
Pins 1 & 2 closed |
Off |
Off |
Off |
On |
|
Enhanced RGB |
Pins 2 & 3 closed |
Off |
On |
On |
Off |
|
TWO MONITOR CONFIGURATION (BASIC EGA PRIMARY, IBM MONOCHROME SECONDARY) | ||||
|
Primary Mode |
SW1/1 |
SW1/2 |
SW1/3 |
SW1/4 |
|
40 column on standard RGB |
On |
Off |
Off |
On |
|
80 column on standard RGB |
Off |
Off |
Off |
On |
|
200 lines on enhanced RGB |
On |
On |
On |
Off |
|
350 lines on enhanced RGB |
Off |
On |
On |
Off |
|
TWO MONITOR CONFIGURATION (IBM MONOCHROME PRIMARY, BASIC EGA SECONDARY) | ||||
|
Primary Mode |
SW1/1 |
SW1/2 |
SW1/3 |
SW1/4 |
|
40 column on standard RGB |
On |
On |
On |
On |
|
80 column on standard RGB |
Off |
On |
On |
On |
|
200 lines on enhanced RGB |
On |
Off |
On |
On |
|
350 lines on enhanced RGB |
Off |
Off |
On |
On |
|
TWO MONITOR CONFIGURATION (BASIC EGA PRIMARY, IBM COLOR/GRAPHICS SECONDARY) | ||||
|
Primary Mode |
SW1/1 |
SW1/2 |
SW1/3 |
SW1/4 |
|
40 column on RGB/composite |
On |
Off |
On |
Off |
|
80 column on RGB/composite |
Off |
Off |
On |
Off |
|
TWO MONITOR CONFIGURATION (IBM COLOR/GRAPHICS PRIMARY, BASIC EGA SECONDARY) | ||||
|
Primary Mode |
SW1/1 |
SW1/2 |
SW1/3 |
SW1/4 |
|
40 column on RGB/composite |
On |
On |
Off |
On |
|
80 column on RGB/composite |
Off |
On |
Off |
On |
|
FACTORY CONFIGURED - DO NOT ALTER | |
|
Jumper |
Position |
|
JP1 |
Pins 1 & 2 closed |