ACER, INC.

ENHANCED GRAPHICS CARD (P/N 49.05211.003)

Card Type

Video card

Video Chip Set

Unidentified

Highest Resolution Supported

640 x 200

Maximum Video Memory

256KB DRAM (location unidentified)

Data Bus

8-bit ISA

Video Types Supported

EGA

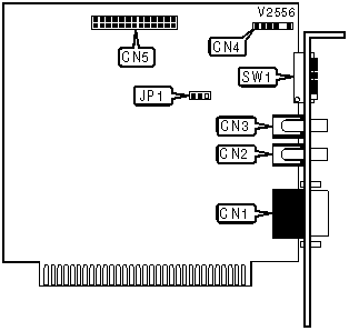
CONNECTIONS

Function

Label

Function

Label

9-pin analog video port

CN1

Light Pen connector

CN4

RCA connector

CN2

Feature connector

CN5

RCA connector

CN3

   

USER CONFIGURABLE SETTINGS

Function

Label

Position

»

Factory configured - do not alter

JP1

pins 1&2 closed

 

Intelligent mode selection enabled

SW1/5

On

 

Intelligent mode selection disabled

SW1/5

Off

»

Factory configured - do not alter

SW1/6

N/A

MONITOR SELECTION

Type

SW1/1

SW1/2

SW1/3

SW1/4

Monochrome

Off

Off

On

Off

Standard RGB

Off

Off

Off

On

Enhanced RGB

Off

On

On

Off