PARADYNE CORPORATION

COMSPHERE 3810

Modem Type

Data (synchronous/asynchronous)/Fax

Maximum Data Rate

19.2Kbps

Maximum Fax Rate

14.4Kbps

Data Bus

External

Fax Class

Class I & II

Data Modulation Protocol

AT&T V.32terbo

Bell 103A/212A

ITU-T V.21, V.22, V.22bis, V.32, V.32bis

Fax Modulation Protocol

ITU-T V.17, V.21CH2

Error Correction/Compression

MNP5, V.42, V.42bis

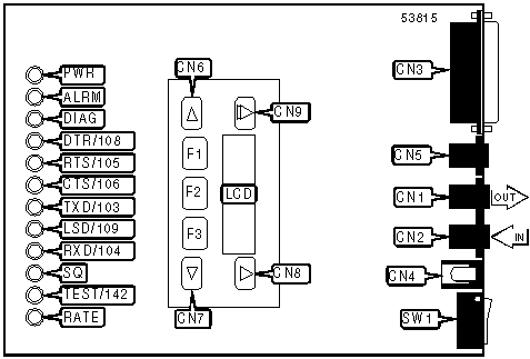
CONNECTIONS

Purpose

Location

Purpose

Location

Line out

CN1

Scroll left on LCD

CN6

Line in

CN2

Scroll right on LCD

CN7

RS-232/422

CN3

Up one level on LCD

CN8

DC power

CN4

Go to top level on LCD

CN9

Network Management System

CN5

Power switch

SW1

DIAGNOSTIC LED(S)

LED

Color

Status

Condition

PWR

Green

On

Power is on

PWR

Green

Off

Power is off

ALRM

Red

Blinking

Internal malfunction detected

ALRM

Red

Off

Normal operation

DIAG

Green

On

Response made to network management diagnostic

DIAG

Green

Off

No Response made to network management diagnostic

DTR/108

Green

On

DTR signal is high

DTR/108

Green

Off

DTR signal is low

RTS/105

Green

On

RTS signal is high

RTS/105

Green

Off

RTS signal is low

CTS/106

Green

On

CTS signal is high

CTS/106

Green

Off

CTS signal is low

TXD/103

Green

On

Modem is transmitting data

TXD/103

Green

Off

Modem is not transmitting data

LSD/109

Green

On

Carrier signal detected

LSD/109

Green

Off

Carrier signal not detected

RXD/104

Green

On

Modem is receiving data

RXD/104

Green

Off

Modem is not receiving data

SQ

Yellow

On

Incoming signal is degraded

SQ

Yellow

Off

Normal operation

TEST/142

Yellow

On

Test in progress. Halt operation.

TEST/142

Yellow

Off

Normal operation

RATE

Yellow

On

Modem connected at less than configured speed

RATE

Yellow

Off

Modem connected at configured speed

Proprietary AT Command Set

AT COMMAND RESPONSE

Type:

Register

Format:

AT [cmds] S84=n [cmds]

Example:

AT S84=0 &W<CR>

Description:

Sets the response to AT commands.

Command

Function

í S84=0

Normal operation

S84=1

Execute valid commands, suppress error codes.

S84=2

Ignore configuration commands, always return OK error code.

AUTODIAL STANDBY

Type:

Register

Format:

AT [cmds] S47=n [cmds]

Example:

AT S47=0 &W<CR>

Description:

Selects length of wait before modem autodials in dial backup mode.

Command

Function

í S47=0

Disabled

S47=1

15 minutes

S47=2

1 hour

S47=3

4 hours

S47=255

Test 2 minutes

AUTO REDIAL

Type:

Register

Format:

AT [cmds] S37=n [cmds]

Example:

ATS37=6<CR>

Default:

Unidentified.

Unit:

1 stored number.

Description:

Redial from a list of stored numbers

Command

Function

S36=0

Dial stored number 1

S36=1

Dial stored numbers 1-2.

S36=2

Dial stored numbers 1-3.

S36=3

Dial stored numbers 1-4.

S36=4

Dial stored numbers 1-5.

S36=5

Dial stored numbers 1-6

S36=6

Dial stored numbers 1-7.

S36=7

Dial stored numbers 1-8.

S36=8

Dial stored numbers 1-9.

S36=9

Dial stored numbers 1-10.

AUTO-RELIABLE FALLBACK CHARACTER

Type:

Configuration

Format:

AT [cmds] %An [cmds]

Example:

AT%A20<CR>

Default:

19

Range:

0-127

Unit:

ASCII

Description:

Sets the character used as the auto-reliable fallback character. %A0 will disable this function.

AUTO-RELIABLE TIME BUFFER CONFIGURATION

Type:

Configuration

Format:

AT [cmds] \Cn [cmds]

Example:

AT \C1 &W<CR>

Description:

Controls the handling of incoming data during auto-reliable time period.

Command

Function

\CO

Data is discarded.

\C1

Data is buffered.

\C2

Data is discarded, resets to \C1 on receipt of autoreliable fallback character.

BREAK TYPE

Type:

Configuration

Format:

AT [cmds] \Kn [cmds]

Example:

AT \K5 &W<CR>

Description:

Selects response to DTE break command.

Command

Function

\K0

Send break, clear buffer, enter command mode.

\K1

Send break, clear buffer

\K2

Send break, send data, enter command mode.

\K3

Send break. send data,

\K4

Send data, send break, enter command mode.

\K5

Send data, send break.

\K6

Disabled.

BUSY OUT ON LOW DTR

Type:

Register

Format:

AT [cmds] S69=n [cmds]

Example:

AT S69=0 &W<CR>

Description:

Modem goes off hook on low DTR.

Command

Function

í S69=0

Busy out disabled.

S699=1

Busy out enabled.

CALLBACK STORED NUMBER

Type:

Register

Format:

AT [cmds] S67=n [cmds]

Example:

AT S67=0<CR>

Description:

Callback function will dial the number stored in memory location 1.

Command

Function

í S67=0

Disabled.

S67=1

Enabled.

CELLULAR ENHANCEMENT

Type:

Register

Format:

AT [cmds] S91=n [cmds]

Example:

AT S91=0 &W<CR>

Description:

Adjusts profile to improve cellular performance

Command

Function

í S91=0

Disabled.

S91=1

Enabled.

CD SIGNAL

Type:

Configuration

Format:

AT [cmds] &Cn [cmds]

Example:

AT &C3 *RS1 *SR1<CR>

Description:

Configures the behavior of the carrier detect signal.

Command

Function

&C0

CD forced high.

í &C1

CD normal.

&C2

CD forced high except during handshaking and disconnecting.

&C3

CD momentary interrupt on disconect.

&C4

CD follows remote RTS signal.

&C5

CD Follows DTR signal. Forced low on disconnect.

&C6

CD forced low on retrain of over 10 sec. Forced high after no retrain for over 10 sec.

COMPRESSION

Type:

Configuration

Format:

AT %Cn

Example:

AT *EC0 %C1 *AP0<CR>

Description:

Selects data compression.

Command

Function

%C0

Data compression disabled.

í %C1

Data compression enabled.

CONNECT MODE

Type:

Configuration

Format:

AT [cmds] \Nn [cmds]

Example:

AT \N1 DT555-1212<CR>

Description:

Sets connect mode.

Command

Function

\N0

Normal mode enabled.

\N1

Direct mode enabled.

\N2

MNP mode only enabled.

\N3

MNP mode with fallback to normal mode enabled.

\N4

V.42/MNP only enabled.

\N5

V.42/MNP with fallback to normal mode enabled.

\N6

LAP-M mode only enabled.

\N7

LAP-M mode with fallback to normal mode enabled.

CTS SIGNAL

Type:

Configuration

Format:

AT [cmds] \Dn [cmds]

Example:

AT \D0<CR>

Description:

Selects the function of the CTS signal.

Command

Function

í \D0

CTS forced high.

\D1

CTS normal.

\D2

CTS interrupted for 2 seconds on disconnect.

\D3

CTS follows DTR.

DIAL BACKUP REPEAT

Type:

Register

Format:

AT [cmds] S38=n [cmds]

Example:

AT S38=0 &W<CR>

Description:

Controls redial for dial backup

Command

Function

í S38=0

Redial stored dial backup numbers once.

S38=1

Redial stored dial backup numbers continuously.

DIAL TYPE SELECTION

Type:

Configuration

Format:

AT [cmds] &Jn [cmds]

Example:

AT &J0 D555-1212<CR>

Description:

Selects which type of dialing will be used as default.

Command

Function

í &J0

Permissive (-9dBm)

&J1

Programmable

DISCONNECT BUFFER DELAY

Type:

Register

Format:

AT [cmds] S39=n [cmds]

Example:

AT S39=0<CR>

Default:

0

Range:

0-255

Unit:

1 second

Description:

Configures how long the modem will wait to disconnect if there is data in the transmit or receive buffers.

DISCONNECT IMMEDIATELY

Type:

Register

Format:

AT [cmds] S85=n [cmds]

Example:

AT S85=0 &W<CR>

Description:

Disconnect immediately on receipt of disconnect signal from DTE or diagnostic control panel.

Command

Function

í S85=0

Disabled.

S85=1

Enabled.

DISCONNECT INACTIVITY

Type:

Register

Format:

AT [cmds] S80=n [cmds]

Example:

AT S80=3 &W<CR>

Description:

Sets the signal monitored by the inactivity timer (\T).

Command

Function

S80=0

Transmit or receive.

S80=1

Transmit only.

S80=2

Receive only.

í S80=3

Transmit and receive.

DISCONNECT ON LOSS OF CURRENT

Type:

Register

Format:

AT [cmds] S65=n [cmds]

Example:

AT S65=0<CR>

Description:

Causes the modem to disconnect if the telephone line’s current drops.

Command

Function

í S65=0

Disconnect after 8ms if current is lost.

S65=1

Disconnect after 90ms if current is lost.

S65=2

Disabled

DTE RATE CONTROL

Type:

Register

Format:

AT [cmds] S61=n [cmds]

Example:

AT S61= &W<CR>

Description:

Sets result of DTE CT111 rate control signal.

Command

Function

í S61=0

Disabled.

S61=-1

Fallback 1.

S61=2

Fallback 2.

DTR ALARM

Type:

Register

Format:

AT [cmds] S77=n [cmds]

Example:

AT S77=0 &W<CR>

Description:

Sends alarm to proprietary Series Management Controller if DTR low for 10 seconds.

Command

Function

í S77=0

Alarm disabled.

S77=1

Alarm enabled.

FACTORY DEFAULTS

Type:

Immediate/Configuration

Format:

AT &F[n]

Example:

AT &F0<CR>

Description:

Loads factory defaults to NVRAM.

Command

Function

&F0

Asynchronous dial.

&F1

Synchronous switched line

&F2

Synchronous leased line answer mode

&F3

UNIX dial.

&F4

Synchronous leased line originate mode

&F5

Cellular (Mobile). Load \A4, \N4, S0=3, S7=120, S10=100, S43=1, S76=3, S89=9, S91=1.

&F6

Cellular (PSTN). Load &I100, \N4, S7=120, S10=100, S43=1, S89=9, S91=1

FLOW CONTROL

Type:

Configuration

Format:

AT [cmds] \Gn [cmds]

Example:

AT G1 &K3<CR>

Description:

Selects modem port flow control.

Command

Function

í \G0

Flow control disabled.

\G1

Flow control enabled.

FLOW CONTROL TYPE

Type:

Configuration

Format:

AT [cmds] \Qn [cmds]

Example:

AT \Q5<CR>

Description:

Sets type of flow control used by modem.

Command

Function

\Q0

Flow control disabled.

\Q1

Bidirectional XON/XOFF flow control enabled.

í \Q2

CTS flow control by DCE enabled.

\Q3

Bidirectional CTS/RTS flow control enabled.

\Q4

XON/XOFF flow control by DCE enabled.

\Q5

XON/XOFF flow control by DTE enabled.

\Q6

RTS flow control by DTE enabled.

HANDSHAKE OPTIONS

Type:

Register

Format:

AT [cmds] S43=n [cmds]

Example:

AT S43=0 <CR>

Default:

0

Range:

0, 1

Description:

Controls the V.32bis handshake sequence.

Command

Function

í S43=0

V.32bis long handshake.

S43=1

V.32is short handshake.

INACTIVITY TIMER

Type:

Configuration

Format:

AT [cmds] \Tn [cmds]

Example:

AT\T20<CR>

Default:

0

Range:

0-255

Unit:

1 second

Description:

Sets the length of time that the modem does not receive information before it disconnects.

LAP-M FRAME SIZE4

Type:

Configuration

Format:

AT [cmds] \An [cmds]

Example:

AT \A3 %C1<CR>

Description:

Sets the maximum frame size for V.42 and MNP connections.

Command

Function

\A0

Maximum frame size is 64

\A1

Maximum frame size is 128

\A2

Maximum frame size is 192

\A3

Maximum frame size is 256

\A4

Maximum frame size is 32

\A5

Maximum frame size is 16

Note: Maximum V.42 frame size is 128.

LAP-M FRAME WINDOW

Type:

Register

Format:

AT [cmds] S89=n [cmds]

Example:

ATS89=6<CR>

Default:

0

Range:

1-9

Unit:

1 frame (beginning with 0=6 frames)

Description:

Sets the number of frames used in V.42 and V.42bis transmissions

LEASED LINE AUTO-RETRAIN

Type:

Register

Format:

AT [cmds] S82=n [cmds]

Example:

AT S82=0 &W<CR>

Description:

Allows modem to retrain to compensate for bad line quality.

Command

Function

í S82=0

Retrain enabled.

S82=

Retrain disabled.

LEASED LINE SPEED

Type:

Register

Format:

AT [cmds] S44=n [cmds]

Example:

ATS44=6<CR>

Default:

18

Description:

Sets maximum leased line speed

Command

Function

S44=0

14.4Kbps V.32bis

S44=1

14.4Kbps V.32bis

S44=2

12.0Kbps V.32bis

S44=3

9600bps V.32bis

S44=4

7200bps V.32bis

S44=5

4800bps V.32bis

S44=6

2400bps V.22bis

í S44=18

19.2Kbps V.32terbo

S44=19

16.8bps V.32terbo

LEASED LINE TRANSMISSION LEVEL

Type:

Register

Format:

AT [cmds] S45=n [cmds]

Example:

AT S45=15<CR>

Default:

0

Range:

0 - 15

Unit:

1 dBm

Description:

Sets the signal level for transmission when in leased line mode.

LINE SPEED

Type:

Register

Format:

AT [cmds] S41=n [cmds]

Example:

ATS41=6<CR>

Default:

20

Description:

Sets maximum line speed

Command

Function

S41=1

14.4Kbps V.32bis

S41=2

12.0Kbps V.32bis

S41=3

9600bps V.32bis, V.32

S41=4

7200bps V.32bis

S41=5

4800bps V.32bis, V.32

S41=6

2400bps V.22bis

S41=7

1200bps V.22

S41=8

1200bps 212A

S41=10

0-300bps V21

S41=11

0-300bps 103j

S41=12

1200/75bps V.23

S41=13

75/1200bps V.23

í S41=20

19.2Kbps V.32terbo

S41=21

16.8bps V.32terbo

LOCAL ANALOG LOOPBACK

Type:

Register

Format:

AT [cmds] S52=n [cmds]

Example:

AT S52=0 &W<CR>

Description:

Modem executes local analog loopback on receipt of CT140 signal from DTE

Command

Function

í S52=0

Loopback disabled.

S52=1

Loopback enabled.

LOCK SERIAL PORT

Type:

Register

Format:

AT [cmds] S90=n [cmds]

Example:

AT S90=0<CR>

Description:

Sets operation of serial port speed.

Command

Function

í S90=0

Disabled.

S90=1

Serial speed follows connect speed.

MI/MIC

Type:

Register

Format:

AT [cmds] S83=n [cmds]

Example:

AT S83=0 &W<CR>

Description:

Configures the Mode Indicate/Mode Indicate Common (MI/MIC) interface.

Command

Function

í S83=0

Disabled.

S83=1

Enabled.

PASSWORD REMOTE ACCESS

Type:

Register

Format:

AT [cmds] S56=n [cmds]

Example:

ATS56=6<CR>

Default:

None

Range:

00-99

Unit:

Password digits

Description:

Allows entry of the first two digits of remote access password.

PASSWORD REMOTE ACCESS

Type:

Register

Format:

AT [cmds] S57=n [cmds]

Example:

ATS57=6<CR>

Default:

None

Range:

00-99

Unit:

Password digits

Description:

Allows entry of the second two digits of remote access password.

PASSWORD REMOTE ACCESS

Type:

Register

Format:

AT [cmds] S58=n [cmds]

Example:

ATS58=6<CR>

Default:

None

Range:

00-99

Unit:

Password digits

Description:

Allows entry of the third two digits of remote access password.

PASSWORD REMOTE ACCESS

Type:

Register

Format:

AT [cmds] S59=n [cmds]

Example:

ATS59=6<CR>

Default:

None

Range:

00-99

Unit:

P4assword digits

Description:

Allows entry of the fourth two digits of remote access password.

REMOTE CONFIGURATION

Type:

Register

Format:

AT [cmds] S55=n [cmds]

Example:

AT S55=0 &W<CR>

Description:

Allows remote configuration by 3800 series modem.

Command

Function

í S55=0

Remote configuration enabled.

S55=1

Remote configuration disabled.

REMOTE DIGITAL LOOPBACK

Type:

Register

Format:

AT [cmds] S51=n [cmds]

Example:

AT S51=0 &W<CR>

Description:

Modem executes remote digital loopback on receipt of CT140 signal from DTE

Command

Function

í S51=0

Loopback disabled.

S51=1

Loopback enabled.

REPORT INFORMATION

Type:

Immediate

Format:

AT [cmds] In [cmds]

Example:

AT I1 O<CR>

Description:

Displays modem properties.

Command

Function

I0

Display product code.

I1

Display 3 digit firmware revision number.

I2

Reports current EPROM checksum.

I3

Display serial number.

I4

Display model number.

I5

Display hardware part number.

I6

Display firmware release number.

I9

Display 3 digit firmware revision number.

I10

Changes value displayed by I0

I10=0

Display 144

I10=1

Display 240

I10=2

Display 480

I10=3

Display 960

I10=4

Display 120

I11

Reports RAM checksum result.

!19

Display complete firmware revision number.

RESET MODEM TO STORED PROFILE

Type:

Configuration

Format:

AT [cmds] Zn [cmds]

Example:

AT Z0<CR>

Description:

Restores modem profiles previously saved in non-volatile RAM using the &W command.

Command

Function

Z0

Restore profile 0.

Z1

Restore profile 1.

Z2

Restore profile 2.

Z3

Restore profile 3.

Z9

Restore factory defaults and use them as power-on defaults.

RESULT CODES

Type:

Configuration

Format:

AT [cmds] Xn [cmds]

Example:

AT X5 &W<CR>

Description:

Enables extended result codes, EC and V.42, MNP suffix, dial tone and busy signal detect

Command

Function

X0

Disabled.

X1

Enable extended result codes.

X2

Enable extended result codes and dial tone detect.

X3

Enable extended result codes and busy signal detect

í X4

Enable extended result codes, dial tone detect and busy signal detect

X5

Enable extended result codes, EC suffix, dial tone detect and busy signal detect

X6

Enable extended result codes, V.42, MNP suffix, dial tone detect and busy signal detect

X7

Display DTE rate. Enable dial tone detect and busy signal detect

RJ11 CELLULAR ADAPT

Type:

Register

Format:

AT [cmds] S93=n [cmds]

Example:

AT S93=0 &W<CR>

Description:

Adds support for RJ11 connection during cellular operation

Command

Function

í S93=0

Disabled.

S93=1

Enabled.

STORED PROFILE

Type:

Register

Format:

AT [cmds] S88=n [cmds]

Example:

AT S88=0 &W<CR>

Description:

Loads stored profile on disconnect.

Command

Function

í S88=0

Disabled.

S88=231

Disabled.

S88=1

Enabled.

S88=232

Enabled.

TRANSMISSION LEVEL

Type:

Configuration

Format:

AT [cmds] &In [cmds]

Example:

AT &I26 &W<CR>

Default:

0

Range:

10-32, 99, 100

Unit:

-1 dBm

Description:

Sets the signal level for transmission

Note: Set to 99 for autoadjust ETC1.0 specification. Set to 100 for autoadjust ETC1.1 specifucation

V.25bis CODE SET

Type:

Register

Format:

AT [cmds] S62=n [cmds]

Example:

AT S62=0 &W<CR>

Description:

Sets coding type used in V.25bis mode.

Command

Function

í S62=0

ASCII

S62=1

EBCDIC

V.25bis NEW LINE CHARACTER

Type:

Register

Format:

AT [cmds] S64=n [cmds]

Example:

AT S64=0 &W<CR>

Description:

Sets V.25 new line character.

Command

Function

í S64=0

Carriage return and line feed.

S64=1

Carriage return.

S64=2

Line feed.

V.32bis AUTO-RETRAIN

Type:

Register

Format:

AT [cmds] S76=n [cmds]

Example:

AT S76=0 &W<CR>

Description:

Selects action the modem will take during bad line quality on 32bis connection.

Command

Function

í S76=0

Auto retrain enabled.

S76=1

Auto retrain disabled.

S76=2

Auto retrain started at 4800bps.

S76=3

Auto retrain started at 9600bps

V.32bis/PBX AUTOMODE

Type:

Register

Format:

AT [cmds] S78=n [cmds]

Example:

AT S78=0 &W<CR>

Description:

Selects allowed modulations.

Command

Function

í S78=0

Use any supported modulation.

S78=1

Use modulation specified in S41

S78=2

Use PBX modulation.

V.42bis COMPRESSION CONTROL

Type:

Configuration

Format:

AT [cmds] "Hn [cmds]

Example:

AT "H3 &W<CR>

Description:

Controls V.42bis data compression

Command

Function

"H0

V.42bis disabled.

"H1

V.42bis when transmitting enabled.

"H2

V.42bis when receiving enabled.

í "H3

V.42bis when transmitting/receiving enabled.

V.54 ADDRESS

Type:

Register

Format:

AT [cmds] S53=n [cmds]

Example:

ATS53=6<CR>

Default:

0

Range:

0-34

Unit:

Address of modem. 0 is disable.

Description:

Identifies modem in loopback test.

V.54 DEVICE TYPE

Type:

Register

Format:

AT [cmds] S54n [cmds]

Example:

AT S54=0 &W<CR>

Description:

Identifies modem’s network position.

Command

Function

í S54=0

Peripheral

S54=1

Intermediate

XON/XOFF PASS-THROUGH

Type:

Configuration

Format:

AT [cmds] \Xn [cmds]

Example:

AT \X7 O<CR>

Description:

Selects whether XON/XOFF signals are sent to remote modem.

Command

Function

í \X0

XON/XOFF signals trapped by local modem.

\X1

XON/XOFF passed through local modem.