CARDINAL TECHNOLOGIES, INC
9600BPS V.32BIS DIGITAL
|
Card Type |
Modem |
|
Chip Set |
Unidentified |
|
I/O Options |
Line in, line out |
|
Maximum Modem Rate |
9600bps |
|
Maximum Fax Rate |
9600bps |
|
Data Modulation Protocol |
Bell 103/212A ITU-T V.21, V.22, V.22bis, V.32 |
|
Fax Modulation Protocol |
ITU-T V.21 CH 2, V.27ter, V.29 |
|
Error Correction/Compression |
MNP5, V.42, V.42bis |
|
Fax Class |
Class I & II |
|
Data Bus |
8-bit ISA |

|
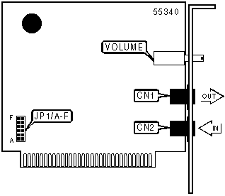
CONNECTIONS | ||||||
|
Function |
Label |
Function |
Label | |||
|
Line out (RJ-11) |
CN1 |
Line in (RJ-11) |
CN2 | |||
|
SERIAL PORT ADDRESS | ||
|
Setting |
JP1/A |
JP1/B |
|
COM1 (3F8h) |
Closed |
Closed |
|
» COM2 (2F8h) |
Open |
Closed |
|
COM3 (3E8h) |
Closed |
Open |
|
COM4 (2E8h) |
Open |
Open |
|
INTERRUPT | ||||
|
Setting |
JP1/C |
JP1/D |
JP1/E |
JP1/F |
|
IRQ2 |
Open |
Open |
Open |
Closed |
|
» IRQ3 |
Open |
Closed |
Open |
Open |
|
IRQ4 |
Closed |
Open |
Open |
Open |
|
IRQ5 |
Open |
Open |
Closed |
Open |
|
SUPPORTED COMMAND SET |
|
Basic AT Commands |
|
AT, ‘+++’, A/ |
|
A, B, E, H, O, Q, M, V |
|
&C, &F, &V |
|
Extended AT Commands |
|
\N |
|
S Registers |
|
S0, S1, S2, S3, S4, S5, S6, S7, S8, S9, S10, S11, S18, S14, S16, S18 |
|
Special Commands |
|
Note: Please see MHI Help file for full command documentation. |
Proprietary AT Command Set
|
DATA SET READY (DSR) | |
|
Type: |
Configuration |
|
Format: |
AT [cmds] &Sn [cmds] |
|
Description: |
Selects DSR options |
|
Command |
Function |
|
í &S0 |
DSR forced high |
|
&S1 |
DSR high only while modem is handshaking or connected |
|
DATA TERMINAL READY (DTR) | |
|
Type: |
Configuration |
|
Format: |
AT [cmds] &Dn [cmds] |
|
Description: |
Selects modem response to DTR |
|
Command |
Function |
|
&D0 |
DTR ignored |
|
&D1 |
DTR toggle causes online command mode |
|
í &D2 |
DTR toggle causes modem to go on-hook |
|
&D3 |
Modem reset on DTR toggle |
|
DIAL | |
|
Type: |
Immediate |
|
Format: |
AT [cmds] D<#> [cmds] |
|
Description: |
Dials telephone number according to any modifiers included in the string |
|
Note: |
Any combination of modifiers can be used to produce the desired dial functions in sequence. |
|
Modifier |
Function |
|
DP |
Pulse dialing enabled |
|
DR |
Answer mode enabled, originate mode disabled following handshake initiation |
|
DT |
Tone dialing enabled |
|
DW |
Dialing resumed following dial tone detection |
|
D, |
Dialing paused for amount of time specified in S8 register |
|
D! |
Modem commanded to go off-hook for .5 seconds before returning on-hook |
|
D@ |
Wait for quiet answer |
|
D; |
Modem returned to command state after dialing |
|
EXTENDED RESULT CODES | |
|
Type: |
Configuration |
|
Format: |
AT [cmds] Wn [cmds] |
|
Description: |
Enables selection of additional result codes |
|
Command |
Function |
|
W0 |
Enables CONNECT result codes to report DTE to DCE speed |
|
W1 |
Enables CONNECT result codes to report error correction |
|
FLOW CONTROL | |
|
Type: |
Configuration |
|
Format: |
AT [cmds] &Kn [cmds] |
|
Description: |
Enables flow control options |
|
Command |
Function |
|
&K0 |
Flow control disabled |
|
í &K3 |
RTS/CTS flow control enabled |
|
&K4 |
XON/XOFF flow control enabled |
|
&K5 |
Transparent XON/XOFF flow control enabled |
|
PULSE DIALING RATIO | |
|
Type: |
Configuration |
|
Format: |
AT [cmds] &Pn [cmds] |
|
Description: |
Selects pulse dial make/break ratio |
|
Command |
Function |
|
í &P0 |
39/61ms at 10pps (North America) |
|
&P1 |
33/67ms at 10pps (Europe) |
|
&P2 |
39/61ms at 20pps |
|
REPORT INFORMATION | |
|
Type: |
Immediate |
|
Format: |
AT [cmds] In [cmds] |
|
Description: |
Displays information requested |
|
Command |
Function |
|
I0 |
Reports product code |
|
I1 |
Reports ROM checksum |
|
I2 |
Tests and reports ROM checksum |
|
I3 |
Reports modem capabilities |
|
SELECT CALL PROGRESS RESULT CODES | |
|
Type: |
Configuration |
|
Format: |
AT [cmds] Xn [cmds] |
|
Description: |
Enables selection of tone detection and associated result code format options |
|
Command |
Function |
|
X0 |
Busy and dial tone detection disabled; result codes 0 - 4, 8 enabled. |
|
X1 |
Busy and dial tone detection disabled; result codes 0 - 5, 8 & 10 - 15 enabled. |
|
X2 |
Busy tone detection disabled, dial tone detection enabled; result codes 0 - 6, 8 & 10 - 15 enabled. |
|
X3 |
Busy tone detection enabled, dial tone detection disabled; result codes 0 - 8, & 10 - 15 enabled. |
|
í X4 |
Busy and dial tone detection enabled; result codes 0 - 7 & 10 enabled. |
|
X5 |
Busy and dial tone detection enabled; result codes 0 - 4, 6 - 8 enabled. |
|
SOFT RESET | |
|
Type: |
Immediate |
|
Format: |
AT [cmds] Zn [cmds] |
|
Description: |
Restores modem profiles previously saved in non-volatile RAM using the &W command. |
|
Command |
Function |
|
Z0 |
Restore setting |
EXTENDED AT COMMAND SET
|
COMPRESSION | |
|
Type: |
Configuration |
|
Format: |
AT [cmds] %Cn [cmds] |
|
Description: |
Selects data compression |
|
Command |
Function |
|
%C0 |
Data compression disabled |
|
%C1 |
MNP5 enabled |
S(status) REGISTERS
|
DCE LINE SPEED | |
|
Type: |
Register |
|
Format |
AT [cmds] S37=n [cmds] |
|
Description: |
Sets the maximum allowable data exchange rate attempted during handshake process. |
|
Command |
Function |
|
S37=0 |
Current DTE rate |
|
S37=1 |
V.21 at 300bps |
|
S37=2 |
Bell 103 at 300bps |
|
S37=5 |
V.22 at 1200bps |
|
S37=6 |
V.22bis at 2400bps |
|
S37=8 |
V.32 at 4800bps |
|
S37=9 |
V.32 at 9600bps |