CONTROLWARE COMMUNICATIONS SYSTEMS, INC.

CITAM

Card Type

ISDN TA

Chipset

Unidentified

ISDN Transfer Rate

56Kbps x 2/64Kbps x 2

ISDN Protocol

V.110, X.75

Switch Type

1TR6, 5ESS, DMS100, DSS1, NI-1

Data Bus

Serial

CONNECTIONS

Function

Label

Function

Label

SELECT button

BT1

ISDN S/T interface

CN1

ENTER button

BT2

LED display

LED

RESET button

BT3

Header to interface board W1B

W1A

Note: Either CN1 or the ISDN interface on the installed interface board may be used, but not both.

USER CONFIGURABLE SETTINGS

Setting

Label

Position

í Configuration may be changed via interface or front panel

S1/1

Off

Configuration may be changed via front panel supervisor only

S1/1

On

í ISDN connects with standard dialing

S1/2

Off

ISDN connects with S0FV (leased-line)

S1/2

On

í 1TR6 Service Indicator set for data transmission

S1/3

Off

1TR6 Service Indicator set for X.21 services

S1/3

On

í TA operates in synchronous mode

S1/4

Off

TA operates in asynchronous mode

S1/4

On

í Factory configured - do not alter (synchronous mode)

S1/5

N/A

USER CONFIGURABLE SETTINGS (CON’T)

Setting

Label

Position

í AT command set enabled (asynchronous mode)

S1/8

On

V.25bis command set enabled (asynchronous mode)

S1/8

Off

í X.21 command set enabled (synchronous mode)

S1/8

On

V.25bis command set enabled (synchronous mode)

S1/8

Off

í Factory configured - do not alter

S2/1

On

í CD signal forced high

S2/6

Off

CD signal high when connection is synchronized

S2/6

On

í DSR signal forced high

S2/7

Off

DSR signal high when connection is synchronized

S2/7

On

í Unit is a table-top version

S2/8

Off

Unit is a rack mount version

s2/8

On

DATA FORMAT SELECTION (ASYNCHRONOUS MODE)

Setting

S1/5

S1/6

S1/7

7 data bits, no parity, 1 stop bit

Off

On

On

7 data bits, even parity, 1 stop bit

On

On

On

8 data bits, no parity, 1 stop bit

On

On

Off

8 data bits, even parity, 1 stop bit

Off

Off

On

8 data bits, odd parity, 1 stop bit

On

Off

On

í 8 data bits, no parity, 2 stop bits

Off

Off

Off

8 data bits, even parity, 2 stop bits

On

Off

Off

8 data bits, odd parity, 2 stop bits

Off

On

Off

DATA FORMAT SELECTION (SYNCHRONOUS MODE)

Setting

S1/6

S1/7

ASCII character set, BSC encoding

On

On

ASCII character set, HDLC encoding

Off

On

EBCDIC character set, BSC encoding

On

Off

í EBCDIC character set, HDLC encoding

Off

Off

LINE SPEED

Setting

S2/2

S2/3

S2/4

S2/5

300bps

Off

On

Off

On

600bps

On

Off

Off

On

1200bps

Off

Off

Off

On

2400bps

On

On

On

Off

4800bps

Off

On

On

Off

9600bps

On

Off

On

Off

19.2Kbps

Off

Off

On

Off

38.4Kbps

On

On

Off

Off

48Kbps

Off

On

Off

Off

56Kbps

On

Off

Off

Off

í 64Kbps

Off

Off

Off

Off

Note: Asynchronous speeds may range from 300bps to 38.4Kbps, while synchronous speeds may range from 1200bps to 64Kbps.

SUBADDRESS SELECTION

Setting

S3

EAZ 1

Position 1

EAZ 2

Position 2

EAZ 3

Position 3

EAZ 4

Position 4

EAZ 5

Position 5

EAZ 6

Position 6

EAZ 7

Position 7

EAZ 8

Position 8

TA is part of hunt group

Position 0

Note: When adapter is set for leased-line mode, the EAZ must be set to 2.

DIAGNOSTIC LED(S)

LED

Color

Status

Condition

S0

Yellow

On

ISDN connection is active

S0

Yellow

Blinking

ISDN connection has been made but is not active

S0

Yellow

Off

ISDN is not connected

P1

Green

On

Port 1 is connected to ISDN

P1

Green

Blinking

Port 1 has received an ISDN call but has not connected

P1

Green

Off

Port 1 is not connected to ISDN

P2

Green

On

Port 2 is connected to ISDN

P2

Green

Blinking

Port 2 has received an ISDN call but has not connected

P2

Green

Off

Port 2 is not connected to ISDN

Note: P2 will have no function on models with only one port.

CONNECTIONS

Function

Label

Function

Label

Supervisor port

CN1

DC power in

CN4

ISDN S/T interface

CN2

Header to main board W1A

W1B

X.21 serial port

CN3

   

USER CONFIGURABLE SETTINGS

Setting

Label

Position

í Signal ground not connected to chassis ground

P31

Open

Signal ground connected to chassis ground

P31

Closed

RECEIVER OPEN CIRCUIT FAILSAFE

Setting

P28

R3

í Enabled

Not installed

Installed

Disabled

Installed

Not installed

CONNECTIONS

Function

Label

Function

Label

Supervisor port

CN1

X.21 serial port 2

CN4

ISDN S/T interface

CN2

DC power in

CN5

X.21 serial port 1

CN3

Header to main board W1A

W1B

USER CONFIGURABLE SETTINGS

Setting

Label

Position

í Signal ground not connected to chassis ground

P31

Open

Signal ground connected to chassis ground

P31

Closed

PORT 1 RECEIVER OPEN CIRCUIT FAILSAFE

Setting

P16

R4

í Enabled

Not installed

Installed

Disabled

Installed

Not installed

PORT 2 RECEIVER OPEN CIRCUIT FAILSAFE

Setting

P17

R5

í Enabled

Not installed

Installed

Disabled

Installed

Not installed

CONNECTIONS

Function

Label

Function

Label

Supervisor port

CN1

DC power in

CN4

ISDN S/T interface

CN2

Header to main board W1A

W1B

V.24 serial port

CN3

   

USER CONFIGURABLE SETTINGS

Setting

Label

Position

í Signal ground not connected to chassis ground

P32

Open

Signal ground connected to chassis ground

P32

Closed

RECEIVER OPEN CIRCUIT FAILSAFE

Setting

P1

R4

í Enabled

Not installed

Installed

Disabled

Installed

Not installed

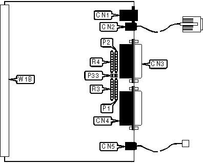
CONNECTIONS

Function

Label

Function

Label

Supervisor port

CN1

V.24 serial port 1 via DB-26 port

CN4

ISDN S/T interface

CN2

DC power in

CN5

V.24 serial port 2 via DB-26 port

CN3

Header to main board W1A

W1B

Note: Standard V.24 serial ports are provided on included adapter cables.

USER CONFIGURABLE SETTINGS

Setting

Label

Position

í Signal ground not connected to chassis ground

P33

Open

Signal ground connected to chassis ground

P33

Closed

PORT 1 RECEIVER OPEN CIRCUIT FAILSAFE

Setting

P1

R3

í Enabled

Not installed

Installed

Disabled

Installed

Not installed

PORT 2 RECEIVER OPEN CIRCUIT FAILSAFE

Setting

P2

R4

í Enabled

Not installed

Installed

Disabled

Installed

Not installed

CONNECTIONS

Function

Label

Function

Label

Supervisor port

CN1

DC power in

CN4

ISDN S/T interface

CN2

Header to main board W1A

W1B

V.35 serial port

CN3

   

USER CONFIGURABLE SETTINGS

Setting

Label

Position

í Signal ground not connected to chassis ground

P32

Open

Signal ground connected to chassis ground

P32

Closed

CONNECTIONS

Function

Label

Function

Label

Supervisor port

CN1

V.35 serial port 1 via DB-26 port

CN4

ISDN S/T interface

CN2

DC power in

CN5

V.35 serial port 2 via DB-26 port

CN3

Header to main board W1A

W1B

Note: Standard V.35 serial ports are provided on included adapter cables.

USER CONFIGURABLE SETTINGS

Setting

Label

Position

í Signal ground not connected to chassis ground

P32

Closed

Signal ground connected to chassis ground

P32

Open

SUPPORTED STANDARD COMMANDS

Basic AT Commands

+++, A/

A, E, H, O, Q, V, X, Z

&D, &F, &V, &W, &Z

%I

S-Registers

S0, S1, S2, S3, S4, S5

V.25bis Commands

CIC, CRI, CRS, DIC, PRN

Note: See MHI help file for complete information.

UNIDENTIFIED COMMANDS

Command

Default

%L

0

%M

0

Proprietary AT Command Set

ACCESS TYPE

Type:

Configuration

Format:

AT [cmds] %Kn [cmds]

Description:

Selects the type of access for this ISDN line.

Command

Function

í %K1

Line is intermittent dial-up.

%K2

Line is semi-permanent dial-up.

%K3

Line is time-link dial-up.

ASYNC/SYNC MODE

Type:

Configuration

Format:

AT [cmds] &Mn [cmds]

Description:

Selects whether the adapter is operating in asynchronous or synchronous mode.

Command

Function

í &M0

Asynchronous mode selected.

&M1

Asynchronous command mode, synchronous data mode at 600bps.

&M2

Asynchronous command mode, synchronous data mode at 1200bps.

&M3

Asynchronous command mode, synchronous data mode at 2400bps.

&M4

Asynchronous command mode, synchronous data mode at 4800bps.

&M5

Asynchronous command mode, synchronous data mode at 9600bps.

&M6

Asynchronous command mode, synchronous data mode at 19.2Kbps.

&M7

Asynchronous command mode, synchronous data mode at 38.4Kbps.

&M8

Asynchronous command mode, synchronous data mode at 48Kbps.

&M9

Asynchronous command mode, synchronous data mode at 56Kbps.

&M10

Asynchronous command mode, synchronous data mode at 64Kbps.

&M11

Synchronous data mode at 64Kbps with byte timing.

&M13

Synchronous data mode at 128Kbps.

CALLBACK DELAY

Type:

Configuration

Format:

AT [cmds] %H=n [cmds]

Default:

Unidentified

Range:

0 - 255

Unit:

1 second

Description:

Sets the amount of time that the adapter will wait after a call disconnects before initiating a callback sequence.

CALLBACK MODE

Type:

Configuration

Format:

AT [cmds] %Gn [cmds]

Description:

Selects when the adapter will call back an incoming call.

Command

Function

í %G0

Neither initiate nor allow callback requests.

%G1

Do not initiate callbacks but allow requests.

%G2

Initiate callbacks but do not allow requests.

%G3

Initiate callbacks and allow requests.

CALL BUNDLING SOURCE

Type:

Configuration

Format:

AT [cmds] %Jn [cmds]

Description:

Selects which stored number the modem will dial for the B2 channel when attempting call bundling. Executing %J0 will use the same number as was dialed for the B1 channel.

CTS SIGNAL

Type:

Configuration

Format:

AT [cmds] &Rn [cmds]

Description:

Controls the behaviour of the CTS signal.

Command

Function

í &R0

CTS follows RTS.

&R1

CTS forced high.

&R2

CTS controlled by remote; high when connection is made at 48Kbps or less.

DATA FORMAT

Type:

Configuration

Format:

AT [cmds] %Nn [cmds]

Description:

Selects the format of the data from the serial port.

Command

Function

%N0

7 data bits, no parity, 1 stop bit.

%N1

7 data bits, even parity, 1 stop bit.

%N2

8 data bits, odd parity, 1 stop bit.

%N3

8 data bits, even parity, 1 stop bit.

í %N4

8 data bits, no parity, 1 stop bit.

%N5

8 data bits, odd parity, 2 stop bits.

%N6

8 data bits, even parity, 2 stop bits.

%N7

8 data bits, no parity, 2 stop bits.

DCD SIGNAL

Type:

Configuration

Format:

AT [cmds] &Cn [cmds]

Description:

Controls the behaviour of the DCD signal.

Command

Function

í &C0

DCD high when call is synchronized.

&C1

DCD forced high.

&C2

DCD controlled by remote; high when connection is made at more than 48Kbps.

DISPLAY INFORMATION

Type:

Immediate

Format:

AT [cmds] In [cmds]

Description:

Displays information requested about the adapter.

Command

Function

I

Displays complete identification.

I0

Displays information about the control firmware.

I1

Displays information about the ISDN firmware.

I2

Displays the version of the hardware.

I3

Displays information about the interface board.

DISPLAY STATUS

Type:

Immediate

Format:

AT [cmds] %Sn [cmds]

Description:

Displays the status of the indicated part of the adapter.

Command

Function

%S

Display all information.

%S0

Display port status.

%S1

Display S0 status.

%S2

Display last ISDN error code in hex.

%S3

Display SPID 1.

%S4

Display SPID 2.

DSR SIGNAL

Type:

Configuration

Format:

AT [cmds] &Sn [cmds]

Description:

Controls the behaviour of the DSR signal.

Command

Function

í &S0

DSR high when connection is successful.

&S1

DSR forced high.

&S2

DSR controlled by remote; high when connection is made at more than 48Kbps.

&S3

DSR high when connection is synchronized.

ISDN B-CHANNEL MAPPING

Type:

Configuration

Format:

AT [cmds] %Qn [cmds]

Description:

Selects how the adapter will map the B-channel subaddresses.

Command

Function

í %Q0

B-channel mapping disabled.

%Q1

B-channel mapping enabled.

LOCAL SERIAL PORT SPEED

Type:

Configuration

Format:

AT [cmds] %Rn [cmds]

Description:

Selects what speed the local serial port is operating at in asynchronous mode.

Command

Function

%R0

Set speed to 300bps.

%R1

Set speed to 600bps.

%R2

Set speed to 1200bps.

%R3

Set speed to 2400bps.

%R4

Set speed to 4800bps.

í %R5

Set speed to 9600bps.

%R6

Set speed to 19.2Kbps.

%R7

Set speed to 38.4Kbps.

MATCH IN-BAND SPEED

Type:

Configuration

Format:

AT [cmds] %An [cmds]

Description:

Selects whether the adapter may switch to match the in-band speed of the connection.

Note:

This command has no effect in asynchronous mode.

Command

Function

%A0

Adapter may switch to lower speed.

í %A1

Adapter may not switch speed.

%A2

Adapter may switch to higher speed.

%A3

Adapter may switch to any speed.

MATCH BEARER SPEED

Type:

Configuration

Format:

AT [cmds] %Bn [cmds]

Description:

Selects whether the adapter may switch to match the bearer speed of the connection.

Note:

This command has no effect in asynchronous mode.

Command

Function

%B0

Adapter may switch to lower speed.

í %B1

Bearer speed matching disabled.

%B2

Adapter may switch to higher speed.

%B3

Adapter may switch to any speed.

%B4

Bearer speed matching enabled.

PASSWORD CHECKING

Type:

Configuration

Format:

AT [cmds] %Dn [cmds]

Description:

Selects when the adapter will require a password for configuration changes.

Command

Function

í %D0

Require password for remote configuration changes only.

%D1

Require password for all configuration changes.

PASSWORD SET

Type:

Configuration

Format:

AT %C=xxxx

Description:

Sets the password to a case-sensitive string of up to ten characters. If no string is entered the password is returned to its default.

PROTOCOL

Type:

Register

Format:

AT [cmds] S8=n [cmds]

Description:

Selects the bit rate adaptation protocol the adapter will use.

Command

Function

S8=0

Adapter will use X.30.

S8=1

Adapter will use V.110.

SERVICE INDICATOR

Type:

Register

Format:

AT [cmds] S6=n [cmds]

Description:

Sets the 1TR6 Service Indicator.

Command

Function

í S6=3

1TR6 Service Indicator set for data transmission.

S6=7

1TR6 Service Indicator set for X.21 services.

SUBADDRESS

Type:

Register

Format:

AT [cmds] S7=n [cmds]

Description:

Sets the subaddress to a value from 1 to 8.

SUBADDRESS COPYING

Type:

Configuration

Format:

AT [cmds] %En [cmds]

Description:

Selects whether the adapter will copy the subaddress to the call number.

Command

Function

í %E0

Subaddress copying disabled.

%E1

Subaddress copying enabled.

SUBADDRESS - SETUP

Type:

Configuration

Format:

AT [cmds] %Pn [cmds]

Description:

Selects which subaddress the adapter sends during call setup.

Command

Function

í %P0

Adapter sends remote port subaddress.

%P1

Adapter sends local port subaddress.

SUBADDRESS SOURCE

Type:

Configuration

Format:

AT [cmds] %On [cmds]

Description:

Selects the source of the subaddress sent to the remote system.

Command

Function

í %O0

Taken from call number string.

%O1

Global call sent in-band.

%O2

Stored port subaddress sent in-band.

%O3

Stored port subaddress sent in-band and during call setup.

SWITCH TYPE

Type:

Configuration

Format:

AT [cmds] %Fn [cmds]

Description:

Selects the switch type the adapter is connected to.

Command

Function

í %F0

Adapter is connected to National NI-1 switch.

%F1

Adapter is connected to AT&T 5E6 switch.

%F2

Adapter is connected to AT&T 5E8 switch.

%F3

Adapter is connected to Northern Telecom DMS-100 switch.

Proprietary V.25bis Command Set

CALL REQUESTED NUMBER

Type:

Immediate

Format:

CRN<#>

Description:

Dials the number given; it will ignore spaces and hyphens in the string; if the string is more than fifty characters long, a result of INV will be returned.

Command

Function

CRN<#>*n

Dials the number indicated and requests subaddress n.

CRN<#>/n

Dials the number indicated and requests subaddress n.

CTS SIGNAL

Type:

Configuration

Format:

PRO4;n

Description:

Controls the behaviour of the CTS signal.

Command

Function

í PRO4;0

CTS follows RTS.

PRO4;1

CTS forced high.

PRO4;2

CTS controlled by remote; high when connection is made at 48Kbps or less.

DCD SIGNAL

Type:

Configuration

Format:

PRO6;n

Description:

Controls the behaviour of the DCD signal.

Command

Function

í PRO6;0

DCD high when call is synchronized.

PRO6;1

DCD forced high.

PRO6;2

DCD controlled by remote; high when connection is made at more than 48Kbps.

DISPLAY COMMAND SETTING

Type:

Immediate

Format:

RLO n

Description:

Displays the setting of the indicated option set with PROn; the adapter will respond with LSOn;a where a is the setting. Two values may be displayed that may not be set with PROn. They are listed below. If no value is given all options are listed.

Command

Value

Meaning

RLO 8

0

Terminal is in asynchronous mode.

 

1

Terminal is in synchronous mode.

RLO 9

3

1TR6 Service Indicator set for data transmission.

 

7

1TR6 Service Indicator set for X.21 services.

DISPLAY STORED NUMBER

Type:

Immediate

Format:

RLN n

Description:

Displays the telephone number stored in memory location n. If no location is specified, all stored numbers are listed.

DSR SIGNAL

Type:

Configuration

Format:

PRO5;n

Description:

Controls the behaviour of the DSR signal.

Command

Function

í PRO5;0

DSR high when connection is successful.

PRO5;1

DSR forced high.

PRO5;2

DSR controlled by remote; high when connection is made at more than 48Kbps.

PRO5;3

DSR high when connection is synchronized.

ECHO

Type:

Configuration

Format:

PRO2;n

Description:

Selects whether the modem will echo data received from the DTE back.

Note:

This command has no effect in synchronous mode.

Command

Function

PRO2;0

Echo disabled.

í PRO2;1

Echo enabled.

INCOMING CALL INFORMATION

Type:

Configuration

Format:

PRO7;n

Description:

Selects whether the INC message is V.25bis standard or displays extra information.

Command

Function

PRO7;0

INC message is V.25bis standard.

PRO7;1

INC message displays extra information.

PROTOCOL

Type:

Register

Format:

PRO3;n

Description:

Selects the bit rate adaptation protocol the adapter will use.

Command

Function

PRO3;0

Adapter will use X.30.

PRO3;1

Adapter will use V.110.

RESET TO SWITCH DEFAULTS

Type:

Immediate

Format:

PRO0;0

Description:

Resets the configuration of the adapter to the settings of S1, S2, and S3.

SUBADDRESS

Type:

Configuration

Format:

PRO1;n

Description:

Sets the subaddress to a value from 1 to 8.