ASPEN TECHNOLOGIES, INC.

14IRB

Card Type

Modem (asynchronous)

Chipset

Sierra

Maximum Data Rate

14.4Kbps

Maximum Fax Rate

14.4Kbps

Data Modulation

Bell 103A, 212A

ITU-T V.21, V.22, V.22bis, V.32, V.32bis

Fax Modulation

Unidentified

Error Correction/Compression

MNP5, V.42, V.42bis

Fax Class

Class I & II

Data Bus

8-bit ISA

Card Size

Half height, one-third length

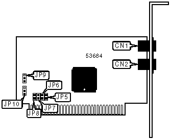
CONNECTIONS

Function

Label

Function

Label

Telephone line

CN1

Telephone line

CN2

SERIAL PORT ADDRESS SELECTION

Setting

JP9

JP10

3F8h (COM1:)

Pins 1 & 2 closed

Pins 1 & 2 closed

2F8h (COM2:)

Pins 1 & 2 closed

Pins 2 & 3 closed

3E8h (COM3:)

Pins 2 & 3 closed

Pins 1 & 2 closed

2E8h (COM4:)

Pins 2 & 3 closed

Pins 2 & 3 closed

INTERRUPT SELECTION

Setting

JP5

JP6

JP7

JP8

3

Open

Open

Open

Closed

4

Open

Open

Closed

Open

5

Open

Closed

Open

Open

7

Closed

Open

Open

Open

SUPPORTED STANDARD COMMANDS

Basic AT Commands

+++, ‘comma’, A/

A, D, E, H, L, M, O, P, Q, T, V, X, Y, Z

&C, &D, &F, &T, &V, &W, &Y, &Z

Extended AT Commands

\Q

%A, %C, %Q

S-Registers

S0, S1, S2, S3, S4, S5, S6, S7, S8, S9, S10, S12, S18, S25, S26, S38

Note: See MHI help file for complete information.

UNIDENTIFIED COMMANDS

Command

Default

S40

Unidentified

S41

Unidentified

Proprietary AT Command Set

See ASPEN TECHNOLOGIES, INC. 28IDSSA for a full command summary.