BINTEC COMMUNICATIONS GMBH

BIANCA/PMX

Card Type

ISDN TA

Chipset

Unidentified

ISDN Transfer Rate

64Kbps x 120 (30 channels per line)

ISDN Protocol

CISCO HDLC, HDLC, T.70, UIFRAMES, X.25, X.30, X.75, PPP

Switch Type

1TR6, DSS1

Data Bus

16-bit ISA

Card Size

Full height, three-quarters length (Full-length with more than two daughtercards)

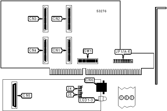
CONNECTIONS

Function

Label

Function

Label

Connector to daughterboard CN5 (port 1)

CN1

Connector to daughterboard CN5 (port 4)

CN4

Connector to daughterboard CN5 (port 2)

CN2

Connector to main board CN1-CN4 (on back of card)

CN5

Connector to daughterboard CN5 (port 3)

CN3

ISDN PRI interface

CN6

USER CONFIGURABLE SETTINGS

Setting

Label

Position

»

Factory configured - do not alter

J4

Pins 2 & 4, 3 & 5 closed

»

Factory configured - do not alter

J5

Pins 2 & 4, 3 & 5 closed

INTERRUPT SELECTION

Setting

J1/A

J1/B

J1/C

J1/D

J1/E

J1/F

 

2/9

Open

Open

Open

Open

Open

Closed

 

3

Closed

Open

Open

Open

Open

Open

 

4

Open

Closed

Open

Open

Open

Open

 

5

Open

Open

Closed

Open

Open

Open

 

6

Open

Open

Open

Closed

Open

Open

 

7

Open

Open

Open

Open

Closed

Open

»

10

Open

Open

Open

Open

Open

Open

 

11

Open

Open

Open

Open

Open

Open

 

12

Open

Open

Open

Open

Open

Open

 

14

Open

Open

Open

Open

Open

Open

 

15

Open

Open

Open

Open

Open

Open

INTERRUPT SELECTION (CON'T)

Setting

J1/G

J1/H

J1/I

J1/J

J1/K

 

2/9

Open

Open

Open

Open

Open

 

3

Open

Open

Open

Open

Open

 

4

Open

Open

Open

Open

Open

 

5

Open

Open

Open

Open

Open

 

6

Open

Open

Open

Open

Open

 

7

Open

Open

Open

Open

Open

»

10

Closed

Open

Open

Open

Open

 

11

Open

Closed

Open

Open

Open

 

12

Open

Open

Closed

Open

Open

 

14

Open

Open

Open

Closed

Open

 

15

Open

Open

Open

Open

Closed

BASE I/O ADDRESS SELECTION

Setting

SW1/1

SW1/2

SW1/3

SW1/4

SW1/5

SW1/6

SW1/7

SW1/8

SW1/9

SW1/10

 

000000h

On

On

On

On

On

On

On

On

On

On

 

001000h

Off

On

On

On

On

On

On

On

On

On

 

002000h

On

Off

On

On

On

On

On

On

On

On

 

003000h

Off

Off

On

On

On

On

On

On

On

On

 

004000h

On

On

Off

On

On

On

On

On

On

On

»

00D000h

Off

On

Off

Off

On

On

On

On

Off

On

 

3FB000h

Off

Off

On

Off

Off

Off

Off

Off

Off

Off

 

3FC000h

On

On

Off

Off

Off

Off

Off

Off

Off

Off

 

3FD000h

Off

On

Off

Off

Off

Off

Off

Off

Off

Off

 

3FE000h

On

Off

Off

Off

Off

Off

Off

Off

Off

Off

 

3FF000h

Off

Off

Off

Off

Off

Off

Off

Off

Off

Off

Note: A total of 1024 base address settings are available. The switches are a binary representation of the decimal memory addresses. SW1/10 is the Most Significant Bit and switch SW1/1 is the Least Significant Bit. The switches have the following decimal values: SW1/10=2,097,152, SW1/9=1,048,576, SW1/8=524,288, SW1/7=262,144, SW1/6=131,072, SW1/5=65,536, SW1/4=32,768, SW1/3=16,384, SW1/2=8,192, SW1/1=4,096. Turn off the switches and add the values of the switches that are off to obtain the correct memory address. (Off=1, On=0)

DIAGNOSTIC LED(S)

The functions and colors of the LEDs are unidentified.