3COM CORPORATION

US ROBOTICS WINMODEM 28.8

Card Type

Fax, Modem (asynchronous)

Chip Set

U.S. Robotics

Maximum Data Rate

28.8Kbps

Maximum Fax Rate

14.4Kbps

Data Bus

8-bit ISA

Fax Class

Class I & II

Data Modulation Protocol

Bell 103/212A

ITU-T V.21, V.22, V.22bis, V.23, V.25, V.32, V.32bis, V.34

Fax Modulation Protocol

ITU-T V.17, V.21CH2, V.27ter, V.29

Error Correction/Compression

MNP5, V.42, V.42bis

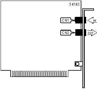
CONNECTIONS

Function

Label

Function

Label

Line in

CN1

Line out

CN2

Proprietary AT Command Set

ANSWER

Type:

Immediate

Format:

AT [cmds] A

Description:

Enables manual answer mode, the modem goes off-hook; pressing any key will abort.

ABORT

Type:

Immediate

Format:

Any key

Description:

Aborts answering/originating a call; modem hangs up.

ANSWER SEQUENCE

Type:

Configuration

Format:

AT [cmds] Bn [cmds]

Description:

Selects the answer sequence the modem will use

Command

Function

í B0

ITU-T answer sequence enabled

B1

U.S.(Bell) answer sequence enabled

ATTENTION

Type:

Immediate

Format:

AT [cmds]

Description:

Tells the modem that a command follows or use alone to test OK result code

BIT-MAPPED REGISTER S13

Format

AT [cmds] S13=n [cmds]

Default:

0

Range:

0-159

Unit:

Bit-mapped

Description:

Controls DTR reset, non-error-correcting mode buffer, DTR dialing, reset dialing, and disconnect.

Bit

Value

Function

0

í 0

1

DTR normal

Reset on low DTR

1

í 0

1

Non-error-correcting mode transmit buffer set to 1.5KB

Non-error-correcting mode transmit buffer set to 128 bytes

2

í 0

1

Use backspace key for delete disabled

Use backspace key for delete enabled

3

í 0

1

DTR dialing disabled

DTR dialing enabled

4

í 0

1

Reset dialing disabled

Reset dialing enabled, dials number at position 0 in NVRAM.

6, 5

í 00

Not used

7

í 0

1

Disconnect as normal

Disconnect on escape code

BIT-MAPPED REGISTER S15

Format

AT [cmds] S15=n [cmds]

Default:

0

Range:

0-255

Unit:

Bit-mapped

Description:

Controls ARQ/MNP for V.22/22bis/32/32bis/32terbo, V.42 detection, MNP4 and 3, and MNP incompatibility.

Bit

Value

Function

0

í 0

1

Error correction and data compression enabled for V.22

Error correction and data compression disabled for V.22

1

í 0

1

Error correction and data compression enabled for V.22bis

Error correction and data compression disabled for V.22bis

2

í 0

1

Error correction and data compression enabled for V.32/32bis/32terbo

Error correction and data compression disabled for V.32/32bis/32terbo

7, 3

í 00

V.42 detection disabled

4

í 0

1

MNP 4 enabled

MNP 4 disabled

5

í 0

1

MNP 3 enabled

MNP 3 disabled

6

í 0

1

MNP normal

MNP adjusted for non compliant modems

BIT-MAPPED REGISTER S27

Format

AT [cmds] S27=n [cmds]

Default:

0

Range:

0-191

Unit:

Bit-mapped

Description:

Controls V.21, V.32 encoding and modulation, V.42 answer tone and handshake, and 9600 result codes.

Bit

Value

Function

0

í 0

1

V.21 disabled

V.21 enabled

1

í 0

1

V.32 non-trellis coding disabled

V.32 non-trellis coding enabled

2

í 0

1

V.32 modulation enabled

V.32 modulation disabled

3

í 0

1

2100Hz answer tone enabled

2100Hz answer tone disabled

4

í 0

1

V.23 fallback mode disabled

V.23 fallback mode enabled

5

í 0

1

V.32bis enabled

V.32bis disabled

6

í 0

Not used

7

í 0

1

Actual result codes displayed

Force 9600 result codes

BIT-MAPPED REGISTER S32

Format:

AT [cmds] S32=n [cmds]

Default:

2

Range:

0-27

Description:

Controls call indicate, V.8, V.34, and 33.6Kbps support

Note: For 28.8 models

Bit

Value

Function

0

0

1

Call indicate during V.34 operation disabled

Call indicate during V.34 operation enabled

1

0

í 1

V.8 during V.34 operation disabled

V.8 during V.34 operation enabled

2

í 0

Not used

3

í 0

1

V.34 enabled

V.34 disabled

4

í 0

1

33.6Kbps support enabled

33.6Kbps support disabled

BIT-MAPPED REGISTER S33

Format:

AT [cmds] S33=n [cmds]

Default:

0

Range:

0-191

Description:

Controls baud rate and shaping.

Note: For 28.8 models

Bit

Value

Function

0

í 0

1

2400 baud rate enabled

2400 baud rate disabled

1

í 0

1

2743 baud rate enabled

2743 baud rate disabled

2

í 0

1

2800 baud rate enabled

2800 baud rate disabled

3

í 0

1

3000 baud rate enabled

3000 baud rate disabled

4

í 0

1

3200 baud rate enabled

3200 baud rate disabled

5

í 0

1

3429 baud rate enabled

3429 baud rate disabled

6

í 0

Not used

7

í 0

1

Shaping enabled

Shaping disabled

BIT-MAPPED REGISTER S34

Format:

AT [cmds] S34=n [cmds]

Default:

0

Range:

0-255

Description:

Controls mapping, non-linear coding, TX level deviation, pre-emphasis, and pre-coding.

Note: For 28.8 models

Bit

Value

Function

0

í 0

1

8S-2D map enabled

8S-2D map disabled

1

í 0

1

16S-4D map enabled

16S-4D map disabled

2

í 0

1

32S-2D map enabled

32S-2D map disabled

3

í 0

1

64S-4D map enabled

64S-4D map disabled

4

í 0

1

Non linear coding enabled

Non linear coding disabled

5

í 0

1

TX level deviation enabled

TX level deviation disabled

6

í 0

1

Pre-emphasis enabled

Pre-emphasis disabled

7

í 0

1

Pre-coding enabled

Pre-coding disabled

BREAK LENGTH

Type:

Register

Format:

AT [cmds] S21=n [cmds]

Default:

10

Range:

Unidentified

Unit:

.01 second

Description:

Sets the length of error control mode breaks sent from DCE to DTE.

BREAK TYPE

Type:

Configuration

Format:

AT [cmds] &Yn [cmds]

Description:

Configures action of break signal

Command

Function

&Y0

Empty buffer only

í &Y1

Empties buffer and break is sent immediately

&Y2

Do not empty buffer and break is sent immediately

CARRIER DETECT (CD)

Type:

Configuration

Format:

AT [cmds] &Cn [cmds]

Description:

Controls the CD signal

Command

Function

&C0

Modem does not respond to CD signal

í &C1

CD signal normal

COMPRESSION

Type:

Configuration

Format:

AT [cmds] &Kn [cmds]

Description:

Selects data compression

Command

Function

&K0

Data compression disabled

í &K1

Auto enabled/disable data compression

&K2

Data compression enabled

&K3

MNP5 data compression disabled

CONNECTION SPEED LOWER LIMIT

Type:

Configuration

Format:

AT [cmds] &Un [cmds]

Description:

Sets minimum required connection speed

Note: 16.8 - 28.8bps for 28.8 models

Command

Function

í &U0

Disabled

&U1

300bps

&U2

1200bps

&U3

2400bps

&U4

4800bps

&U5

7200bps

&U6

9600bps

&U7

12Kbps

&U8

14.4Kbps

&U9

16.8Kbps

&U10

19.2Kbps

&U11

21.6Kbps

&U12

24Kbps

&U13

26.4Kbps

&U14

28.8Kbps

CONNECTION SPEED UPPER LIMIT

Type:

Configuration

Format:

AT [cmds] &Nn [cmds]

Description:

Sets maximum required connection speed, modem will hang up if it cannot connect.

Note: 16.8 - 28.8bps for 28.8 models

Command

Function

í &N0

Variable

&N1

300bps

&N2

1200bps

&N3

2400bps

&N4

4800bps

&N5

7200bps

&N6

9600bps

&N7

12Kbps

&N8

14.4Kbps

&N9

16.8Kbps

&N10

19.2Kbps

&N11

21.6Kbps

&N12

24Kbps

&N13

26.4Kbps

&N14

28.8Kbps

DATA SET READY (DSR)

Type:

Configuration

Format:

AT [cmds] &Sn [cmds]

Description:

Selects DSR options

Command

Function

í &S0

DSR forced high

&S1

DSR controlled by modem

DATA TERMINAL READY (DTR)

Type:

Configuration

Format:

AT [cmds] &Dn [cmds]

Description:

Selects modem response to DTR

Command

Function

&D0

Modem does not respond to DTR

&D1

Modem goes to command mode after DTR toggles

í &D2

Modem uses DTR as normal

DIAL

Type:

Immediate

Format:

AT [cmds] D<#> [cmds]

Example:

ATDT 443-3388,,,1111;

Description:

Dials telephone number according to any modifiers included in the string

Note:

Any combination of modifiers can be used to produce the desired dial functions in sequence.

Command

Function

í P

Pulse dialing enabled

T

Tone dialing enabled

,

Dialing paused for 2 seconds to a maximum amount of time specified in S8 register

;

Modem returned to command state after dialing. Can only be placed at the end of the dial command.

"

Dials letters that follow, ATDT"GOMICRO

!

Flash function initiated

/

125 ms delay before proceeding with dial string

W

Dialing resumed following dial tone detection of second dial tone

@

Wait for quiet answer, then procedes to execute the rest of the dial string.

R

Answer mode enabled; originate mode disabled following handshake initiation.

# and *

Extended touch tone pad tones

DIAL - LAST NUMBER

Type:

Immediate

Format:

AT [cmds] DL [cmds]

Description:

Re-dial last number dialed

DIAL - STORED NUMBER

Type:

Immediate

Format:

AT [cmds] DSn [cmds]

Description:

Dial stored number from memory location n

DISCONNECT BUFFER DELAY

Type:

Register

Format

AT [cmds] S38=n [cmds]

Default:

0

Range:

Unidentified

Unit:

1 second

Description:

Sets maximum duration allowed during buffered data calls for modem to perform clearing functions after losing carrier-signal or receiving a clear call signal from the remote modem and before initiating hang-up process. A value of 0 will allow the modem to hanging-up after DTR drops.

DTR CHANGE THRESHOLD

Type:

Register

Format

AT [cmds] S25=n [cmds]

Default:

20

Range:

Unidentified

Unit:

.01 second

Description:

Sets maximum time a change in the DTR signal will be ignored

ECHO

Type:

Configuration

Format:

AT [cmds] En [cmds]

Description:

Controls echo function; display keyboard commands when enabled.

Command

Function

E0

Echo function disabled

í E1

Echo function enabled

ECHO - ON-LINE

Type:

Configuration

Format:

AT [cmds] Fn [cmds]

Description:

Selects whether data sent while in data mode are echoed

Command

Function

F0

Local echo enabled

í F1

Local echo disabled

ERROR CORRECTION MODE (ARQ)

Type:

Configuration

Format:

AT [cmds] &Mn [cmds]

Description:

Selects active error correction protocols

Command

Function

&M0

Normal mode only

í &M4

Auto-detect mode

&M5

ARQ mode only

ESCAPE SEQUENCE

Type:

Immediate

Format:

+++AT [cmds] <CR>

Description:

Initiates the escape sequence and returns the modem to the on-line command state if it receives three escape characters set in S2 within the time allotted by S12.

Note: Do not precede this command with AT.

EXTENDED RESULT CODES

Type:

Configuration

Format:

AT [cmds] &An [cmds]

Description:

Selects extended result codes

Command

Function

&A0

Extended result codes disabled

&A1

ARQ result codes enabled

&A2

ARQ result codes enabled and V.32 result code added

í &A3

Error control and compression result codes enabled

FACTORY DEFAULT PROFILE

Type:

Configuration

Format:

AT [cmds] &Fn [cmds]

Description:

Loads values in active profile to values found in the default profile, which are READ-ONLY.

Command

Function

&F0

Generic template

í &F1

Hardware flow control template

&F2

Software flow control template

FLOW CONTROL CHARACTER - XOFF

Type:

Register

Format:

AT [cmds] S23=n [cmds]

Default:

19

Range:

0-127

Unit:

ASCII

Description:

Sets the character used to represent XOFF.

FLOW CONTROL CHARACTER - XON

Type:

Register

Format:

AT [cmds] S22=n [cmds]

Default:

17

Range:

0-127

Unit:

ASCII

Description:

Sets the character used to represent XON.

FLOW CONTROL PASSTHROUGH

Type:

Configuration

Format:

AT [cmds] &In [cmds]

Description:

Allows modem to act on, then transmit XON/XOFF characters.

Command

Function

í &I0

Software flow control disabled

&I1

XON/XOFF pass-through enabled

&I2

XON/XOFF pass-through disabled

FLOW CONTROL TYPE - RECEIVE DATA

Type:

Configuration

Format:

AT [cmds] &Rn [cmds]

Description:

Controls receive data hardware flow control and RTS signals

Command

Function

&R1

Modem ignores RTS

í &R2

Received data to DTE when RTS is on

FLOW CONTROL TYPE - TRANSMIT DATA

Type:

Configuration

Format:

AT [cmds] &Hn [cmds]

Description:

Sets type of flow control used by modem

Command

Function

&H0

Flow control disabled

í &H1

CTS/RTS flow control enabled

&H2

XON/XOFF flow control enabled

&H3

CTS/RTS and XON/XOFF flow control enabled

GUARD TONE

Type:

Configuration

Format:

AT [cmds] &Gn [cmds]

Description:

Commands the modem to transmit a guard tone

Note: Used primarily for international data transmission

Command

Function

í &G0

Guard tone disabled

&G1

550Hz guard tone enabled

&G2

1800Hz guard tone enabled

HELP SCREEN - CONTROLS

Type:

Immediate

Format:

<Ctrl> C, K or S

Description:

Cancel or starts/restarts help screens

Command

Function

<Ctrl> C

Display of help screen canceled

<Ctrl> K

Display of help screen canceled

<Ctrl> S

Starts/restarts help screens

HOOK CONTROL

Type:

Immediate

Format:

AT [cmds] Hn [cmds]

Description:

Selects whether the modem is on-hook or off-hook

Command

Function

H0

Modem commanded to go on-hook (hang-up)

H1

Modem commanded to go off-hook (pick-up)

INACTIVITY TIMER

Type:

Register

Format:

AT [cmds] S19=n [cmds]

Default:

0

Range:

Unidentified

Unit:

1 minute

Description:

Sets the length of time that the modem does not receive information before it disconnects.

LIST AMPERSAND COMMANDS

Type:

Immediate

Format:

AT [cmds] &$ [cmds]

Description:

Displays ampersand (&) commands

LIST DIAL COMMANDS

Type:

Immediate

Format:

AT [cmds] D$ [cmds]

Description:

Displays dial commands

LIST S-REGISTERS

Type:

Immediate

Format:

AT [cmds] S$ [cmds]

Description:

Displays the S-registers

LOCK SERIAL PORT

Type:

Configuration

Format:

AT [cmds] &Bn [cmds]

Description:

Not used. Modem follows COM port speed if it changes, even while on-line.

ON-LINE

Type:

Immediate

Format:

AT [cmds] On [cmds]

Description:

Controls on-line command (data transmission) mode options.

Note: The O command must be placed at the end of the command string.

Command

Function

O0

On-line command mode with no retraining enabled

O1

On-line command mode with retraining enabled

ON-LINE HELP

Type:

Immediate

Format:

AT [cmds] $ [cmds]

Description:

On-line help; displays basic command list

POWER-UP/HARD RESET CONFIGURATIONS

Type:

Configuration

Format:

AT [cmds] Yn [cmds]

Description:

On power-up modem uses default profiles

Command

Function

í Y0

Use default setting 0 saved in non-volatile RAM

Y1

Use default setting 1 saved in non-volatile RAM

Y2

Generic template

Y3

Hardware flow control template

Y4

Software flow control template

PULSE DIALING

Type:

Configuration

Format:

AT [cmds] P [cmds]

Description:

Enables pulse dialing

Note: This command can be duplicated with the P modifier in the D (Dial) command.

PULSE DIALING RATIO

Type:

Configuration

Format:

AT [cmds] &Pn [cmds]

Description:

Selects pulse dial make/break ratio

Command

Function

í &P0

39/61ms at 10pps (North America)

&P1

33/67ms at 10pps (Europe)

REPEAT COMMAND STRING

Type:

Configuration

Format:

AT [cmds] A> [cmds]

Description:

Causes modem to repeat command string until a keyboard key is pressed

REPEAT PREVIOUS COMMAND

Type:

Immediate

Format:

A/

Description:

Repeats previous command, mainly used for re-dial

Note: Do not precede this command with AT, or follow it with <CR>.

REPORT INFORMATION

Type:

Immediate

Format:

AT [cmds] In [cmds]

Description:

Displays information requested

Command

Function

I0

Reports 4-digit product code

I1

Reports DSP code checksum

I2

Reports RAM test

I3

Reports product type

I4

Reports current command settings

I5

Reports NVRAM settings

I6

Reports link diagnostics

I7

Reports product configuration

I10

VxD configuration

RESULT CODES

Type:

Configuration

Format:

AT [cmds] Qn [cmds]

Description:

Enables modem to send result codes to the DTE

Command

Function

í Q0

Result code sending enabled

Q1

Result code sending disabled

Q2

Result code sending enabled while in originate mode

RESULT CODE FORMAT

Type:

Configuration

Format:

AT [cmds] Vn [cmds]

Description:

Selects word or numeric format for information-text and result codes

Command

Function

V0

Numeric format enabled

í V1

Verbose (word) format enabled

SELECT CALL PROGRESS RESULT CODES

Type:

Configuration

Format:

AT [cmds] Xn [cmds]

Description:

Enables selection of tone detection and associated result code format options

Command

Function

X0

Busy and dial tone detection disabled; result codes 0-4 enabled.

X1

Busy and dial tone detection disabled; result codes 0-5, 10-155 enabled.

X2

Busy tone detection disabled, dial tone detection enabled; result codes 0-6, 10-155 enabled; also adaptive dialing, wait for second dial tone, and fast dialing enabled.

X3

Busy tone detection enabled, dial tone detection disabled; result codes 0-5, 7-155 enabled; also adaptive dialing, and wait for answer enabled.

X4

Busy and dial tone detection enabled; result codes 0-155 enabled; also adaptive dialing, wait for second dial tone, wait for answer, and fast dialing enabled.

Note: Valid numeric result codes; 0-8, 10, 13, 18, 20, 21, 25, 43, 85, 91, 99, 103, 107, 151, and 155.

SOFT RESET

Type:

Immediate

Format:

AT [cmds] Zn [cmds]

Description:

Restores modem profiles previously saved in non-volatile RAM

Command

Function

Z0

Restore setting used by ATY command

Z1

Restore setting 0

Z2

Restore setting 1

Z3

Restore factory setting 0 (AT&F0)

Z4

Restore factory setting 1 (AT&F1)

Z5

Restore factory setting 2 (AT&F2)

SPEAKER MODE

Type:

Configuration

Format:

AT [cmds] Mn [cmds]

Description:

Selects various speaker options

Command

Function

M0

Speaker disabled

í M1

Speaker enabled until carrier signal detected

M2

Speaker enabled

M3

Speaker enabled following dialing, then disabled after carrier signal detected.

SPEAKER VOLUME

Type:

Configuration

Format:

AT [cmds] Ln [cmds]

Description:

Controls speaker volume

Command

Function

L0

Low volume setting

L1

Low volume setting

í L2

Medium volume setting

L3

Highest volume setting

STATUS-REGISTER

Type:

Configuration

Format:

Read: AT [cmds] Sn? [cmds]

Write: AT [cmds] Sn=x [cmds]

Description:

Writes to or reads from a specified register

Note: See the section on S-registers for detailed listing of commonly used S-registers.

Command

Function

Sn.b=x

Write to register bit b using values 0 (off) and 1 (on) for x

STORE ACTIVE PROFILE

Type:

Configuration

Format:

AT [cmds] &Wn [cmds]

Description:

Writes the values for the active profile into the non-volatile RAM templates

Command

Function

&W0

Write the active profile to stored profile 0

&W1

Write the active profile to stored profile 1

STORE TELEPHONE NUMBER

Type:

Configuration

Format:

AT [cmds] &Zn=x

Description:

Writes selected telephone numbers into the non-volatile memory at location n

Note: The characters described in the D command are valid for use in the &Z command.

Command

Function

&Zn=L

Writes last executed dial string into the non-volatile memory at location n

&Zn?

Displays phone number from non-volatile memory at location n

TEST MODES

Type:

Configuration

Format:

AT [cmds] &Tn [cmds]

Description:

Controls loopback tests, analog, digital, remote digital, and self tests.

Command

Function

&T0

Testing disabled

&T1

Local analog loopback enabled

&T3

Local digital loopback enabled

&T4

Remote digital loopback enabled

í &T5

Remote digital loopback prohibited

&T6

Remote digital loopback initiated

&T7

Remote digital loopback w/ self-test and error detector in progress

&T8

Local analog loopback w/ self-test and error detector in progress

TEST TIMER

Type:

Register

Format

AT [cmds] S18=n [cmds]

Default:

0

Range:

0-255

Unit:

1 second

Description:

Sets the maximum duration for modem tests

Note: S18=0 disables the timer and allows an indefinite duration.

TONE DIALING

Type:

Configuration

Format:

AT [cmds] T [cmds]

Description:

Enables tone dialing mode

Note: This command can be duplicated with the T modifier in the D (Dial) command.

TONE DIALING TEST

Type:

Register

Format:

AT [cmds] S16=n [cmds]

Description:

Selects the tone dialing test

Command

Function

í S16=0

Tone dialing test disabled

S16=2

Tone dialing test enabled

V.21 - ANSWER MODE FALLBACK TIMER

Type:

Register

Format:

AT [cmds] S29=n [cmds]

Default:

20

Range:

Unidentified

Unit:

.1 second

Description:

Sets the length of time for V.21 answer mode fallback

V.32 HANDSHAKE TIME

Type:

Register

Format:

AT [cmds] S28=n [cmds]

Default:

8

Range:

0-255

Unit:

.1 second

Description:

Sets length of V.32 handshake

Value

Meaning

0

V.32 answer tones disabled

255

V.32 at 9600 enabled, all other connections disabled.