3COM CORPORATION

US ROBOTICS 1200PC

Modem Type

Data (synchronous/asynchronous)

Maximum Data Rate

1200bps

Data Bus

8-bit ISA

Data Modulation Protocol

Bell 103A/212A

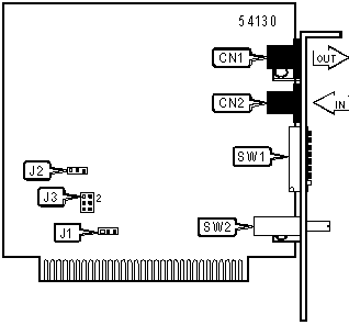
CONNECTIONS

Purpose

Location

Purpose

Location

Line out

CN1

Volume

SW2

Line in

CN2

   

DTR SIGNAL

Setting

SW1/1

» DTR forced high

On

DTR normal

Off

RESULT CODES

Setting

SW1/2

» Verbose result codes enabled

Off

Numeric result codes enabled

On

RESULT CODES DISPLAY

Setting

SW1/3

» Display enabled

On

Display disabled

Off

ECHO COMMANDS DISPLAY

Setting

SW1/4

» Local echo enabled

Off

Local echo disabled

On

AUTO ANSWER

Setting

SW1/5

» Modem does not answer on first ring

On

Modem answers on first ring

Off

CARRIER DETECT

Setting

SW1/6

» CD normal

Off

CD forced high

On

MULTLINE INSTALLATION

Setting

SW1/7

» Single phone connected

Off

Multiple phones connected

On

AT COMMAND SET

Setting

SW1/8

» AT command set recognized

On

AT command set disabled

Off

COM PORT CONFIGURATION

Port

J1

J2

COM1: (3F8h)

Pins 1 & 2 closed

Pins 1 & 2 closed

COM2: (3E8h)

Pins 2 & 3 closed

Pins 1 & 2 closed

COM3: (2F8h)

Pins 1 & 2 closed

Pins 2 & 3 closed

COM4: (2E8h)

Pins 2 & 3 closed

Pins 2 & 3 closed

INTERRUPT SELECTION

IRQ

J3

3

Pins 3 & 5 closed

4

Pins 1 & 3 closed

5

Pins 2 & 4 closed

7

Pins 4 & 6 closed

Disabled

Open

Proprietary AT Command Set

ANALOG LOOPBACK SELF TEST

Type:

Register

Format:

AT [cmds] S16=n [cmds]

Example:

ATS16=139<CR>

Description:

Selects the tone dialing test.

Command

Function

0

Data mode.

1

Analog loopback.

2

Dial testing.

4

Test pattern.

5

Analog loopback and test pattern.