CABLETRON SYSTEMS, INC.

E4030 (FIBER ST/AUI)

Card Type

Network Interface Card

NIC Type

Ethernet

Maximum Onboard Memory

Unidentified

Boot ROM

Not available

Network Transfer Rate

10Mbps

Topology

Linear Bus

Wiring Type

Fiber optic cable, AUI transceiver via DB-15 port

Data Bus

None

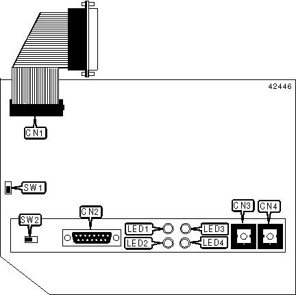
CONNECTIONS

Function

Label

Function

Label

24 wire ribbon connector to control board

CN1

ST connector

CN3

AUI connector

CN2

ST connector

CN4

USER CONFIGURABLE SETTINGS

Function

Label

Position

 

SQE enabled

SW1

On

»

SQE disabled

SW1

Off

CABLE TYPE SELECTION

Type

SW2

AUI transceiver via DB-15 port

Off

Fiber optic cable

On

DIAGNOSTIC LED(S)

LED

Color

Status

Condition

LED1

Yellow

Blinking

Data is being received

LED1

Yellow

Off

Data is not being received

LED2

Green

Blinking

Connection error detected

LED2

Green

On

Power is on, Network connection is good (RJ-45 connector)

LED2

Green

Off

Power is off, Network connection is broken (RJ-45 connector)

LED3

Green

Blinking

Data is being transmitted

LED3

Green

Off

Data is not being transmitted

LED4

Red

Blinking

Collision detected on network

LED4

Red

Off

No collision detected on network