ACCULAN CORPORATION

EN-2000PNP

NIC Type

Ethernet

Network Transfer Rate

10Mbps

Data Bus

16-bit ISA

Topology

Linear Bus, Star

Wiring Type

Unshielded twisted pair

RG-58A/U 50ohm coaxial

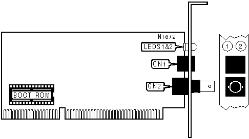
Boot ROM

Available

CONNECTIONS

Function

Label

Function

Label

Unshielded twisted pair port

CN1

RG-58A/U 50ohm coaxial port

CN2

DIAGNOSTIC LED(S)

LED

Status

Condition

LED1

On

10Base-T network connection is good

LED1

Off

10Base-T network connection is broken

LED2

Blinking

Data is being transmitted/received

LED2

Off

Data is not being transmitted/received