ADDTRON TECHNOLOGY COMPANY, LTD.
ARC 110HI
|
NIC Type |
ARCnet |
|
Transfer Rate |
2.5Mbps |
|
Data Bus |
8-bit ISA |
|
Topology |
Star Linear Bus |
|
Wiring Type |
RG-62A/U 93ohm coaxial |
|
Boot ROM |
Available |

|
NODE ADDRESS |
||||||||
|
Node |
SW1/1 |
SW1/2 |
SW1/3 |
SW1/4 |
SW1/5 |
SW1/6 |
SW1/7 |
SW1/8 |
|
0 |
- |
- |
- |
- |
- |
- |
- |
- |
|
1 |
Off |
On |
On |
On |
On |
On |
On |
On |
|
2 |
On |
Off |
On |
On |
On |
On |
On |
On |
|
3 |
Off |
Off |
On |
On |
On |
On |
On |
On |
|
4 |
On |
On |
Off |
On |
On |
On |
On |
On |
|
251 |
Off |
Off |
On |
Off |
Off |
Off |
Off |
Off |
|
252 |
On |
On |
Off |
Off |
Off |
Off |
Off |
Off |
|
253 |
Off |
On |
Off |
Off |
Off |
Off |
Off |
Off |
|
254 |
On |
Off |
Off |
Off |
Off |
Off |
Off |
Off |
|
255 |
Off |
Off |
Off |
Off |
Off |
Off |
Off |
Off |
|
Note:Node address 0 is used for messaging between nodes and must not be used. A total of 255 node address settings are available. The switches are a binary representation of the decimal node addresses. Switch 1 is the Least Significant Bit and switch 8 is the Most Significant Bit. The switches have the following decimal values: switch 1=1, 2=2, 3=4, 4=8, 5=16, 6=32, 7=64, 8=128. Turn off the switches and add the values of the off switches to obtain the correct node address. (On=0, Off=1) |
||||||||
|
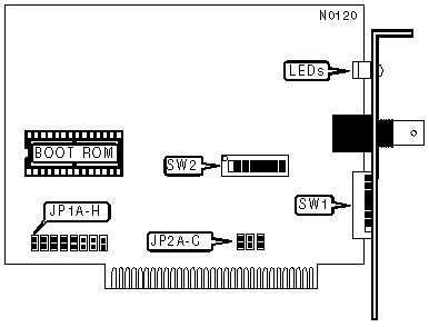
BOOT ROM |
||
|
Setting |
JP1A |
|
|
» |
Disabled |
Open |
|
|
Enabled |
Closed |
|
CABLE LENGTH AND RESPONSE/RECONFIGURATION TIMEOUTS |
|||||
|
Cable Length |
Response Time |
Reconfiguration |
JP1B |
JP1C |
|
|
» |
< 20,000 feet |
74.7µs |
840ms |
Open |
Open |
|
|
> 20,000 feet |
283.4µs |
1680ms |
Open |
Closed |
|
|
> 20,000 feet |
561.8µs |
1680ms |
Closed |
Open |
|
|
> 20,000 feet |
1118.6µs |
1680ms |
Closed |
Closed |
|
Note: All NICs on the network must have this option set the same. |
|||||
|
INTERRUPT REQUEST |
||||||
|
IRQ |
JP1D |
JP1E |
JP1F |
JP1G |
JP1H |
|
|
» |
2/9 |
Closed |
Open |
Open |
Open |
Open |
|
|
3 |
Open |
Closed |
Open |
Open |
Open |
|
|
4 |
Open |
Open |
Closed |
Open |
Open |
|
|
5 |
Open |
Open |
Open |
Closed |
Open |
|
|
7 |
Open |
Open |
Open |
Open |
Closed |
|
ONBOARD TERMINATOR |
|||
|
Setting |
JP2C |
||
|
» |
Enabled |
Closed |
|
|
|
Disabled |
Open |
|
|
|
Notes:If the card is on either end of the network segment, the onboard terminator may be used instead |
||
|
DIAGNOSTIC LED(S) |
||
|
Color |
Status |
Condition |
|
Green |
On |
Network connection is good |
|
Green |
Off |
Network connection is broken |
|
Red |
On |
Data is being transmitted/received. |
|
Red |
Off |
Data is not being transmitted/received. |
|
I/O BASE ADDRESS |
||||
|
Address |
SW2/6 |
SW2/7 |
SW2/8 |
|
|
» |
2E0h-2EFh |
On |
Off |
On |
|
|
260h-26Fh |
On |
On |
On |
|
|
290h-29Fh |
Off |
On |
On |
|
|
2F0h-2FFh |
Off |
Off |
On |
|
|
300h-30Fh |
On |
On |
Off |
|
|
350h-35Fh |
Off |
On |
Off |
|
|
380h-38Fh |
On |
Off |
Off |
|
|
3E0h-3EFh |
Off |
Off |
Off |
|
BASE MEMORY ADDRESS & BOOT ROM ADDRESS |
|||||||
|
Base Address |
Boot ROM Address |
SW2/1 |
SW2/2 |
SW2/3 |
SW2/4 |
SW2/5 |
|
|
» |
D0000h-D07FFh |
D2000h-D3FFFh |
Closed |
Closed |
Open |
Open |
Closed |
|
|
C0000h-C07FFh |
C2000h-C3FFFh |
Closed |
Closed |
Closed |
Closed |
Closed |
|
|
C0800h-C0FFFh |
C2000h-C3FFFh |
Open |
Closed |
Closed |
Closed |
Closed |
|
|
C1000h-C17FFh |
C2000h-C3FFFh |
Closed |
Open |
Closed |
Closed |
Closed |
|
|
C1800h-C1FFFh |
C2000h-C3FFFh |
Open |
Open |
Closed |
Closed |
Closed |
|
|
C4000h-C47FFh |
C6000h-C7FFFh |
Closed |
Closed |
Open |
Closed |
Closed |
|
|
C4800h-C4FFFh |
C6000h-C7FFFh |
Open |
Closed |
Open |
Closed |
Closed |
|
|
C5000h-C57FFh |
C6000h-C7FFFh |
Closed |
Open |
Open |
Closed |
Closed |
|
|
C5800h-C5FFFh |
C6000h-C7FFFh |
Open |
Open |
Open |
Closed |
Closed |
|
|
CC000h-CC7FFh |
CE000h-CFFFFh |
Closed |
Closed |
Closed |
Open |
Closed |
|
|
CC800h-CCFFFh |
CE000h-CFFFFh |
Open |
Closed |
Closed |
Open |
Closed |
|
|
CD000h-CD7FFh |
CE000h-CFFFFh |
Closed |
Open |
Closed |
Open |
Closed |
|
|
CD800h-CDFFFh |
CE000h-CFFFFh |
Open |
Open |
Closed |
Open |
Closed |
|
|
D0800h-D0FFFh |
D2000h-D3FFFh |
Open |
Closed |
Open |
Open |
Closed |
|
|
D1000h-D17FFh |
D2000h-D3FFFh |
Closed |
Open |
Open |
Open |
Closed |
|
|
D1800h-D1FFFh |
D2000h-D3FFFh |
Open |
Open |
Open |
Open |
Closed |
|
|
D4000h-D47FFh |
D6000h-D7FFFh |
Closed |
Closed |
Closed |
Closed |
Open |
|
|
D4800h-D4FFFh |
D6000h-D7FFFh |
Open |
Closed |
Closed |
Closed |
Open |
|
|
D5000h-D57FFh |
D6000h-D7FFFh |
Closed |
Open |
Closed |
Closed |
Open |
|
|
D5800h D5FFFh |
D6000h-D7FFFh |
Open |
Open |
Closed |
Closed |
Open |
|
|
D8000h-D87FFh |
DA000h-DBFFFh |
Closed |
Closed |
Open |
Closed |
Open |
|
|
D8800h-D8FFFh |
DA000h-DBFFFh |
Open |
Closed |
Open |
Closed |
Open |
|
|
D9000h-D97FFh |
DA000h-DBFFFh |
Closed |
Open |
Open |
Closed |
Open |
|
|
D9800h-D9FFFh |
DA000h-DBFFFh |
Open |
Open |
Open |
Closed |
Open |
|
|
DC000h-DC7FFh |
DE000h-DFFFFh |
Closed |
Closed |
Closed |
Open |
Open |
|
|
DC800h-DCFFFh |
DE000h-DFFFFh |
Open |
Closed |
Closed |
Open |
Open |
|
|
DD000h-DD7FFh |
DE000h-DFFFFh |
Closed |
Open |
Closed |
Open |
Open |
|
|
DD800h-DDFFFh |
DE000h-DFFFFh |
Open |
Open |
Closed |
Open |
Open |
|
|
E0000h-E07FFh |
E2000h-E3FFFh |
Closed |
Closed |
Open |
Open |
Open |
|
|
E0800h-E0FFFh |
E2000h-E3FFFh |
Open |
Closed |
Open |
Open |
Open |
|
|
E1000h-E17FFh |
E2000h-E3FFFh |
Closed |
Open |
Open |
Open |
Open |
|
|
E1800h-E1FFFh |
E2000h-E3FFFh |
Open |
Open |
Open |
Open |
Open |
|
FACTORY CONFIGURED SETTINGS - DO NOT ALTER |
|
|
Jumper |
Setting |
|
JP2A |
Open |
|
JP2B |
Closed |