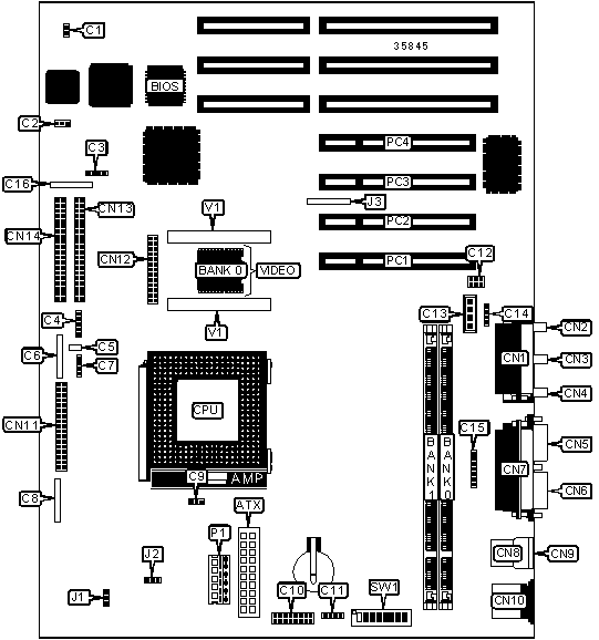
SIEMENS NIXDORF

SYSTEM BOARD D1042

Device Type

Mainboard

Processor

AM K6/Pentium MMX

Processor Speed

166/200/233MHz

Chip Set

Unidentified

Video Chip Set

Matrox

Maximum Onboard Memory

256MB (SDRAM supported)

Maximum Video Memory

8MB

Cache

512KB

BIOS

Unidentified

Dimensions

305mm x 244mm

I/O Options

32-bit PCI slots (4), floppy drive interface, game/MIDI port, IDE interfaces (2), parallel port, PS/2 mouse port, serial port, IR connector, USB connectors (2), ATX power connector, line in, line out, microphone in, audio in – CD-ROM, wake on LAN connector

CONNECTIONS

Purpose

Location

Purpose

Location

ATX power connector

ATX

Game/MIDI port

CN1

Chassis fan power

C1

Line in

CN2

Wake on LAN connector

C2

Line out

CN3

Speaker

C3

Microphone in

CN4

IR connector

C4

VGA port

CN5

Soft off power supply

C5

Serial port

CN6

Front panel connector

C6

Parallel port

CN7

SCSI interface LED

C7

USB connector 1

CN8

Front panel connector

C8

USB connector 2

CN9

CPU fan power

C9

PS/2 mouse port

CN10

Chipcard connector

C10

Floppy drive interface

CN11

Chassis intrusion connector

C11

VGA feature connector

CN12

Modem connector

C12

IDE interface 1

CN13

Audio in – CD-ROM

C13

IDE interface 2

CN14

Auxiliary in connector

C14

32-bit PCI slots

PC1 – PC4

Cover detection connector

C15

3.3v power

P1

I2C connector

C16

   

USER CONFIGURABLE SETTINGS

Function

Label

Position

»

Factory configured - do not alter

J2

Unidentified

»

Factory configured - do not alter

J3

Unidentified

»

BIOS normal operation

SW1/5

Off

 

BIOS recovery mode

SW1/5

On

»

Factory configured - do not alter

SW1/6

Off

»

Factory configured - do not alter

SW1/7

Unidentified

»

Floppy drive write protect disabled

SW1/8

Off

 

Floppy drive write protect enabled

SW1/8

On

DIMM CONFIGURATION

Size

Bank 0

Bank 1

8MB

(1) 1M x 64

None

16MB

(1) 2M x 64

None

16MB

(1) 1M x 64

(1) 1M x 64

SIMM CONFIGURATION (CON’T)

Size

Bank 0

Bank 1

24MB

(1) 2M x 64

(1) 1M x 64

32MB

(1) 4M x 64

None

32MB

(1) 2M x 64

(1) 2M x 64

40MB

(1) 4M x 64

(1) 1M x 64

48MB

(1) 4M x 64

(1) 2M x 64

64MB

(1) 8M x 64

None

64MB

(1) 4M x 64

(1) 4M x 64

72MB

(1) 8M x 64

(1) 1M x 64

80MB

(1) 8M x 64

(1) 2M x 64

96MB

(1) 8M x 64

(1) 4M x 64

128MB

(1) 16M x 64

None

128MB

(1) 8M x 64

(1) 8M x 64

136MB

(1) 16M x 64

(1) 1M x 64

144MB

(1) 16M x 64

(1) 2M x 64

160MB

(1) 16M x 64

(1) 4M x 64

192MB

(1) 16M x 64

(1) 8M x 64

256MB

(1) 16M x 64

(1) 16M x 64

Note: Board accepts SDRAM memory.

CACHE CONFIGURATION

Note: The location of the cache is unidentified.

VIDEO MEMORY CONFIGURATION

Size

Bank 0

V1

2MB

2MB

None

4MB

2MB

2MB module installed

8MB

2MB

6MB module installed

CPU SPEED SELECTION (AM K6)

CPU speed

Clock speed

Multiplier

SW1/1

SW1/2

SW1/3

SW1/4

166MHz

66MHz

2.5x

On

Off

On

On

200MHz

66MHz

3x

On

Off

Off

On

233MHz

66MHz

3.5x

On

Off

Off

Off

CPU SPEED SELECTION (INTEL MMX)

CPU speed

Clock speed

Multiplier

SW1/1

SW1/2

SW1/3

SW1/4

166MHz

66MHz

2.5x

On

Off

On

On

200MHz

66MHz

3x

On

Off

Off

On

233MHz

66MHz

3.5x

On

Off

Off

Off

CPU TYPE SELECTION

Type

J1

AM K6-166/200

Pins 1 & 2 closed

AM K6-233

Pins 2 & 3 closed

Intel

Open