SOYO COMPUTER CO., LTD.
SY-5EMA+
|
Device Type |
Mainboard |
|
Processor |
CX 6X86/CX 686MX/CX MII/AM K5/AM K6/AM K6-2/Pentium/ Pentium MMX |
|
Processor Speed |
100/133/166/200/233/266/300/333/350MHz |
|
Chip Set |
ETEQ |
|
Maximum Onboard Memory |
768MB (EDO & SDRAM supported) |
|
Cache |
512/1024KB |
|
BIOS |
Award |
|
Dimensions |
305mm x 244mm |
|
I/O Options |
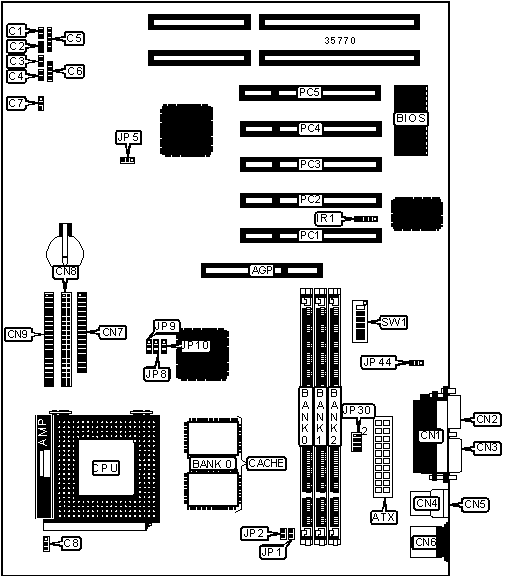
32-bit PCI slots (5), floppy drive interface, IDE interfaces (2), parallel port, PS/2 mouse port, serial ports (2), IR connector, USB connectors (2), ATX power connector, AGP slot, wake on LAN connector |
|
CONNECTIONS | |||
|
Purpose |
Location |
Purpose |
Location |
|
AGP slot |
AGP |
Serial port 2 |
CN2 |
|
ATX power connector |
ATX |
Serial port 1 |
CN3 |
|
Reset switch |
C1 |
USB connector 1 |
CN4 |
|
Soft off power supply |
C2 |
USB connector 2 |
CN5 |
|
Turbo LED |
C3 |
PS/2 mouse port |
CN6 |
|
IDE interface LED |
C4 |
Floppy drive interface |
CN7 |
|
Power LED & keylock |
C5 |
IDE interface 2 |
CN8 |
|
Speaker |
C6 |
IDE interface 1 |
CN9 |
|
Chassis fan power |
C7 |
IR connector |
IR1 |
|
CPU fan power |
C8 |
Wake on LAN connector |
JP44 |
|
Parallel port |
CN1 |
32-bit PCI slots |
PC1 – PC5 |
|
USER CONFIGURABLE SETTINGS | |||
|
Function |
Label |
Position | |
|
» |
CMOS memory normal operation |
JP5 |
Pins 1 & 2 closed |
|
CMOS memory clear |
JP5 |
Pins 2 & 3 closed | |
|
DIMM CONFIGURATION | |||
|
Size |
Bank 0 |
Bank 1 |
Bank 2 |
|
8MB |
(1) 1M x 64 |
None |
None |
|
16MB |
(1) 1M x 64 |
(1) 1M x 64 |
None |
|
16MB |
(1) 2M x 64 |
None |
None |
|
24MB |
(1) 1M x 64 |
(1) 1M x 64 |
(1) 1M x 64 |
|
32MB |
(1) 2M x 64 |
(1) 2M x 64 |
None |
|
32MB |
(1) 4M x 64 |
None |
None |
|
48MB |
(1) 2M x 64 |
(1) 2M x 64 |
(1) 2M x 64 |
|
64MB |
(1) 4M x 64 |
(1) 4M x 64 |
None |
|
64MB |
(1) 8M x 64 |
None |
None |
|
96MB |
(1) 4M x 64 |
(1) 4M x 64 |
(1) 4M x 64 |
|
128MB |
(1) 8M x 64 |
(1) 8M x 64 |
None |
|
128MB |
(1) 16M x 64 |
None |
None |
|
164MB |
(1) 16M x 64 |
(1) 1M x 64 |
None |
|
144MB |
(1) 16M x 64 |
(1) 1M x 64 |
(1) 1M x 64 |
|
144MB |
(1) 16M x 64 |
(1) 2M x 64 |
None |
|
DIMM CONFIGURATION (CON’T) | |||
|
Size |
Bank 0 |
Bank 1 |
Bank 2 |
|
160MB |
(1) 16M x 64 |
(1) 2M x 64 |
(1) 2M x 64 |
|
160MB |
(1) 16M x 64 |
(1) 4M x 64 |
None |
|
192MB |
(1) 16M x 64 |
(1) 4M x 64 |
(1) 4M x 64 |
|
192MB |
(1) 16M x 64 |
(1) 8M x 64 |
None |
|
192MB |
(1) 8M x 64 |
(1) 8M x 64 |
(1) 8M x 64 |
|
256MB |
(1) 16M x 64 |
(1) 8M x 64 |
(1) 8M x 64 |
|
256MB |
(1) 16M x 64 |
(1) 16M x 64 |
None |
|
256MB |
(1) 32M x 64 |
None |
None |
|
272MB |
(1) 32M x 64 |
(1) 2M x 64 |
None |
|
288MB |
(1) 32M x 64 |
(1) 2M x 64 |
(1) 2M x 64 |
|
288MB |
(1) 32M x 64 |
(1) 4M x 64 |
None |
|
320MB |
(1) 32M x 64 |
(1) 4M x 64 |
(1) 4M x 64 |
|
320MB |
(1) 32M x 64 |
(1) 8M x 64 |
None |
|
384MB |
(1) 32M x 64 |
(1) 8M x 64 |
(1) 8M x 64 |
|
384MB |
(1) 32M x 64 |
(1) 16M x 64 |
None |
|
384MB |
(1) 16M x 64 |
(1) 16M x 64 |
(1) 16M x 64 |
|
512MB |
(1) 32M x 64 |
(1) 16M x 64 |
(1) 16M x 64 |
|
512MB |
(1) 32M x 64 |
(1) 32M x 64 |
None |
|
768MB |
(1) 32M x 64 |
(1) 32M x 64 |
(1) 32M x 64 |
|
Note: Board accepts EDO & SDRAM memory. | |||
|
DIMM FREQUENCY CONFIGURATION | |||||
|
CPU bus clock |
AGP bus clock |
SDRAM clock |
JP8 |
JP9 |
JP10 |
|
66MHz |
66MHz |
66MHz |
2 & 3 |
2 & 3 |
1 & 2 |
|
75MHz |
75MHz |
75MHz |
2 & 3 |
2 & 3 |
1 & 2 |
|
83MHz |
55MHz |
55MHz |
1 & 2 |
1 & 2 |
2 & 3 |
|
83MHz |
55MHz |
83MHz |
1 & 2 |
2 & 3 |
1 & 2 |
|
95MHz |
63MHz |
63MHz |
1 & 2 |
1 & 2 |
2 & 3 |
|
95MHz |
63MHz |
95MHz |
1 & 2 |
2 & 3 |
1 & 2 |
|
100MHz |
66MHz |
66MHz |
1 & 2 |
1 & 2 |
2 & 3 |
|
100MHz |
66MHz |
100MHz |
1 & 2 |
2 & 3 |
1 & 2 |
|
112MHz |
75MHz |
75MHz |
1 & 2 |
1 & 2 |
2 & 3 |
|
112MHz |
75MHz |
112MHz |
1 & 2 |
2 & 3 |
1 & 2 |
|
124MHz |
82MHz |
82MHz |
1 & 2 |
1 & 2 |
2 & 3 |
|
124MHz |
82MHz |
124MHz |
1 & 2 |
2 & 3 |
1 & 2 |
|
Note: Pins designated should be in the closed position. | |||||
|
CACHE CONFIGURATION | |
|
Size |
Bank 0 |
|
512KB |
(2) 64K x 32 |
|
1MB |
(2) 128K x 32 |
|
CPU SPEED SELECTION (CX 6X86) | ||||||||
|
CPU speed |
Clock speed |
Multiplier |
SW1/1 |
SW1/2 |
SW1/3 |
SW1/4 |
SW1/5 |
SW1/6 |
|
166MHz |
66MHz |
2x |
On |
Off |
Off |
Off |
Off |
Off |
|
200MHz |
75MHz |
2x |
On |
Off |
Off |
Off |
On |
Off |
|
CPU SPEED SELECTION (CX 6X86MX) | ||||||||
|
CPU speed |
Clock speed |
Multiplier |
SW1/1 |
SW1/2 |
SW1/3 |
SW1/4 |
SW1/5 |
SW1/6 |
|
166MHz |
66MHz |
2x |
On |
Off |
Off |
Off |
Off |
Off |
|
200MHz |
66MHz |
2.5x |
On |
On |
Off |
Off |
Off |
Off |
|
200MHz |
75MHz |
2x |
On |
Off |
Off |
Off |
On |
Off |
|
233MHz |
75MHz |
2.5x |
On |
On |
Off |
Off |
On |
Off |
|
266MHz |
83MHz |
2.5x |
On |
On |
Off |
On |
On |
Off |
|
CPU SPEED SELECTION (CX MII) | ||||||||
|
CPU speed |
Clock speed |
Multiplier |
SW1/1 |
SW1/2 |
SW1/3 |
SW1/4 |
SW1/5 |
SW1/6 |
|
300MHz |
66MHz |
3.5x |
Off |
Off |
Off |
Off |
Off |
Off |
|
300MHz |
75MHz |
3x |
Off |
On |
Off |
Off |
On |
Off |
|
333MHz |
66MHz |
4x |
On |
Off |
On |
Off |
Off |
Off |
|
333MHz |
75MHz |
3.5x |
Off |
Off |
Off |
Off |
On |
Off |
|
333MHz |
83MHz |
3x |
Off |
On |
Off |
On |
On |
Off |
|
333MHz |
100MHz |
2.5x |
On |
On |
Off |
Off |
Off |
On |
|
350MHz |
100MHz |
3x |
Off |
On |
Off |
Off |
Off |
On |
|
CPU SPEED SELECTION (AM K5) | ||||||||
|
CPU speed |
Clock speed |
Multiplier |
SW1/1 |
SW1/2 |
SW1/3 |
SW1/4 |
SW1/5 |
SW1/6 |
|
100MHz |
66MHz |
1.5x |
Off |
Off |
Off |
Off |
Off |
Off |
|
133MHz |
66MHz |
2x |
On |
Off |
Off |
Off |
Off |
Off |
|
166MHz |
66MHz |
2.5x |
On |
On |
Off |
Off |
Off |
Off |
|
CPU SPEED SELECTION (AM K6) | ||||||||
|
CPU speed |
Clock speed |
Multiplier |
SW1/1 |
SW1/2 |
SW1/3 |
SW1/4 |
SW1/5 |
SW1/6 |
|
166MHz |
66MHz |
2.5x |
On |
On |
Off |
Off |
Off |
Off |
|
200MHz |
66MHz |
3x |
Off |
On |
Off |
Off |
Off |
Off |
|
233MHz |
66MHz |
3.5x |
Off |
Off |
Off |
Off |
Off |
Off |
|
266MHz |
66MHz |
4x |
On |
Off |
On |
Off |
Off |
Off |
|
300MHz |
66MHz |
4.5x |
On |
On |
On |
Off |
Off |
Off |
|
CPU SPEED SELECTION (AM K6-2) | ||||||||
|
CPU speed |
Clock speed |
Multiplier |
SW1/1 |
SW1/2 |
SW1/3 |
SW1/4 |
SW1/5 |
SW1/6 |
|
266MHz |
66MHz |
4x |
On |
Off |
On |
Off |
Off |
Off |
|
300MHz |
100MHz |
3x |
Off |
On |
Off |
Off |
Off |
On |
|
333MHz |
95MHz |
3.5x |
Off |
Off |
Off |
On |
Off |
On |
|
350MHz |
100MHz |
3.5x |
Off |
Off |
Off |
Off |
Off |
On |
|
CPU SPEED SELECTION (INTEL) | ||||||||
|
CPU speed |
Clock speed |
Multiplier |
SW1/1 |
SW1/2 |
SW1/3 |
SW1/4 |
SW1/5 |
SW1/6 |
|
100MHz |
66MHz |
1.5x |
Off |
Off |
Off |
Off |
Off |
Off |
|
133MHz |
66MHz |
2x |
On |
Off |
Off |
Off |
Off |
Off |
|
166MHz |
66MHz |
2.5x |
On |
On |
Off |
Off |
Off |
Off |
|
200MHz |
66MHz |
3x |
Off |
On |
Off |
Off |
Off |
Off |
|
CPU SPEED SELECTION (INTEL MMX) | ||||||||
|
CPU speed |
Clock speed |
Multiplier |
SW1/1 |
SW1/2 |
SW1/3 |
SW1/4 |
SW1/5 |
SW1/6 |
|
166MHz |
66MHz |
2.5x |
On |
On |
Off |
Off |
Off |
Off |
|
200MHz |
66MHz |
3x |
Off |
On |
Off |
Off |
Off |
Off |
|
233MHz |
66MHz |
3.5x |
Off |
Off |
Off |
Off |
Off |
Off |
|
CPU VOLTAGE SELECTION | ||
|
Setting |
JP1 |
JP2 |
|
Single |
Closed |
Open |
|
Dual |
Open |
Closed |
|
CPU VOLTAGE SELECTION | ||||
|
Voltage |
JP30/pins 1 & 2 |
JP30/pins 3 & 4 |
JP30/pins 5 & 6 |
JP30/pins 7 & 8 |
|
2.0 |
Open |
Open |
Open |
Open |
|
2.1 |
Closed |
Open |
Open |
Open |
|
2.2 |
Open |
Closed |
Open |
Open |
|
2.3 |
Closed |
Closed |
Open |
Open |
|
2.4 |
Open |
Open |
Closed |
Open |
|
2.5 |
Closed |
Open |
Closed |
Open |
|
2.6 |
Open |
Closed |
Closed |
Open |
|
2.7 |
Closed |
Closed |
Closed |
Open |
|
2.8 |
Open |
Open |
Open |
Closed |
|
2.9 |
Closed |
Open |
Open |
Closed |
|
3.0 |
Open |
Closed |
Open |
Closed |
|
3.1 |
Closed |
Closed |
Open |
Closed |
|
3.2 |
Open |
Open |
Closed |
Closed |
|
3.3 |
Closed |
Open |
Closed |
Closed |
|
3.4 |
Open |
Closed |
Closed |
Closed |
|
3.5 |
Closed |
Closed |
Closed |
Closed |