SUPER MICRO

P6SLA

Device Type

Mainboard

Processor

Pentium II

Processor Speed

200/233/266/300/333/366/400MHz

Chip Set

Intel

Video Chip Set

None

Maximum Onboard Memory

768MB (EDO & SDRAM supported)

Maximum Video Memory

None

Cache

256/512KB (located on Pentium II CPU)

BIOS

AMI

Dimensions

305mm x 244mm

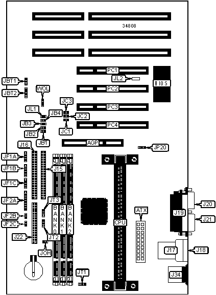
I/O Options

32-bit PCI slots (4), floppy drive interface, IDE interfaces (2), parallel port, PS/2 mouse port, serial ports (2), IR connector, USB connectors (2), ATX power connector, AGP slot

NPU Options

None

CONNECTIONS

Purpose

Location

Purpose

Location

AGP slot

AGP

IDE interface LED

JF1A

ATX power connector

ATX

Power LED & keylock

JF1B

IDE interface 1

J15

Speaker

JF1C

IDE interface 2

J16

IR connector

JF2A

USB connector 1

J17

Soft off power supply

JF2B

USB connector 2

J18

Reset switch

JF2C

Parallel port

J19

Overheat LED

JOH

Serial port 1

J20

CPU fan power

JT1

Serial port 2

J21

CPU fan power

JT2

Floppy drive interface

J22

Chassis fan power

JT3

PS/2 mouse port

J34

32-bit PCI slots

PC1 – PC4

External battery

JBT2

Wake on LAN connector

WOL

USER CONFIGURABLE SETTINGS

Function

Label

Position

»

CMOS memory normal operation

JBT1

Pins 1 & 2 closed

 

CMOS memory clear

JBT1

Pins 2 & 3 closed

 

Chassis intrusion disabled

JL1

Open

 

Chassis intrusion enabled

JL1

Closed

»

Factory configured - do not alter

JL2

Open

 

PIIX4 control

JP20

Pins 1 & 2 closed

 

Save PD state

JP20

Pins 2 & 3 closed

DIMM CONFIGURATION

Size

Bank 0

Bank 1

Bank 2

8MB

(1) 1M x 64

None

None

16MB

(1) 2M x 64

None

None

16MB

(1) 1M x 64

(1) 1M x 64

None

24MB

(1) 2M x 64

(1) 1M x 64

None

24MB

(1) 1M x 64

(1) 1M x 64

(1) 1M x 64

32MB

(1) 4M x 64

None

None

32MB

(1) 2M x 64

(1) 1M x 64

(1) 1M x 64

32MB

(1) 2M x 64

(1) 2M x 64

None

40MB

(1) 4M x 64

(1) 1M x 64

None

40MB

(1) 2M x 64

(1) 2M x 64

(1) 1M x 64

48MB

(1) 4M x 64

(1) 1M x 64

(1) 1M x 64

48MB

(1) 4M x 64

(1) 2M x 64

None

48MB

(1) 2M x 64

(1) 2M x 64

(1) 2M x 64

DIMM CONFIGURATION (CON’T)

Size

Bank 0

Bank 1

Bank 2

56MB

(1) 4M x 64

(1) 2M x 64

(1) 1M x 64

64MB

(1) 8M x 64

None

None

64MB

(1) 4M x 64

(1) 2M x 64

(1) 2M x 64

64MB

(1) 4M x 64

(1) 4M x 64

None

72MB

(1) 8M x 64

(1) 1M x 64

None

72MB

(1) 4M x 64

(1) 4M x 64

(1) 1M x 64

80MB

(1) 8M x 64

(1) 1M x 64

(1) 1M x 64

80MB

(1) 8M x 64

(1) 2M x 64

None

80MB

(1) 4M x 64

(1) 4M x 64

(1) 2M x 64

88MB

(1) 8M x 64

(1) 2M x 64

(1) 1M x 64

96MB

(1) 8M x 64

(1) 2M x 64

(1) 2M x 64

96MB

(1) 8M x 64

(1) 4M x 64

None

96MB

(1) 4M x 64

(1) 4M x 64

(1) 4M x 64

104MB

(1) 8M x 64

(1) 4M x 64

(1) 1M x 64

112MB

(1) 8M x 64

(1) 4M x 64

(1) 2M x 64

128MB

(1) 16M x 64

None

None

128MB

(1) 8M x 64

(1) 8M x 64

None

136MB

(1) 16M x 64

(1) 1M x 64

None

136MB

(1) 8M x 64

(1) 8M x 64

(1) 1M x 64

144MB

(1) 16M x 64

(1) 1M x 64

(1) 1M x 64

144MB

(1) 16M x 64

(1) 2M x 64

None

144MB

(1) 8M x 64

(1) 8M x 64

(1) 2M x 64

152MB

(1) 16M x 64

(1) 2M x 64

(1) 1M x 64

160MB

(1) 16M x 64

(1) 2M x 64

(1) 2M x 64

160MB

(1) 16M x 64

(1) 4M x 64

None

160MB

(1) 8M x 64

(1) 8M x 64

(1) 4M x 64

168MB

(1) 16M x 64

(1) 4M x 64

(1) 1M x 64

176MB

(1) 16M x 64

(1) 4M x 64

(1) 2M x 64

192MB

(1) 16M x 64

(1) 4M x 64

(1) 4M x 64

192MB

(1) 16M x 64

(1) 8M x 64

None

192MB

(1) 8M x 64

(1) 8M x 64

(1) 8M x 64

200MB

(1) 16M x 64

(1) 8M x 64

(1) 1M x 64

208MB

(1) 16M x 64

(1) 8M x 64

(1) 2M x 64

224MB

(1) 16M x 64

(1) 8M x 64

(1) 4M x 64

256MB

(1) 16M x 64

(1) 8M x 64

(1) 8M x 64

384MB

(1) 16M x 64

(1) 16M x 64

(1) 16M x 64

512MB

(1) 32M x 64

(1) 32M x 64

None

768MB

(1) 32M x 64

(1) 32M x 64

(1) 32M x 64

Note: Board accepts EDO & SDRAM memory. Maximum memory is 384MB SDRAM & 768MB EDO RAM.

CACHE CONFIGURATION

Note: 256KB/512KB cache is located on the Pentium II CPU.

CPU SPEED SELECTION

CPU speed

Clock speed

Multiplier

JB1

JB2

JB3

JB4

200MHz

66MHz

3x

Closed

Open

Closed

Closed

233MHz

66MHz

3.5x

Open

Open

Closed

Closed

266MHz

66MHz

4x

Closed

Closed

Open

Closed

300MHz

66MHz

4.5x

Open

Closed

Open

Closed

333MHz

66MHz

5x

Closed

Open

Open

Closed

366MHz

66MHz

5.5x

Open

Open

Open

Closed

400MHz

66MHz

6x

Closed

Closed

Closed

Open

CPU SPEED SELECTION (CON’T)

CPU speed

Clock speed

Multiplier

JC1

JC2

JC3

200MHz

66MHz

3x

Open

Open

Open

233MHz

66MHz

3.5x

Open

Open

Open

266MHz

66MHz

4x

Open

Open

Open

300MHz

66MHz

4.5x

Open

Open

Open

333MHz

66MHz

5x

Open

Open

Open

366MHz

66MHz

5.5x

Open

Open

Open

400MHz

66MHz

6x

Open

Open

Open