MICRONICS COMPUTERS, INC.

TIGERCAT

Processor

Pentium II

Processor Speed

233/266/300/333MHz

Chip Set

Intel

Video Chip Set

None

Maximum Onboard Memory

1GB (EDO supported)

Maximum Video Memory

None

Cache

256/512KB (located on Pentium II CPU)

BIOS

Phoenix

Dimensions

305mm x 244mm

I/O Options

32-bit PCI slots (4), floppy drive interface, IDE interfaces (2), parallel port, PS/2 mouse port, serial ports (2), IR connector, USB connectors (2), ATX power connector, AGP slot, line in, line out, microphone in, audio in – CD-ROMs (2), game/MIDI port

NPU Options

None

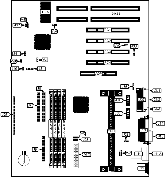
CONNECTIONS

Purpose

Location

Purpose

Location

AGP slot

AGP

IR connector

J27/pins 6 - 10

ATX power connector

ATX

IDE interface LED

J27/pins 13 - 16

Microphone in

CN1

Power LED

J27/pins 18 - 20

Line in

CN2

Reset switch

J27/pins 22 & 23

Line out

CN3

Speaker

J27/pins 26 & 27

IDE interface 1

J7

CPU fan power

J28

IDE interface 2

J8

Chassis fan power

J29

Floppy drive interface

J9

Temperature sensor

J31

IDE interface LED

J10

Chassis intrusion alarm

J32

USB connector 1

J11

Audio in – CD-ROM

J33

USB connector 2

J11A

Audio in – CD-ROM

J34

PS/2 mouse port

J12

Modem/telephony

J35

Parallel port

J13

Game/MIDI port

J37

Serial port 1

J14

Wake on LAN connector

J41

Serial port 2

J15

32-bit PCI slots

PC1 – PC4

Soft off power supply

J27/pins 1 & 2

   

USER CONFIGURABLE SETTINGS

Function

Label

Position

»

Wavetable enabled

J36

Closed

 

Wavetable disabled

J36

Open

»

Host bus agents pipeline mode normal operation

W2

Pins 2 & 3 closed

 

Host bus agents pipeline mode reserved

W2

Pins 1 & 2 closed

»

Flash BIOS write protect enabled

W4

Pins 1 & 2 closed

 

Flash BIOS write protect disabled

W4

Pins 2 & 3 closed

»

CMOS memory normal operation

W5

Pins 1 & 2 closed

 

CMOS memory clear

W5

Pins 2 & 3 closed

»

Soft off power supply switch enabled

W6

Open

 

Forced cycling enabled

W6

Closed

»

On board sound enabled

W7

Pins 1 & 2 closed

 

On board sound disabled

W7

Pins 2 & 3 closed

DIMM CONFIGURATION

Size

Bank 0

Bank 1

Bank 2

Bank 3

8MB

(1) 1M x 64

None

None

None

16MB

(1) 2M x 64

None

None

None

16MB

(1) 1M x 64

(1) 1M x 64

None

None

24MB

(1) 2M x 64

(1) 1M x 64

None

None

24MB

(1) 1M x 64

(1) 1M x 64

(1) 1M x 64

None

32MB

(1) 2M x 64

(1) 2M x 64

None

None

32MB

(1) 4M x 64

None

None

None

32MB

(1) 1M x 64

(1) 1M x 64

(1) 1M x 64

(1) 1M x 64

DIMM CONFIGURATION (CON’T)

Size

Bank 0

Bank 1

Bank 2

Bank 3

40MB

(1) 2M x 64

(1) 2M x 64

(1) 1M x 64

None

40MB

(1) 2M x 64

(1) 1M x 64

(1) 1M x 64

(1) 1M x 64

40MB

(1) 4M x 64

(1) 1M x 64

None

None

48MB

(1) 2M x 64

(1) 2M x 64

(1) 2M x 64

None

48MB

(1) 2M x 64

(1) 2M x 64

(1) 1M x 64

(1) 1M x 64

48MB

(1) 4M x 64

(1) 1M x 64

(1) 1M x 64

None

56MB

(1) 4M x 64

(1) 2M x 64

(1) 1M x 64

None

56MB

(1) 4M x 64

(1) 1M x 64

(1) 1M x 64

(1) 1M x 64

64MB

(1) 2M x 64

(1) 2M x 64

(1) 2M x 64

(1) 2M x 64

64MB

(1) 4M x 64

(1) 4M x 64

None

None

64MB

(1) 8M x 64

None

None

None

80MB

(1) 4M x 64

(1) 2M x 64

(1) 2M x 64

(1) 2M x 64

80MB

(1) 4M x 64

(1) 4M x 64

(1) 1M x 64

(1) 1M x 64

80MB

(1) 8M x 64

(1) 2M x 64

None

None

80MB

(1) 8M x 64

(1) 1M x 64

(1) 1M x 64

None

96MB

(1) 4M x 64

(1) 4M x 64

(1) 2M x 64

(1) 2M x 64

96MB

(1) 4M x 64

(1) 4M x 64

(1) 4M x 64

None

96MB

(1) 8M x 64

(1) 2M x 64

(1) 1M x 64

(1) 1M x 64

112MB

(1) 4M x 64

(1) 4M x 64

(1) 4M x 64

(1) 2M x 64

112MB

(1) 8M x 64

(1) 4M x 64

(1) 2M x 64

None

112MB

(1) 8M x 64

(1) 4M x 64

(1) 1M x 64

(1) 1M x 64

128MB

(1) 16M x 64

None

None

None

128MB

(1) 4M x 64

(1) 4M x 64

(1) 4M x 64

(1) 4M x 64

128MB

(1) 8M x 64

(1) 4M x 64

(1) 4M x 64

None

128MB

(1) 8M x 64

(1) 8M x 64

None

None

160MB

(1) 16M x 64

(1) 2M x 64

(1) 1M x 64

(1) 1M x 64

192MB

(1) 16M x 64

(1) 4M x 64

(1) 4M x 64

None

192MB

(1) 8M x 64

(1) 8M x 64

(1) 4M x 64

(1) 4M x 64

192MB

(1) 8M x 64

(1) 8M x 64

(1) 8M x 64

None

224MB

(1) 16M x 64

(1) 8M x 64

(1) 2M x 64

(1) 2M x 64

224MB

(1) 16M x 64

(1) 8M x 64

(1) 4M x 64

None

256MB

(1) 16M x 64

(1) 16M x 64

None

None

256MB

(1) 16M x 64

(1) 8M x 64

(1) 4M x 64

(1) 4M x 64

256MB

(1) 16M x 64

(1) 8M x 64

(1) 8M x 64

None

256MB

(1) 8M x 64

(1) 8M x 64

(1) 8M x 64

(1) 8M x 64

288MB

(1) 16M x 64

(1) 16M x 64

(1) 4M x 64

None

320MB

(1) 16M x 64

(1) 8M x 64

(1) 8M x 64

(1) 8M x 64

384MB

(1) 16M x 64

(1) 16M x 64

(1) 16M x 64

None

384MB

(1) 16M x 64

(1) 16M x 64

(1) 8M x 64

(1) 8M x 64

448MB

(1) 16M x 64

(1) 16M x 64

(1) 16M x 64

(1) 8M x 64

512MB

(1) 16M x 64

(1) 16M x 64

(1) 16M x 64

(1) 16M x 64

1024MB

(1) 32M x 64

(1) 32M x 64

(1) 32M x 64

(1) 32M x 64

Note: Board accepts EDO memory.

CACHE CONFIGURATION

Note: 256KB/512KB cache is located on the Pentium II CPU.

CPU SPEED SELECTION

CPU speed

Clock speed

Multiplier

W1

W3

233MHz

66MHz

3.5x

2 & 3

1 & 2, 3 & 4

266MHz

66MHz

4x

2 & 3

1 & 2, 5 & 6, 7 & 8

300MHz

66MHz

4.5x

2 & 3

1 & 2, 5 & 6

333MHz

66MHz

5x

2 & 3

1 & 2, 7 & 8

Note: Pins designated should be in the closed position.