MNC INTERNATIONAL INC.

MNC 1152 COMPLETE 386SX/486SLC

Processor

80386SX/CX486SLC

Processor Speed

4/8/16/20/25/33/40/50MHz

Chip Set

VLSI

Max. Onboard DRAM

16MB

Cache

None

BIOS

Quadtel

Dimensions

330mm x 106.7mm

I/O Options

Floppy drive interface, IDE interface, parallel port, serial port (2), VGA port

NPU Options

80387SX/CX83S87

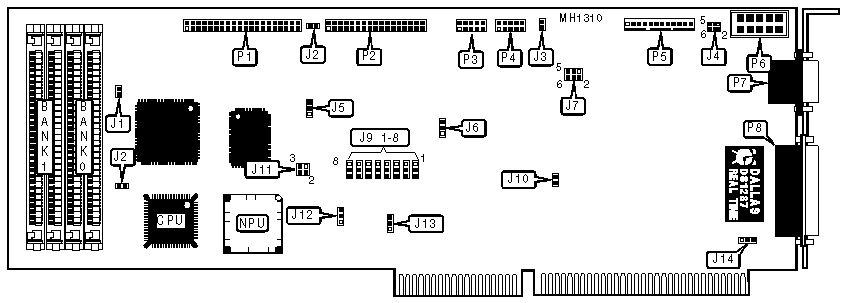
CONNECTIONS

Purpose

Location

Purpose

Location

IDE interface LED

J2

Serial port (COM1)

P4

Turbo LED

J3

Keyboard/reset switch/keylock/speaker/turbo switch

P5

IDE interface

P1

LCD screen

P6

Floppy drive interface

P2

VGA port

P7

Serial port (COM2)

P3

Parallel port

P8

USER CONFIGURABLE SETTINGS

Function

Jumper

Position

»

IDE interface enabled

J5

pins 2 & 3 closed

 

IDE interface disabled

J5

pins 1 & 2 closed

»

Paralell port select send data

J6

pins 2 & 3 closed

 

Paralell port select receive data

J6

pins 1 & 2 closed

»

Pipeline mode enabled

J8

closed

 

Pipeline mode disabled

J8

open

»

Factory configured - do not alter (functions controled by BIOS)

J9

N/A

»

Monitor type select color

J10

closed

 

Monitor type select monochrome

J10

open

 

Watchdog Timer mode select enabled

J12

pins 1 & 2 closed

 

Watchdog Timer mode select disabled

J12

pins 2 & 3 closed

 

Watchdog Timer interval select 150ms

J13

pins 2 & 3 closed

 

Watchdog Timer interval select 600ms

J13

open

 

Watchdog Timer interval select 1.2 second

J13

pins 1 & 2 closed

»

On board VGA interface enabled

J14

pins 1 & 2 closed

 

On board VGA interface disabled

J14

pins 2 & 3 closed

CPU SPEED CONFIGURATION

Speed

J1

4MHz

pins 1 & 2 and 3 & 4 and 5 & 6 closed

8MHz

pins 1 & 2 and 3 & 4 closed

16MHz

pins 1 & 2 and 5 & 6 closed

20MHz

pins 1 & 2 closed

25MHz

pins 3 & 4 and 5 & 6 closed

33MHz

pins 3 & 4 closed

40MHz

pins 5 & 6 closed

50MHz

open

DRAM CONFIGURATION

Size

Bank 0

Bank 1

1MB

(4) 256K x 9

NONE

2MB

(4) 256K x 9

(4) 256K x 9

4MB

(4) 1M x 9

NONE

5MB

(4) 256K x 9

(4) 1M x 9

8MB

(4) 1M x 9

(4) 1M x 9

16MB

(4) 4M x 9

NONE

VGA MEMORY CLOCK CONFIGURATION

Speed

J4

32.9MHz

pins 1 & 3 and 2 & 4 closed

35.6MHz

pins 1 & 3 and 4 & 6 closed

43.9MHz

pins 2 & 4 and 3 & 5 closed

49.1MHz

pins 3 & 5 and 4 & 6 closed

LCD DISPLAY TYPE CONFIGURATION

Type

J7

0

open

1

pins 1 & 2 closed

2

pins 3 & 4 closed

3

pins 1 & 2 and 3 & 4 closed

Plasma

pins 1 & 2 and 3 & 4 and 5 & 6 closed

FLASH MEMORY REGION CONFIGURATION

Region

J11

D8000 - DFFFF

open

C8000 - CFFFF

pins 3 & 4 closed

D0000 - D7FFF

pins 1 & 2 closed

D0000 - D7FFF

pins 1 & 2 and 3 & 4 closed