INTEL CORPORATION

MU440EX

Device Type

Mainboard

Processor

Pentium II

Processor Speed

233/266/300/333MHz

Chip Set

Intel

Video Chip Set

ATI

Maximum Onboard Memory

256MB (SDRAM supported)

Maximum Video Memory

2MB

Cache

512KB (located on Pentium II CPU)

BIOS

Intel, Phoenix

Dimensions

254mm x 218mm

I/O Options

32-bit PCI slots (2), floppy drive interface, game/MIDI port, IDE interfaces (2), parallel port, PS/2 mouse port, serial port, VGA port, IR connector, USB connectors (2), ATX power connector, line in, line out, microphone in, audio in – CD-ROM

NPU Options

None

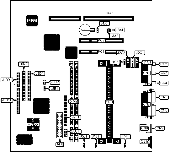
CONNECTIONS

Purpose

Location

Purpose

Location

ATX power connector

ATX

Wake on ring connector

J3A2

Game/MIDI port

CN1

Wake on LAN connector

J4A1

Microphone in

CN2

CPU fan power

J4J1

Line in

CN3

CPU fan power

J5J1

Line out

CN4

TV out connector

J6J1

VGA port

CN5

AMC connector

J7F1

Serial port

CN6

PC/PCI connector

J8D2

Parallel port

CN7

IDE interface

J9D1

USB connector 2

CN8

IDE interface

J9D2

USB connector 1

CN9

IDE interface LED

J10D1/pins 1 & 3

PS/2 mouse port

CN10

Power LED

J10D1/pins 2 & 4

Telephony connector

J1C1

Reset switch

J10D1/pins 5 & 7

2mm CD-ROM

J1C3

Soft off power supply

J10D1/pins 6 & 8

Auxiliary line in

J2C1

IR connector

J10D1/pins 11 - 16

Audio in – CD-ROM

J2C2

Floppy drive interface

J10F1

CPU fan power

J2J1

32-bit PCI slots

PC1 – PC2

Chassis alarm

J3A1

   

USER CONFIGURABLE SETTINGS

Function

Label

Position

 

Flash BIOS normal operation

J8E1

Pins 1 & 2 closed

 

Flash BIOS configuration mode

J8E1

Pins 2 & 3 closed

 

Flash BIOS recovery mode

J8E1

Open

DIMM CONFIGURATION

Size

Bank 0

Bank 1

8MB

(1) 1M x 64

None

16MB

(1) 2M x 64

None

16MB

(1) 1M x 64

(1) 1M x 64

24MB

(1) 2M x 64

(1) 1M x 64

32MB

(1) 4M x 64

None

32MB

(1) 2M x 64

(1) 2M x 64

40MB

(1) 4M x 64

(1) 1M x 64

48MB

(1) 4M x 64

(1) 2M x 64

64MB

(1) 8M x 64

None

64MB

(1) 4M x 64

(1) 4M x 64

DIMM CONFIGURATION (CON’T)

Size

Bank 0

Bank 1

72MB

(1) 8M x 64

(1) 1M x 64

80MB

(1) 8M x 64

(1) 2M x 64

96MB

(1) 8M x 64

(1) 4M x 64

128MB

(1) 16M x 64

None

128MB

(1) 8M x 64

(1) 8M x 64

136MB

(1) 16M x 64

(1) 1M x 64

144MB

(1) 16M x 64

(1) 2M x 64

160MB

(1) 16M x 64

(1) 4M x 64

192MB

(1) 16M x 64

(1) 8M x 64

256MB

(1) 16M x 64

(1) 16M x 64

Note: Board accepts SDRAM memory.

CACHE CONFIGURATION

Note: 512KB cache is located on the Pentium II CPU.

VIDEO MEMORY CONFIGURATION

Note: 2MB video memory factory installed and is not configurable.