IWILL CORPORATION
XA100
|
Device Type |
Mainboard |
|
Processor |
CX M1/CX M2/AM K5/AM K6/IDT/Pentium/Pentium MMX |
|
Processor Speed |
133/166/200/233/266/300/350/400MHz |
|
Chip Set |
ALI |
|
Video Chip Set |
None |
|
Maximum Onboard Memory |
512MB |
|
Maximum Video Memory |
None |
|
Cache |
512KB |
|
BIOS |
AMI |
|
Dimensions |
305mm x 180mm |
|
I/O Options |
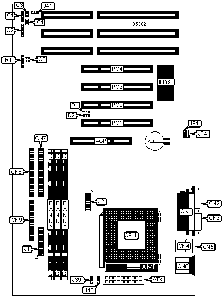
32-bit PCI slots (4), floppy drive interface, IDE interfaces (2), parallel port, PS/2 mouse port, serial ports (2), serial port, IR connector, USB connectors (2), ATX power connector, AGP slot |
|
NPU Options |
None |

|
CONNECTIONS |
|||
|
Purpose |
Location |
Purpose |
Location |
|
AGP slot |
AGP |
USB connector 2 |
CN5 |
|
ATX power connector |
ATX |
PS/2 mouse port |
CN6 |
|
Speaker |
C1 |
IDE interface 1 |
CN7 |
|
Power LED & keylock |
C2 |
IDE interface 2 |
CN8 |
|
Reset switch |
C3 |
Floppy drive interface |
CN9 |
|
IDE interface LED |
C4 |
IR connector |
IR1 |
|
Soft off power supply |
C5 |
CPU fan power |
J39 |
|
Parallel port |
CN1 |
Chassis fan power |
J40 |
|
Serial port 2 |
CN2 |
Chassis fan power |
J41 |
|
Serial port 1 |
CN3 |
32-bit PCI slots |
PC1 - PC4 |
|
USB connector 1 |
CN4 |
|
|
|
USER CONFIGURABLE SETTINGS |
|||
|
Function |
Label |
Position |
|
|
» |
Factory configured - do not alter |
D1 |
Unidentified |
|
» |
Factory configured - do not alter |
D2 |
Unidentified |
|
» |
CMOS memory normal operation |
JP1 |
Pins 1 & 2 closed |
|
|
CMOS memory clear |
JP1 |
Pins 2 & 3 closed |
|
|
Flash BIOS voltage select 5v/12v |
JP4 |
Unidentified |
|
DIMM CONFIGURATION |
|||
|
Size |
Bank 0 |
Bank 1 |
Bank 2 |
|
8MB |
(1) 1M x 64 |
None |
None |
|
16MB |
(1) 2M x 64 |
None |
None |
|
16MB |
(1) 1M x 64 |
(1) 1M x 64 |
None |
|
24MB |
(1) 2M x 64 |
(1) 1M x 64 |
None |
|
24MB |
(1) 1M x 64 |
(1) 1M x 64 |
(1) 1M x 64 |
|
32MB |
(1) 4M x 64 |
None |
None |
|
32MB |
(1) 2M x 64 |
(1) 1M x 64 |
(1) 1M x 64 |
|
32MB |
(1) 2M x 64 |
(1) 2M x 64 |
None |
|
40MB |
(1) 4M x 64 |
(1) 1M x 64 |
None |
|
40MB |
(1) 2M x 64 |
(1) 2M x 64 |
(1) 1M x 64 |
|
48MB |
(1) 4M x 64 |
(1) 1M x 64 |
(1) 1M x 64 |
|
48MB |
(1) 4M x 64 |
(1) 2M x 64 |
None |
|
48MB |
(1) 2M x 64 |
(1) 2M x 64 |
(1) 2M x 64 |
|
56MB |
(1) 4M x 64 |
(1) 2M x 64 |
(1) 1M x 64 |
|
64MB |
(1) 8M x 64 |
None |
None |
|
DIMM CONFIGURATION (CON'T) |
|||
|
Size |
Bank 0 |
Bank 1 |
Bank 2 |
|
64MB |
(1) 4M x 64 |
(1) 2M x 64 |
(1) 2M x 64 |
|
64MB |
(1) 4M x 64 |
(1) 4M x 64 |
None |
|
72MB |
(1) 8M x 64 |
(1) 1M x 64 |
None |
|
72MB |
(1) 4M x 64 |
(1) 4M x 64 |
(1) 1M x 64 |
|
80MB |
(1) 8M x 64 |
(1) 1M x 64 |
(1) 1M x 64 |
|
80MB |
(1) 8M x 64 |
(1) 2M x 64 |
None |
|
80MB |
(1) 4M x 64 |
(1) 4M x 64 |
(1) 2M x 64 |
|
88MB |
(1) 8M x 64 |
(1) 2M x 64 |
(1) 1M x 64 |
|
96MB |
(1) 8M x 64 |
(1) 2M x 64 |
(1) 2M x 64 |
|
96MB |
(1) 8M x 64 |
(1) 4M x 64 |
None |
|
96MB |
(1) 4M x 64 |
(1) 4M x 64 |
(1) 4M x 64 |
|
104MB |
(1) 8M x 64 |
(1) 4M x 64 |
(1) 1M x 64 |
|
112MB |
(1) 8M x 64 |
(1) 4M x 64 |
(1) 2M x 64 |
|
128MB |
(1) 16M x 64 |
None |
None |
|
128MB |
(1) 8M x 64 |
(1) 4M x 64 |
(1) 4M x 64 |
|
128MB |
(1) 8M x 64 |
(1) 8M x 64 |
None |
|
136MB |
(1) 16M x 64 |
(1) 1M x 64 |
None |
|
136MB |
(1) 8M x 64 |
(1) 8M x 64 |
(1) 1M x 64 |
|
144MB |
(1) 16M x 64 |
(1) 1M x 64 |
(1) 1M x 64 |
|
144MB |
(1) 16M x 64 |
(1) 2M x 64 |
None |
|
144MB |
(1) 8M x 64 |
(1) 8M x 64 |
(1) 2M x 64 |
|
152MB |
(1) 16M x 64 |
(1) 2M x 64 |
(1) 1M x 64 |
|
160MB |
(1) 16M x 64 |
(1) 2M x 64 |
(1) 2M x 64 |
|
160MB |
(1) 16M x 64 |
(1) 4M x 64 |
None |
|
160MB |
(1) 8M x 64 |
(1) 8M x 64 |
(1) 4M x 64 |
|
168MB |
(1) 16M x 64 |
(1) 4M x 64 |
(1) 1M x 64 |
|
176MB |
(1) 16M x 64 |
(1) 4M x 64 |
(1) 2M x 64 |
|
192MB |
(1) 16M x 64 |
(1) 4M x 64 |
(1) 4M x 64 |
|
192MB |
(1) 16M x 64 |
(1) 8M x 64 |
None |
|
200MB |
(1) 16M x 64 |
(1) 8M x 64 |
(1) 1M x 64 |
|
208MB |
(1) 16M x 64 |
(1) 8M x 64 |
(1) 2M x 64 |
|
224MB |
(1) 16M x 64 |
(1) 8M x 64 |
(1) 4M x 64 |
|
256MB |
(1) 16M x 64 |
(1) 8M x 64 |
(1) 8M x 64 |
|
256MB |
(1) 32M x 64 |
None |
None |
|
256MB |
(1) 16M x 64 |
(1) 16M x 64 |
None |
|
384MB |
(1) 16M x 64 |
(1) 16M x 64 |
(1) 16M x 64 |
|
512MB |
(1) 32M x 64 |
(1) 32M x 64 |
None |
Note: Board accepts EDO & SDRAM memory. |
|||
|
CACHE CONFIGURATION |
|
Note: The location of the cache is unidentified. |
|
CPU SPEED SELECTION (CX M1) |
|||
|
CPU speed |
Clock speed |
Multiplier |
J1 |
|
166MHz |
66MHz |
2x |
1 & 2, 9 & 10 |
|
200MHz |
75MHz |
2x |
3 & 4, 9 & 10 |
|
Note: Pins designated should be in the closed position. |
|||
|
CPU SPEED SELECTION (CX M2) |
|||
|
CPU speed |
Clock speed |
Multiplier |
J1 |
|
166MHz |
66MHz |
2x |
1 & 2, 9 & 10 |
|
200MHz |
75MHz |
2x |
3 & 4, 9 & 10 |
|
200MHz |
75MHz |
2x |
3 & 4, 9 & 10 |
|
233MHz |
75MHz |
2.5x |
3 & 4, 11 & 12 |
|
266MHz |
83MHz |
2.5x |
5 & 6, 11 & 12 |
|
Note: Pins designated should be in the closed position. |
|||
|
CPU SPEED SELECTION (AM K5) |
|||
|
CPU speed |
Clock speed |
Multiplier |
J1 |
|
166MHz |
66MHz |
2.5x |
1 & 2, 11 & 12 |
|
Note: Pins designated should be in the closed position. |
|||
|
CPU SPEED SELECTION (AM K6) |
|||
|
CPU speed |
Clock speed |
Multiplier |
J1 |
|
166MHz |
66MHz |
2.5x |
1 & 2, 11 & 12 |
|
200MHz |
66MHz |
3x |
1 & 2, 13 & 14 |
|
233MHz |
66MHz |
3.5x |
1 & 2, 15 & 16 |
|
266MHz |
66MHz |
4x |
1 & 2, 17 & 18 |
|
300MHz |
100MHz |
3x |
7 & 8, 13 & 14 |
|
350MHz |
100MHz |
3.5x |
7 & 8, 15 & 16 |
|
400MHz |
100MHz |
4x |
7 & 8, 17 & 18 |
|
Note: Pins designated should be in the closed position. |
|||
|
CPU SPEED SELECTION (IDT) |
|||
|
CPU speed |
Clock speed |
Multiplier |
J1 |
|
200MHz |
66MHz |
3x |
1 & 2, 13 & 14 |
|
Note: Pins designated should be in the closed position. |
|||
|
CPU SPEED SELECTION (INTEL) |
|||
|
CPU speed |
Clock speed |
Multiplier |
J1 |
|
133MHz |
66MHz |
2x |
1 & 2, 9 & 10 |
|
166MHz |
66MHz |
2.5x |
1 & 2, 11 & 12 |
|
200MHz |
66MHz |
3x |
1 & 2, 13 & 14 |
|
Note: Pins designated should be in the closed position. |
|||
|
CPU SPEED SELECTION (INTEL MMX) |
|||
|
CPU speed |
Clock speed |
Multiplier |
J1 |
|
166MHz |
66MHz |
2.5x |
1 & 2, 11 & 12 |
|
200MHz |
66MHz |
3x |
1 & 2, 13 & 14 |
|
233MHz |
66MHz |
3.5x |
1 & 2, 15 & 16 |
|
Note: Pins designated should be in the closed position. |
|||
|
CPU VOLTAGE SELECTION |
|
|
Voltage |
J2 |
|
1.8v |
Pins 1 & 2 closed |
|
2.2v |
Pins 3 & 4 closed |
|
2.7v |
Pins 5 & 6 closed |
|
» 2.8v |
Pins 7 & 8 closed |
|
2.9v |
Pins 9 & 10 closed |
|
3.2v |
Pins 11 & 12 closed |
|
3.5v |
Pins 13 & 14 closed |