INTEL CORPORATION

AL440LX

Processor

Pentium II

Processor Speed

Unidentified

Chip Set

Intel

Video Chip Set

None

Maximum Onboard Memory

384MB

Maximum Video Memory

None

Cache

512KB

BIOS

Intel/Phoenix

Dimensions

305mm x 244mm

I/O Options

32-bit PCI slots (4), floppy drive interface, game/MIDI port, green PC connector, IDE interfaces (2), parallel port, PS/2 mouse port, serial ports (2), IR connector, USB connectors (2), ATX power connector, AGP slot, line in (2), line out, microphone in

NPU Options

None

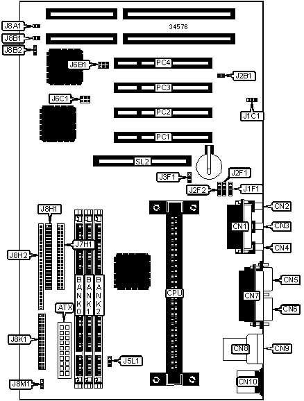
CONNECTIONS

Purpose

Location

Purpose

Location

ATX power connector

ATX

Yamaha wavetable connector

J6B1

Game/MIDI port

CN1

Yamaha wavetable connector

J6C1

Microphone in

CN2

IDE interface 2

J7H1

Line in - external

CN3

Wake on ring connector

J8A1

Line out

CN4

SCSI interface LED

J8B1

Serial port 2

CN5

IDE interface 1

J8H1

Serial port 1

CN6

Soft off power supply

J8H2/pins 1 & 2

Parallel port

CN7

Green PC connector

J8H2/pins 3 & 4

USB connector 2

CN8

IR connector

J8H2/pins 6 - 11

USB connector 1

CN9

IDE interface LED

J8H2/pins 13 - 16

PS/2 mouse port

CN10

Power LED

J8H2/pins 18 - 20

Wake on LAN connector

J1C1

Reset

J8H2/pins 22 & 23

Audio in - CD-ROM

J1F1

Speaker

J8H2/pins 24 - 27

Chassis security

J2B1

Floppy drive interface

J8K1

Telephony connector

J2F1

Chassis fan power

J8M1

Line in - internal

J2F2

32-bit PCI slots

PC1 – PC4

Chassis fan power

J3F1

AGP slot

SL2

Chassis fan power

J5L1

   

USER CONFIGURABLE SETTINGS

Function

Label

Position

 

BIOS normal operation

J8B2

Pins 1 & 2 closed

 

BIOS configuration mode

J8B2

Pins 2 & 3 closed

DIMM CONFIGURATION

Size

Bank 0

Bank 1

Bank 2

8MB

(1) 1M x 64

None

None

16MB

(1) 2M x 64

None

None

16MB

(1) 1M x 64

(1) 1M x 64

None

24MB

(1) 2M x 64

(1) 1M x 64

None

24MB

(1) 1M x 64

(1) 1M x 64

(1) 1M x 64

32MB

(1) 4M x 64

None

None

32MB

(1) 2M x 64

(1) 2M x 64

None

40MB

(1) 4M x 64

(1) 1M x 64

None

48MB

(1) 4M x 64

(1) 2M x 64

None

48MB

(1) 2M x 64

(1) 2M x 64

(1) 2M x 64

64MB

(1) 8M x 64

None

None

64MB

(1) 4M x 64

(1) 4M x 64

None

72MB

(1) 8M x 64

(1) 1M x 64

None

80MB

(1) 8M x 64

(1) 2M x 64

None

96MB

(1) 8M x 64

(1) 4M x 64

None

96MB

(1) 4M x 64

(1) 4M x 64

(1) 4M x 64

DIMM CONFIGURATION (CON’T)

Size

Bank 0

Bank 1

Bank 2

128MB

(1) 8M x 64

(1) 8M x 64

None

128MB

(1) 16M x 64

None

None

192MB

(1) 8M x 64

(1) 8M x 64

(1) 8M x 64

256MB

(1) 16M x 64

(1) 16M x 64

None

384MB

(1) 16M x 64

(1) 16M x 64

(1) 16M x 64

CACHE CONFIGURATION

Note: 512KB cache is located on the Pentium II CPU.