INTEL CORPORATION
LT430TX
|
Processor |
Pentium |
|
Processor Speed |
90/100/120/133/150/166/200/233MHz |
|
Chip Set |
Intel |
|
Video Chip Set |
ATI |
|
Maximum Onboard Memory |
256MB (EDO supported) |
|
Maximum Video Memory |
2MB |
|
Cache |
256/512KB |
|
BIOS |
Unidentified |
|
Dimensions |
305mm x 244mm |
|
I/O Options |
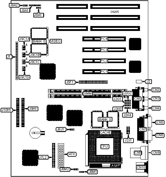
32-bit PCI slots (4), floppy drive interface, green PC connector, IDE interfaces (2), parallel port, PS/2 mouse port, serial ports (2), VGA port, IR connector, USB connectors (2), ATX power connector, microphone in, line in, line out, game/MIDI port, telephony connector, wavetable connector, wake on LAN connector, VESA/ATI Multimedia connector, CD-ROM audio in, ATAPI audio in, line audio in |
|
NPU Options |
None |
|
CONNECTIONS | |||
|
Purpose |
Location |
Purpose |
Location |
|
ATX power connector |
ATX |
Speaker |
J1/pins 24 - 27 |
|
Game/MIDI port |
CN1 |
Wavetable connector |
J2 |
|
Microphone in |
CN2 |
ATAPI audio in |
J2G1 |
|
Line in |
CN3 |
CD-ROM audio in |
J2G2 |
|
Line out |
CN4 |
Line in audio |
J2H3 |
|
VGA port |
CN5 |
Telephony connector |
J2H4 |
|
Serial port 1 |
CN6 |
Serial port 2 |
J2J1 |
|
Parallel port |
CN7 |
VESA/ATI Multimedia connector |
J5F1 |
|
USB connector 1 |
CN8 |
Wake on LAN connector |
J6J1 |
|
USB connector 2 |
CN9 |
CPU fan power |
J6M1 |
|
PS/2 mouse port |
CN10 |
Floppy drive interface |
J7L2 |
|
Soft on power supply |
J1/pins 1 & 2 |
GPI connector |
J9A1 |
|
Green PC connector |
J1/pins 3 & 4 |
Chassis fan power |
J9A2 |
|
IR connector |
J1/pins 6 - 11 |
IDE interface 2 |
J9H1 |
|
IDE interface LED |
J1/pins 13 - 16 |
IDE interface 1 |
J10H1 |
|
Green PC LED |
J1/pins 18 - 20 |
32-bit PCI slots |
PC1 – PC4 |
|
Reset switch |
J1/pins 22 & 23 | ||
|
USER CONFIGURABLE SETTINGS | |||
|
Function |
Label |
Position | |
|
» |
Flash BIOS normal operation |
J8A1 |
Pins 1 & 2 closed |
|
Flash BIOS recovery mode |
J8A1 |
Pins 2 & 3 closed | |
|
» |
Password enabled |
J9C1A |
Pins 1 & 2 closed |
|
Password disabled |
J9C1A |
Pins 2 & 3 closed | |
|
» |
CMOS memory normal operation |
J9C1A |
Pins 4 & 5 closed |
|
CMOS memory clear |
J9C1A |
Pins 5 & 6 closed | |
|
» |
Flash BIOS write protect disabled |
J9C1B |
Pins 1 & 2 closed |
|
Flash BIOS write protect enabled |
J9C1B |
Pins 2 & 3 closed | |
|
» |
Factory configured - do not alter |
J9C1B |
Pins 4 - 6 open |
|
DIMM CONFIGURATION | ||
|
Size |
Bank 0 |
Bank 1 |
|
8MB |
(1) 1M x 64 |
None |
|
16MB |
(1) 2M x 64 |
None |
|
16MB |
(1) 1M x 64 |
(1) 1M x 64 |
|
24MB |
(1) 2M x 64 |
(1) 1M x 64 |
|
32MB |
(1) 4M x 64 |
None |
|
32MB |
(1) 2M x 64 |
(1) 2M x 64 |
|
40MB |
(1) 4M x 64 |
(1) 1M x 64 |
|
48MB |
(1) 4M x 64 |
(1) 2M x 64 |
|
64MB |
(1) 8M x 64 |
None |
|
64MB |
(1) 4M x 64 |
(1) 4M x 64 |
|
72MB |
(1) 8M x 64 |
(1) 1M x 64 |
|
80MB |
(1) 8M x 64 |
(1) 2M x 64 |
|
96MB |
(1) 8M x 64 |
(1) 4M x 64 |
|
128MB |
(1) 16M x 64 |
None |
|
128MB |
(1) 8M x 64 |
(1) 8M x 64 |
|
136MB |
(1) 16M x 64 |
(1) 1M x 64 |
|
144MB |
(1) 16M x 64 |
(1) 2M x 64 |
|
160MB |
(1) 16M x 64 |
(1) 4M x 64 |
|
192MB |
(1) 16M x 64 |
(1) 8M x 64 |
|
256MB |
(1) 16M x 64 |
(1) 16M x 64 |
|
Note: Board accepts EDO memory. | ||
|
CACHE CONFIGURATION | |
|
Size |
Bank 0 |
|
256KB |
(2) 32K x 32 |
|
512KB |
(2) 64K x 32 |
|
Note: Board will be factory installed with one of the above configurations. | |
|
VIDEO MEMORY CONFIGURATION |
|
Note: Bank 0 is factory installed with 2MB of video memory and is not configurable. |
|
CPU SPEED SELECTION | ||||
|
CPU speed |
Clock speed |
Multiplier |
J9C1C |
J9C1D |
|
90MHz |
60MHz |
1.5x |
4 & 5 |
1 & 2, 4 & 5 |
|
100MHz |
66MHz |
1.5x |
5 & 6 |
1 & 2, 4 & 5 |
|
120MHz |
60MHz |
2x |
4 & 5 |
2 & 3, 4 & 5 |
|
133MHz |
66MHz |
2x |
5 & 6 |
2 & 3, 4 & 5 |
|
150MHz |
60MHz |
2.5x |
4 & 5 |
2 & 3, 5 & 6 |
|
166MHz |
66MHz |
2.5x |
5 & 6 |
2 & 3, 5 & 6 |
|
200MHz |
66MHz |
3x |
5 & 6 |
1 & 2, 5 & 6 |
|
233MHz |
66MHz |
1.5x |
5 & 6 |
1 & 2, 4 & 5 |
|
Note: Pins designated should be in the closed position. | ||||
|
CPU TYPE SELECTION | ||
|
Type |
J6M2 | |
| » |
VRE |
Pins 2 & 3 closed |
|
STD |
Pins 1 & 2 closed | |