GEMLIGHT COMPUTER LTD.

GMB-P57SAX (VER. 1.20)

Device Type

Mainboard

Processor

CX 6X86/IBM 6X86/CX 6X86L/IBM 6X86L/CX 6X86MX/IBM 6X86MX/AM K5/AM K6/Pentium/Pentium MMX

Processor Speed

90/100/120/133/150/166/200/233/266MHz

Chip Set

SIS 5598

Maximum Onboard Memory

384MB (EDO & SDRAM supported)

Cache

512KB

BIOS

Award

I/O Options

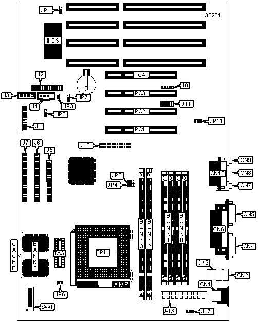
32-bit PCI slots (4), CD-ROM interface (2), floppy drive interface, game port, IDE interfaces (2), parallel port, PS/2 mouse port, serial ports (2), VGA feature connector, VGA port, IR connector, USB connectors (2), wavetable connector, ATX power connector, microphone in, line in, line out

CONNECTIONS

Purpose

Location

Purpose

Location

ATX power connector

ATX

Reset switch

J1/pins 9 & 10

PS/2 mouse port

CN1

Power LED & keylock

J1/pins 11-15

USB connector 1

CN2

Speaker

J1/pins 16-20

USB connector 2

CN3

Wavetable connector

J2

Serial port 1

CN4

Audio in - CD-ROM (Panasonic/Mitsumi)

J3

VGA port

CN5

Audio in - CD-ROM (Sony)

J4

Parallel port

CN6

Floppy drive interface

J5

External speaker

CN7

IDE interface 1

J6

Line in

CN8

IDE interface 2

J7

Microphone in

CN9

IR connector

J8

Game port

CN10

VGA feature connector

J10

IDE interface LED

J1/pins 1 & 2

Serial port 2

J11

Suspend LED

J1/pins 3 & 4

Chassis fan power

J17

Suspend switch

J1/pins 5 & 6

Internal modem ring-in connector

JP11

Power switch

J1/pins 7 & 8

32-bit PCI slots

PC1 - PC4

USER CONFIGURABLE SETTINGS

Function

Label

Position

 

Flash BIOS voltage select 12v

JP1

Pins 1 & 2 closed

 

Flash BIOS voltage select 5v

JP1

Pins 2 & 3 closed

 

Onboard audio enabled

JP3

Closed

 

Onboard audio disabled

JP3

Open

»

Factory configured - do not alter

JP6

Open

»

CMOS memory normal operation

JP8

Pins 1 & 2 closed

 

CMOS memory clear

JP8

Pins 2 & 3 closed

VGA SETTINGS

Function

JP4

JP5

Onboard VGA enabled

Pins 2 & 3 closed

Pins 1 & 2 closed

Onboard VGA disabled

Pins 1 & 2 closed

Pins 2 & 3 closed

SIMM CONFIGURATION

Size

Bank 0

Bank 1

8MB

(2) 1MB x 36

None

16MB

(2) 1MB x 36

(2) 1MB x 36

16MB

(2) 2MB x 36

None

24MB

(2) 2MB x 36

(2) 1MB x 36

32MB

(2) 2MB x 36

(2) 2MB x 36

32MB

(2) 4MB x 36

None

40MB

(2) 4MB x 36

(2) 1MB x 36

48MB

(2) 4MB x 36

(2) 2MB x 36

64MB

(2) 4MB x 36

(2) 4MB x 36

64MB

(2) 8MB x 36

None

72MB

(2) 8MB x 36

(2) 1MB x 36

80MB

(2) 8MB x 36

(2) 2MB x 36

96MB

(2) 8MB x 36

(2) 4MB x 36

128MB

(2) 8MB x 36

(2) 8MB x 36

128MB

(2) 16MB x 36

None

136MB

(2) 16MB x 36

(2) 1MB x 36

144MB

(2) 16MB x 36

(2) 2MB x 36

160MB

(2) 16MB x 36

(2) 4MB x 36

192MB

(2) 16MB x 36

(2) 8MB x 36

256MB

(2) 16MB x 36

(2) 16MB x 36

Note: Board accepts EDO memory.

DIMM CONFIGURATION

Size

Bank 2

Bank 3

8MB

(1) 1MB x 64

None

16MB

(1) 1MB x 64

(1) 1MB x 64

16MB

(1) 2MB x 64

None

24MB

(1) 2MB x 64

(1) 1MB x 64

32MB

(1) 2MB x 64

(1) 2MB x 64

32MB

(1) 4MB x 64

None

40MB

(1) 4MB x 64

(1) 1MB x 64

48MB

(1) 4MB x 64

(1) 2MB x 64

64MB

(1) 4MB x 64

(1) 4MB x 64

64MB

(1) 8MB x 64

None

72MB

(1) 8MB x 64

(1) 1MB x 64

80MB

(1) 8MB x 64

(1) 2MB x 64

96MB

(1) 8MB x 64

(1) 4MB x 64

128MB

(1) 8MB x 64

(1) 8MB x 64

128MB

(1) 16MB x 64

None

136MB

(1) 16MB x 64

(1) 1MB x 64

144MB

(1) 16MB x 64

(1) 2MB x 64

160MB

(1) 16MB x 64

(1) 4MB x 64

192MB

(1) 16MB x 64

(1) 8MB x 64

256MB

(1) 16MB x 64

(1) 16MB x 64

Note: Board accepts EDO and SDRAM. Bank 2 cannot be used in conjunction with SIMM banks.

CPU SPEED SELECTION (CX 6X86)

Speed

Clock speed

Multiplier

SW1/3

SW1/4

SW1/5

SW1/6

SW1/7

SW1/8

150MHz

60MHz

2x

On

Off

Off

On

Off

Off

166MHz

66MHz

2x

On

Off

Off

Off

Off

Off

200MHz

75MHz

2x

On

Off

Off

Off

On

Off

CPU SPEED SELECTION (IBM 6X86)

Speed

Clock speed

Multiplier

SW1/3

SW1/4

SW1/5

SW1/6

SW1/7

SW1/8

150MHz

60MHz

2x

On

Off

Off

On

Off

Off

166MHz

66MHz

2x

On

Off

Off

Off

Off

Off

200MHz

75MHz

2x

On

Off

Off

Off

On

Off

CPU SPEED SELECTION (CX 6X86L)

Speed

Clock speed

Multiplier

SW1/3

SW1/4

SW1/5

SW1/6

SW1/7

SW1/8

150MHz

60MHz

2x

On

Off

Off

On

Off

Off

166MHz

66MHz

2x

On

Off

Off

Off

Off

Off

200MHz

75MHz

2x

On

Off

Off

Off

On

Off

CPU SPEED SELECTION (IBM 6X86L)

Speed

Clock speed

Multiplier

SW1/3

SW1/4

SW1/5

SW1/6

SW1/7

SW1/8

150MHz

60MHz

2x

On

Off

Off

On

Off

Off

166MHz

66MHz

2x

On

Off

Off

Off

Off

Off

200MHz

75MHz

2x

On

Off

Off

Off

On

Off

CPU SPEED SELECTION (CX 6X86MX)

Speed

Clock speed

Multiplier

SW1/3

SW1/4

SW1/5

SW1/6

SW1/7

SW1/8

166MHz

60MHz

2.5x

On

On

Off

On

Off

Off

200MHz

75MHz

2x

On

Off

Off

Off

On

Off

CPU SPEED SELECTION (IBM 6X86MX)

Speed

Clock speed

Multiplier

SW1/3

SW1/4

SW1/5

SW1/6

SW1/7

SW1/8

166MHz

60MHz

2.5x

On

On

Off

On

Off

Off

200MHz

75MHz

2x

On

Off

Off

Off

On

Off

CPU SPEED SELECTION (AM K5)

Speed

Clock speed

Multiplier

SW1/3

SW1/4

SW1/5

SW1/6

SW1/7

SW1/8

120MHz

60MHz

2x

On

Off

Off

On

Off

Off

133MHz

66MHz

2x

On

Off

Off

Off

Off

Off

166MHz

66MHz

2.5x

On

On

Off

Off

Off

Off

CPU SPEED SELECTION (AM K6)

Speed

Clock speed

Multiplier

SW1/3

SW1/4

SW1/5

SW1/6

SW1/7

SW1/8

166MHz

66MHz

2.5x

On

On

Off

Off

Off

Off

200MHz

66MHz

3x

Off

On

Off

Off

Off

Off

233MHz

66MHz

3.5x

Off

Off

Off

Off

Off

Off

266MHz

66MHz

4x

Off

Off

On

Off

Off

Off

CPU SPEED SELECTION (PENTIUM)

Speed

Clock speed

Multiplier

SW1/3

SW1/4

SW1/5

SW1/6

SW1/7

SW1/8

90MHz

60MHz

1.5x

Off

Off

Off

On

Off

Off

100MHz

66MHz

1.5x

Off

Off

Off

Off

Off

Off

120MHz

60MHz

2x

On

Off

Off

On

Off

Off

133MHz

66MHz

2x

On

Off

Off

Off

Off

Off

150MHz

60MHz

2.5x

On

On

Off

On

Off

Off

166MHz

66MHz

2.5x

On

On

Off

Off

Off

Off

200MHz

66MHz

3x

Off

On

Off

Off

Off

Off

CPU SPEED SELECTION (PENTIUM MMX)

Speed

Clock speed

Multiplier

SW1/3

SW1/4

SW1/5

SW1/6

SW1/7

SW1/8

166MHz

66MHz

2.5x

On

On

Off

Off

Off

Off

200MHz

66MHz

3x

Off

On

Off

Off

Off

Off

233MHz

66MHz

3.5x

Off

Off

Off

Off

Off

Off

CPU VOLTAGE SELECTION

Voltage

SW1/1

SW1/2

Auto detection

Off

Off

Note: Using the auto detection mode, CPU voltage is selected from within the BIOS. No alternative settings are provided.