FIRST INTERNATIONAL COMPUTER, INC.
VL-603
|
Device Type |
Mainboard |
|
Processor |
Pentium II |
|
Processor Speed |
233/266/300/333MHz |
|
Chip Set |
Intel |
|
Video Chip Set |
None |
|
Maximum Onboard Memory |
256MB (EDO & SDRAM supported) |
|
Maximum Video Memory |
None |
|
Cache |
256/512KB (located on Pentium II CPU) |
|
BIOS |
Unidentified |
|
Dimensions |
254mm x 218mm |
|
I/O Options |
32-bit PCI slots (2), floppy drive interface, game/MIDI port, green PC connector, IDE interfaces (2), parallel port, PS/2 mouse port, serial ports (2), IR connector, USB connectors (2), ATX power connector, AGP slot, line in, line out, microphone in, audio in – CD-ROM |
|
NPU Options |
None |
|
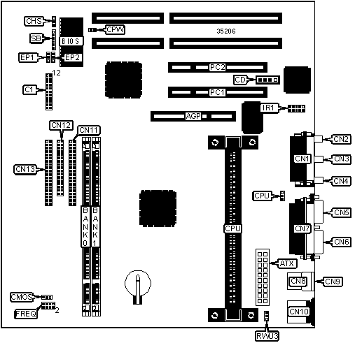
CONNECTIONS | |||
|
Purpose |
Location |
Purpose |
Location |
|
AGP slot |
AGP |
Line out |
CN4 |
|
ATX power connector |
ATX |
Serial port 2 |
CN5 |
|
Power LED & keylock |
C1/pins 1 - 5 |
Serial port 1 |
CN6 |
|
Turbo LED |
C1/pins 6 & 7 |
Parallel port |
CN7 |
|
Green PC connector |
C1/pins 8 & 9 |
USB connector 2 |
CN8 |
|
Green PC LED |
C1/pins 10 & 11 |
USB connector 1 |
CN9 |
|
Speaker |
C1/pins 12 - 15 |
PS/2 mouse port |
CN10 |
|
IDE interface LED |
C1/pins 16 & 17 |
IDE interface 2 |
CN11 |
|
Soft off power supply |
C1/pins 18 & 19 |
Floppy drive interface |
CN12 |
|
Reset switch |
C1/pins 20 & 21 |
IDE interface 1 |
CN13 |
|
Audio in – CD-ROM |
CD |
CPU fan power |
CPU |
|
Chassis fan power |
CHS |
IR connector |
IR1 |
|
Game/MIDI port |
CN1 |
32-bit PCI slots |
PC1 – PC2 |
|
Microphone in |
CN2 |
Remote wake up connector |
RWU3 |
|
Line in |
CN3 |
SB link connector |
SB |
|
USER CONFIGURABLE SETTINGS | |||
|
Function |
Label |
Position | |
|
» |
CMOS memory normal operation |
CMOS |
Pins 2 & 3 closed |
|
CMOS memory clear |
CMOS |
Pins 1 & 2 closed | |
|
» |
Password normal operation |
CPW |
Open |
|
Password clear |
CPW |
Closed | |
|
DIMM CONFIGURATION | ||
|
Size |
Bank 0 |
Bank 1 |
|
8MB |
(1) 1M x 64 |
None |
|
16MB |
(1) 2M x 64 |
None |
|
16MB |
(1) 1M x 64 |
(1) 1M x 64 |
|
24MB |
(1) 2M x 64 |
(1) 1M x 64 |
|
32MB |
(1) 4M x 64 |
None |
|
32MB |
(1) 2M x 64 |
(1) 2M x 64 |
|
40MB |
(1) 4M x 64 |
(1) 1M x 64 |
|
48MB |
(1) 4M x 64 |
(1) 2M x 64 |
|
64MB |
(1) 8M x 64 |
None |
|
64MB |
(1) 4M x 64 |
(1) 4M x 64 |
|
72MB |
(1) 8M x 64 |
(1) 1M x 64 |
|
80MB |
(1) 8M x 64 |
(1) 2M x 64 |
|
DIMM CONFIGURATION (CON’T) | ||
|
Size |
Bank 0 |
Bank 1 |
|
96MB |
(1) 8M x 64 |
(1) 4M x 64 |
|
128MB |
(1) 16M x 64 |
None |
|
128MB |
(1) 8M x 64 |
(1) 8M x 64 |
|
136MB |
(1) 16M x 64 |
(1) 1M x 64 |
|
144MB |
(1) 16M x 64 |
(1) 2M x 64 |
|
160MB |
(1) 16M x 64 |
(1) 4M x 64 |
|
192MB |
(1) 16M x 64 |
(1) 8M x 64 |
|
256MB |
(1) 16M x 64 |
(1) 16M x 64 |
|
Note: Board accepts EDO & SDRAM memory. | ||
|
CACHE CONFIGURATION |
|
Note: 256KB/512KB cache is located on the Pentium II CPU. |
|
CPU SPEED SELECTION | |||
|
CPU speed |
Clock speed |
Multiplier |
FREQ |
|
233MHz |
66MHz |
3.5x |
5 & 6, 7 & 8 |
|
266MHz |
66MHz |
4x |
1 & 2, 3 & 4, 7 & 8 |
|
300MHz |
66MHz |
4.5x |
3 & 4, 7 & 8 |
|
333MHz |
66MHz |
5x |
1 & 2, 7 & 8 |
|
Note: Pins designated should be in the closed position. | |||
|
FLASH BIOS SELECTION | ||
|
Type |
EP1 |
EP2 |
|
Intel 28F001 |
Pins 2 & 3 closed |
Pins 1 & 2 closed |
|
MXIC 28F1000 |
Pins 2 & 3 closed |
Pins 1 & 2 closed |
|
SST 29EE010 |
Pins 1 & 2 closed |
Pins 1 & 2 closed |
|
ATMEL AT29C010 |
Pins 1 & 2 closed |
Pins 1 & 2 closed |
|
MXIC 28F2000 |
Pins 2 & 3 closed |
Pins 2 & 3 closed |
|
SST 29EE020 |
Pins 1 & 2 closed |
Pins 2 & 3 closed |
|
ATMEL AT29C020 |
Pins 1 & 2 closed |
Pins 2 & 3 closed |
|
AMD 28F020 |
Pins 1 & 2 closed |
Pins 2 & 3 closed |