EFA CORPORATION
P6KFX-ATX
|
Processor |
Pentium II |
|
Processor Speed |
200/233/266/300MHz |
|
Chip Set |
Intel |
|
Video Chip Set |
None |
|
Maximum Onboard Memory |
384MB (EDO supported) |
|
Maximum Video Memory |
None |
|
Cache |
256/512KB (located on Pentium II CPU) |
|
BIOS |
Award |
|
Dimensions |
305mm x 220mm |
|
I/O Options |
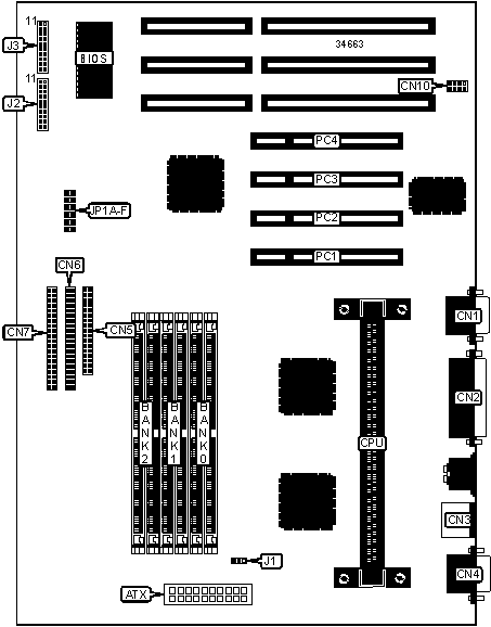
32-bit PCI slots (4), floppy drive interface, IDE interfaces (2), parallel port, PS/2 mouse port, serial ports (2), IR connector, ATX power connector |
|
NPU Options |
None |
|
CONNECTIONS | |||
|
Purpose |
Location |
Purpose |
Location |
|
ATX power connector |
ATX |
Power LED & keylock |
J2/pins 1 - 5 |
|
Serial port 2 |
CN1 |
Speaker |
J2/pins 11 - 14 |
|
Parallel port |
CN2 |
IDE interface LED |
J2/pins 8 & 18 |
|
PS/2 mouse port |
CN3 |
Reset switch |
J2/pins 9 & 19 |
|
Serial port 1 |
CN4 |
External battery |
J3/pins 1 - 4 |
|
Floppy drive interface |
CN5 |
IR connector |
J3/pins 11 - 16 |
|
IDE interface 2 |
CN6 |
Soft off power supply |
J3/pins 19 & 20 |
|
IDE interface 1 |
CN7 |
32-bit PCI slots |
PC1 – PC4 |
|
CPU fan power |
J1 | ||
|
USER CONFIGURABLE SETTINGS | |||
|
Function |
Label |
Position | |
|
» |
Factory configured - do not alter |
CN10 |
Unidentified |
|
» |
CMOS memory normal operation |
J3 |
Pins 5 & 6 closed |
|
CMOS memory clear |
J3 |
Pins 6 & 7 closed | |
|
SIMM CONFIGURATION | |||
|
Size |
Bank 0 |
Bank 1 |
Bank 2 |
|
8MB |
(2) 1M x 36 |
None |
None |
|
16MB |
(2) 1M x 36 |
(2) 1M x 36 |
None |
|
16MB |
(2) 2M x 36 |
None |
None |
|
24MB |
(2) 1M x 36 |
(2) 1M x 36 |
(2) 1M x 36 |
|
32MB |
(2) 2M x 36 |
(2) 2M x 36 |
None |
|
32MB |
(2) 4M x 36 |
None |
None |
|
48MB |
(2) 2M x 36 |
(2) 2M x 36 |
(2) 2M x 36 |
|
64MB |
(2) 4M x 36 |
(2) 4M x 36 |
None |
|
64MB |
(2) 8M x 36 |
None |
None |
|
96MB |
(2) 4M x 36 |
(2) 4M x 36 |
(2) 4M x 36 |
|
128MB |
(2) 8M x 36 |
(2) 8M x 36 |
None |
|
128MB |
(2) 16M x 36 |
None |
None |
|
192MB |
(2) 8M x 36 |
(2) 8M x 36 |
(2) 8M x 36 |
|
256MB |
(2) 16M x 36 |
(2) 16M x 36 |
None |
|
384MB |
(2) 16M x 36 |
(2) 16M x 36 |
(2) 16M x 36 |
|
Note: Board accepts EDO memory. Board also accepts x 32 SIMMs. | |||
|
CACHE CONFIGURATION |
|
Note: 256KB/512KB cache is located on the Pentium II CPU. |
|
CPU SPEED SELECTION | ||||||
|
Speed |
JP1A |
JP1B |
JP1C |
JP1D |
JP1E |
JP1F |
|
200MHz |
Open |
Closed |
Open |
Open |
Closed |
Open |
|
233MHz |
Open |
Closed |
Closed |
Open |
Closed |
Open |
|
266MHz |
Closed |
Open |
Open |
Open |
Closed |
Open |
|
300MHz |
Closed |
Open |
Closed |
Open |
Closed |
Open |