ELITEGROUP COMPUTER SYSTEMS, INC.

P5VX-A (VER 1.1 PCB 1.0)

Processor

Pentium

Processor Speed

75/90/100/120/133/150/166/200MHz

Chip Set

Intel

Video Chip Set

None

Maximum Onboard Memory

128MB (EDO supported)

Maximum Video Memory

None

Cache

256/512KB

BIOS

Unidentified

Dimensions

330mm x 218mm

I/O Options

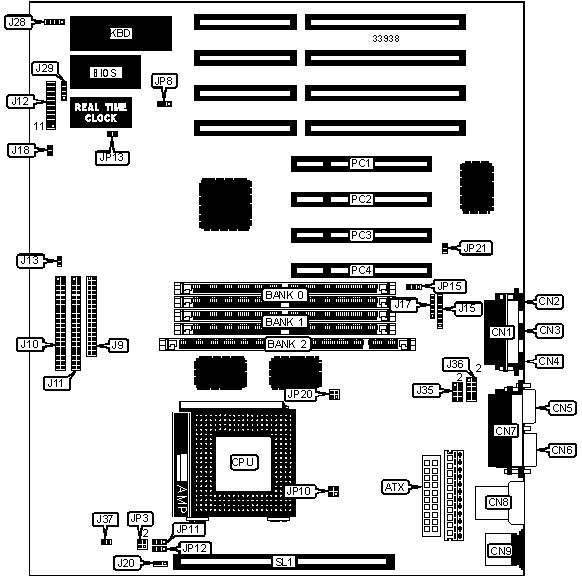
32-bit PCI slots (4), floppy drive interface, game port, green PC connector, IDE interfaces (2), parallel port, PS/2 mouse port, serial ports (2), cache slot, IR connectors (2), USB connectors (2), ATX power connector, microphone port, line in port, line out port, wavetable connector, modem/phone speaker connector, soft off power supply

NPU Options

None

CONNECTIONS

Purpose

Location

Purpose

Location

ATX power connector

ATX

Reset switch

J12 pins 9 & 10

Game port

CN1

Power LED & keylock

J12 pins 11 - 15

Microphone port

CN2

Speaker

J12 pins 17 - 20

Line in port

CN3

IDE interface LED

J13

Line out port

CN4

IR connector (fast)

J15

Serial port 1

CN5

IR connector

J17

Serial port 2

CN6

Green PC LED

J18

Parallel port

CN7

Chassis fan power

J20

USB connectors

CN8

CD-ROM connector

J28

PS/2 mouse port

CN9

Volume control connector

J29

Floppy drive interface

J9

Wavetable connector

J35

IDE interface 1

J10

Modem/phone speaker connector

J36

IDE interface 2

J11

Soft off power supply

J37

Power on LED

J12 pins 2 & 3

32-bit PCI slots

PC1 - PC4

Green PC connector

J12 pins 4 & 5

Cache slot

SL1

USER CONFIGURABLE SETTINGS

Function

Label

Position

»

Flash BIOS voltage select 5v

JP8

Pins 2 & 3 closed

 

Flash BIOS voltage select 12v

JP8

Pins 1 & 2 closed

»

CMOS memory normal operation

JP13

Open

 

CMOS memory clear

JP13

Closed

»

Super I/O enabled

JP15

Pins 1 & 2 closed

 

Super I/O disabled

JP15

Pins 2 & 3 closed

»

3D sound enabled

JP21

Closed

 

3D sound disabled

JP21

Open

DIMM/DRAM CONFIGURATION

Size

Bank 0

Bank 1

Bank 2

8MB

(2) 1M x 36

None

None

8MB

None

None

(1) 1M x 64

16MB

(2) 2M x 36

None

None

16MB

(2) 1M x 36

(2) 1M x 36

None

16MB

None

None

(1) 2M x 64

16MB

(2) 1M x 36

None

(1) 1M x 64

24MB

(2) 2M x 36

(2) 1M x 36

None

24MB

(2) 2M x 36

None

(1) 1M x 64

24MB

(2) 1M x 36

None

(1) 2M x 64

32MB

(2) 4M x 36

None

None

32MB

(2) 2M x 36

(2) 2M x 36

None

32MB

None

None

(1) 4M x 64

32MB

(2) 2M x 36

None

(1) 2M x 64

DIMM/DRAM CONFIGURATION (CON’T)

Size

Bank 0

Bank 1

Bank 2

40MB

(2) 4M x 36

(2) 1M x 36

None

40MB

(2) 4M x 36

None

(1) 1M x 64

40MB

(2) 1M x 36

None

(1) 4M x 64

48MB

(2) 4M x 36

(2) 2M x 36

None

48MB

(2) 4M x 36

None

(1) 2M x 64

48MB

(2) 2M x 36

None

(1) 4M x 64

64MB

(2) 8M x 36

None

None

64MB

(2) 4M x 36

(2) 4M x 36

None

64MB

None

None

(1) 8M x 64

64MB

(2) 4M x 36

None

(1) 4M x 64

72MB

(2) 8M x 36

(2) 1M x 36

None

72MB

(2) 8M x 36

None

(1) 1M x 64

72MB

(2) 1M x 36

None

(1) 8M x 64

80MB

(2) 8M x 36

(2) 2M x 36

None

80MB

(2) 8M x 36

None

(1) 2M x 64

80MB

(2) 2M x 36

None

(1) 8M x 64

96MB

(2) 8M x 36

(2) 4M x 36

None

96MB

(2) 4M x 36

None

(1) 8M x 64

96MB

(2) 8M x 36

None

(1) 4M x 64

128MB

(2) 8M x 36

(2) 8M x 36

None

128MB

(2) 8M x 36

None

(1) 8M x 64

Note: Board accepts EDO memory.

CACHE CONFIGURATION

Size

SL1

256KB

256KB module installed

512KB

512KB module installed

CPU SPEED SELECTION

CPU speed

Clock speed

Multiplier

JP3

JP11

JP12

75MHz (P54C)

50MHz

1.5x

Open

1 & 2

1 & 2

90MHz (P54C)

60MHz

1.5x

1 & 2

1 & 2

1 & 2

100MHz (P54C)

66MHz

1.5x

3 & 4

1 & 2

1 & 2

120MHz (P54C)

60MHz

2x

1 & 2

1 & 2

2 & 3

133MHz (P54C)

66MHz

2x

3 & 4

1 & 2

2 & 3

150MHz (P54C)

60MHz

2.5x

1 & 2

2 & 3

2 & 3

150MHz (P55C)

60MHz

2.5x

1 & 2

2 & 3

2 & 3

166MHz (P54C)

66MHz

2.5x

3 & 4

2 & 3

2 & 3

166MHz (P55C)

66MHz

2.5x

3 & 4

2 & 3

1 & 2

200MHz (P54C)

66MHz

3x

3 & 4

2 & 3

1 & 2

Note: Pins designated should be in the closed position.

CPU SPEED SELECTION (CON’T)

CPU speed

Clock speed

Multiplier

JP16

JP17

JP18

75MHz (P54C)

50MHz

1.5x

1 & 2

1 & 2

1 & 2

90MHz (P54C)

60MHz

1.5x

1 & 2

1 & 2

1 & 2

100MHz (P54C)

66MHz

1.5x

1 & 2

1 & 2

1 & 2

120MHz (P54C)

60MHz

2x

1 & 2

1 & 2

1 & 2

133MHz (P54C)

66MHz

2x

1 & 2

1 & 2

1 & 2

150MHz (P54C)

60MHz

2.5x

1 & 2

1 & 2

1 & 2

150MHz (P55C)

60MHz

2.5x

2 & 3

2 & 3

2 & 3

166MHz (P54C)

66MHz

2.5x

1 & 2

1 & 2

1 & 2

166MHz (P55C)

66MHz

2.5x

2 & 3

2 & 3

2 & 3

200MHz (P54C)

66MHz

3x

1 & 2

1 & 2

1 & 2

Note: Pins designated should be in the closed position. JP16, JP17 & JP18 may not be present on all boards. The location is unidentified.

CPU VOLTAGE SELECTION (P54C)

Voltage

JP10

 

3.3v

Pins 1 & 2 closed

»

3.525v

Pins 3 & 4 closed

CPU VOLTAGE SELECTION (P55C)

Voltage

JP20

2.5V

Pins 1 & 2 closed

2.8V

Pins 3 & 4 closed