DATAEXPERT CORPORATION

MEX8440-S

Device Type

Mainboard

Processor

Pentium II/Celeron

Processor Speed

233/266/300/333MHz

Chip Set

Intel 440EX

Maximum Onboard Memory

256MB (EDO & SDRAM supported)

Audio Chip Set

CMI 8330DX

Cache

0/128/256/512KB (located on the CPU)

BIOS

Award

Dimensions

305mm x 170mm

I/O Options

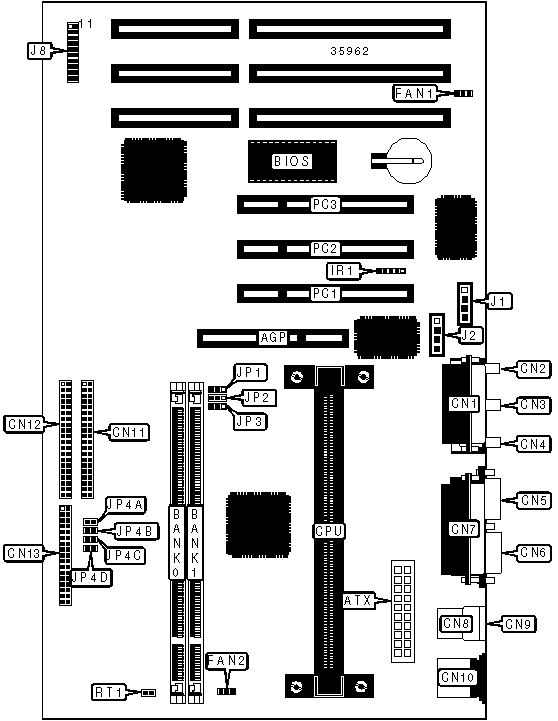
32-bit PCI slots (3), floppy drive interface, game/MIDI port, green PC connector, IDE interfaces (2), parallel port, PS/2 mouse port, serial ports (2), IR connector, USB connectors (2), ATX power connector, AGP slot, line in, line out, microphone in, audio in - CD-ROMs (2)

CONNECTIONS

Purpose

Location

Purpose

Location

AGP slot

AGP

Chassis fan power

FAN1

ATX power connector

ATX

CPU fan power

FAN2

Game/MIDI port

CN1

IR connector

IR1

Microphone in

CN2

Audio in - CD-ROM

J1

Line in

CN3

Audio in - CD-ROM

J2

Line out

CN4

Power LED & keylock

J8/pins 1 - 5

Serial port 2

CN5

IDE interface LED

J8/pins 6 & 16

Serial port 1

CN6

Green PC LED

J8/pins 7 & 17

Parallel port

CN7

Green PC connector

J8/pins 8 & 18

USB connector 1

CN8

Soft off power supply

J8/pins 9 & 19

USB connector 2

CN9

Reset switch

J8/pins 10 & 20

PS/2 mouse port

CN10

Speaker

J8/pins 11 - 14

IDE interface 2

CN11

Thermistor connector

RT1

IDE interface 1

CN12

32-bit PCI slots

PC1 - PC3

Floppy drive interface

CN13

5v power

 

DIMM CONFIGURATION

Size

Bank 0

Bank 1

8MB

(1) 1M x 64

None

16MB

(1) 2M x 64

None

16MB

(1) 1M x 64

(1) 1M x 64

24MB

(1) 2M x 64

(1) 1M x 64

32MB

(1) 4M x 64

None

32MB

(1) 2M x 64

(1) 2M x 64

40MB

(1) 4M x 64

(1) 1M x 64

48MB

(1) 4M x 64

(1) 2M x 64

64MB

(1) 8M x 64

None

64MB

(1) 4M x 64

(1) 4M x 64

72MB

(1) 8M x 64

(1) 1M x 64

80MB

(1) 8M x 64

(1) 2M x 64

96MB

(1) 8M x 64

(1) 4M x 64

128MB

(1) 16M x 64

None

128MB

(1) 8M x 64

(1) 8M x 64

136MB

(1) 16M x 64

(1) 1M x 64

144MB

(1) 16M x 64

(1) 2M x 64

160MB

(1) 16M x 64

(1) 4M x 64

192MB

(1) 16M x 64

(1) 8M x 64

256MB

(1) 16M x 64

(1) 16M x 64

Note: Board accepts EDO & SDRAM memory.

CACHE CONFIGURATION

Note: 256KB/512KB cache is located on the Pentium II CPU. 128KB cache is located on the Celeron 300A & 333 CPU.

CPU SPEED SELECTION

CPU speed

Clock speed

Multiplier

JP1

JP2

JP3

233MHz

66MHz

3.5x

2 & 3

2 & 3

2 & 3

266MHz

66MHz

4x

2 & 3

2 & 3

2 & 3

300MHz

66MHz

4.5x

2 & 3

2 & 3

2 & 3

333MHz

66MHz

5x

2 & 3

2 & 3

2 & 3

Note: Pins designated should be in the closed position.

CPU SPEED SELECTION (CON'T)

CPU speed

Clock speed

Multiplier

JP4A

JP4B

JP4C

JP4D

233MHz

66MHz

3.5x

Open

Open

Closed

Open

266MHz

66MHz

4x

Closed

Closed

Open

Closed

300MHz

66MHz

4.5x

Open

Closed

Open

Closed

333MHz

66MHz

5x

Closed

Open

Open

Closed