COMPULINK RESEARCH, INC.

INFINITY PT2-DAX

Device Type

Mainboard

Processor

Pentium II

Processor Speed

233/266/300/333/366MHz

Chip Set

Intel 440LX

Audio Chip Set

Unidentified

Maximum Onboard Memory

384MB (EDO & SDRAM supported)

Maximum Audio Memory

Unidentified

Cache

256/512KB (located on the Pentium II CPU)

BIOS

Intel/Phoenix

Dimensions

330mm x 218mm

I/O Options

32-bit PCI slots (4), floppy drive interface, game/MIDI port, IDE interfaces (2), parallel port, PS/2 mouse port, serial ports (2), IR connector, USB connectors (2), ATX power connector, AGP slot, line in, line out, microphone in, wavetable connector, audio in - CD-ROMs (2)

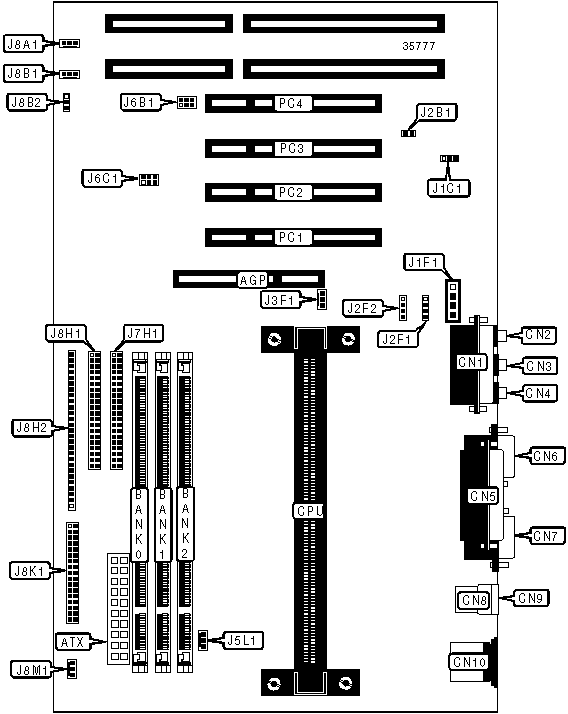
CONNECTIONS

Purpose

Location

Purpose

Location

AGP slot

AGP

Chassis fan power

J3F1

ATX power connector

ATX

CPU fan power

J5L1

Game/MIDI port

CN1

Wavetable connector

J6B1

Microphone in

CN2

IDE interface 2

J7H1

Line in

CN3

Wake on ring header

J8A1

Line out

CN4

SCSI LED

J8B1

Parallel port

CN5

IDE interface 1

J8H1

Serial port 2

CN6

Power switch

J8H2/pins 1 & 2

Serial port 1

CN7

Green PC connector

J8H2/Pins 3 & 4

USB connector 2

CN8

IR connector

J8H2/Pins 6 - 11

USB connector 1

CN9

IDE interface LED

J8H2/Pins 13 - 16

PS/2 mouse port

CN10

Power LED

J8H2/Pins 18 - 21

Wake on LAN connector

J1C1

Reset switch

J8H2/Pins 22 & 23

Audio in - CD-ROM

J1F1

Speaker

J8H2/Pins 24 - 27

Chassis Security Header

J2B1

Floppy drive interface

J8K1

ATAPI telephony connector

J2F1

Chassis fan power

J8M1

Line in

J2F2

32-bit PCI slots

PC1 - PC4

USER CONFIGURABLE SETTINGS

Function

Label

Position

»

CMOS memory normal operation

J8B2

Pins 1 & 2 closed

 

CMOS memory clear

J8B2

Pins 2 & 3 closed

 

BIOS recovery mode

J8B2

Open

DIMM CONFIGURATION (NEEDING 256MB)

Size

Bank 0

Bank 1

Bank 2

8MB

(1) 1MB x 64

 

 

16MB

(1) 1MB x 64

(1) 1MB x 64

 

24MB

(1) 1MB x 64

(1) 1MB x 64

(1) 1MB x 64

16MB

(1) 2MB x 64

 

 

32MB

(1) 2MB x 64

(1) 2MB x 64

 

48MB

(1) 2MB x 64

(1) 2MB x 64

(1) 2MB x 64

32MB

(1) 4MB x 64

 

 

64MB

(1) 4MB x 64

(1) 4MB x 64

 

96MB

(1) 4MB x 64

(1) 4MB x 64

(1) 4MB x 64

64MB

(1) 8MB x 64

 

 

128MB

(1) 8MB x 64

(1) 8MB x 64

 

192MB

(1) 8MB x 64

(1) 8MB x 64

(1) 8MB x 64

128MB

(1) 16MB x 64

 

 

256MB

(1) 16MB x 64

(1) 16MB x 64

 

384MB

(1) 16MB x 64

(1) 16MB x 64

(1) 16MB x 64

40MB

(1) 2MB x 64

(1) 2MB x 64

(1) 1MB x 64

80MB

(1) 4MB x 64

(1) 4MB x 64

(1) 2MB x 64

160MB

(1) 8MB x 64

(1) 8MB x 64

(1) 4MB x 64

320MB

(1) 16MB x 64

(1) 16MB x 64

(1) 8MB x 64

CACHE CONFIGURATION

Note: The 256/512KB cache is located on the Pentium II CPU.