COMPAQ COMPUTER CORPORATION

PROLIANT 6000

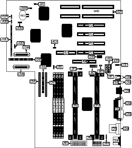
Device Type

Mainboard

Processor

Pentium Pro

Processor Speed

200MHz

Chip Set

Unidentified

Video Chip Set

Unidentified

Maximum Onboard Memory

4096MB (EDO supported)

Maximum Video Memory

Unidentified

Cache

512KB (located on Pentium Pro CPU)

BIOS

Unidentified

Dimensions

305mm x 244mm

I/O Options

32-bit PCI slots (9), riser slot, VRM connectors (4)

NPU Options

None

CONNECTIONS

Purpose

Location

Purpose

Location

VRM connectors

VRM1 – VRM4

Riser slot

SL1

Note: The types of all other connectors are unidentified.

USER CONFIGURABLE SETTINGS

Function

Label

Position

»

Factory configured - do not alter

SW7

Unidentified

»

Factory configured - do not alter

SW9

Unidentified

DIMM CONFIGURATION

Size

Bank 0

Bank 1

Bank 2

Bank 3

64MB

(4) 2M x 64

None

None

None

128MB

(4) 2M x 64

(4) 2M x 64

None

None

128MB

(4) 4M x 64

None

None

None

192MB

(4) 2M x 64

(4) 2M x 64

(4) 2M x 64

None

256MB

(4) 2M x 64

(4) 2M x 64

(4) 2M x 64

(4) 2M x 64

256MB

(4) 4M x 64

(4) 4M x 64

None

None

256MB

(4) 8M x 64

None

None

None

384MB

(4) 4M x 64

(4) 4M x 64

(4) 4M x 64

None

512MB

(4) 4M x 64

(4) 4M x 64

(4) 4M x 64

(4) 4M x 64

512MB

(4) 8M x 64

(4) 8M x 64

None

None

768MB

(4) 8M x 64

(4) 8M x 64

(4) 8M x 64

None

1024MB

(4) 8M x 64

(4) 8M x 64

(4) 8M x 64

(4) 8M x 64

1024MB

(4) 32M x 64

None

None

None

2048MB

(4) 32M x 64

(4) 32M x 64

None

None

3072MB

(4) 32M x 64

(4) 32M x 64

(4) 32M x 64

None

4096MB

(4) 32M x 64

(4) 32M x 64

(4) 32M x 64

(4) 32M x 64

Note: Board accepts EDO memory.

CACHE CONFIGURATION

Note: 512KB cache is located on the Pentium Pro CPU.

CPU BUS CLOCK FREQUENCY SELECTION

CPU speed

Clock speed

Multiplier

SW6/1

SW6/2

SW6/3

200MHz

66MHz

3x

Off

On

On

CPU SPEED SELECTION

CPU speed

Clock speed

Multiplier

SW1/1

SW1/2

SW1/3

SW1/4

200MHz

66MHz

3x

On

On

Off

On

CPU SPEED SELECTION (CON’T)

CPU speed

Clock speed

Multiplier

SW2/1

SW2/2

SW2/3

SW2/4

200MHz

66MHz

3x

On

On

Off

On

CPU SPEED SELECTION (CON’T)

CPU speed

Clock speed

Multiplier

SW3/1

SW3/2

SW3/3

SW3/4

200MHz

66MHz

3x

On

On

Off

On

CPU SPEED SELECTION (CON’T)

CPU speed

Clock speed

Multiplier

SW4/1

SW4/2

SW4/3

SW4/4

200MHz

66MHz

3x

On

On

Off

On

CONNECTIONS

Purpose

Location

32-bit PCI slots

PC1 – PC9

Note: The types of all other connectors are unidentified.

USER CONFIGURABLE SETTINGS

Function

Label

Position

»

On board video enabled

SW1/1

Off

 

On board video disabled

SW1/1

On

»

Factory configured - do not alter

SW1/2

Off

»

System setup as a tower configuration

SW1/3

Off

 

System setup as a rack configuration

SW1/3

On

»

Boot from floppy enabled

SW1/4

Off

 

Boot from floppy disabled

SW1/4

On

»

Password normal operation

SW1/5

Off

 

Password clear

SW1/5

On

»

CMOS memory normal operation

SW1/6

Off

 

CMOS memory clear

SW1/6

On