DELL COMPUTER CORPORATION

WORKSTATION 400

Processor

Pentium II

Processor Speed

266/300MHz

Chip Set

Intel

Video Chip Set

None

Maximum Onboard Memory

512MB (EDO supported)

Maximum Video Memory

None

Cache

512KB (located on Pentium II CPU)

BIOS

Unidentified

Dimensions

305mm x 244mm

I/O Options

Ethernet connector, floppy drive interface, IDE interfaces (2), parallel port, PS/2 mouse port, serial ports (2), riser slot, USB connectors (2), line in, line out, microphone in, ATX power connector, audio in – CD-ROM

NPU Options

None

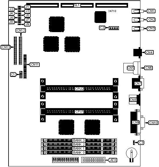
CONNECTIONS

Purpose

Location

Purpose

Location

ATX power connector

ATX

USB connector 2

CN6

Front panel connector

C1

Serial port 2

CN7

Audio in – CD-ROM

C2

PS/2 mouse port

CN8

Chassis fan power

C3

Parallel port

CN9

Line in

CN1

Serial port 1

CN10

Line out

CN2

Floppy drive interface

CN11

Microphone in

CN3

IDE interface 2

CN12

Ethernet connector

CN4

IDE interface 1

CN13

USB connector 1

CN5

Riser slot

SL1

USER CONFIGURABLE SETTINGS

Function

Label

Position

 

Case type select mini tower

J1

Closed

 

Case type select midsize

J1

Open

»

Factory configured - do not alter

J2

Open

»

Factory configured - do not alter

J3

Open

»

Factory configured - do not alter

J4

Open

»

Factory configured - do not alter

J7

Open

»

Factory configured - do not alter

J8

Open

»

Password enabled

J9

Closed

 

Password disabled

J9

Open

DIMM CONFIGURATION

Size

Bank 0

Bank 1

Bank 2

Bank 3

8MB

(1) 1M x 64

None

None

None

16MB

(1) 2M x 64

None

None

None

16MB

(1) 1M x 64

(1) 1M x 64

None

None

24MB

(1) 2M x 64

(1) 1M x 64

None

None

24MB

(1) 1M x 64

(1) 1M x 64

(1) 1M x 64

None

32MB

(1) 4M x 64

None

None

None

32MB

(1) 2M x 64

(1) 2M x 64

None

None

32MB

(1) 1M x 64

(1) 1M x 64

(1) 1M x 64

(1) 1M x 64

40MB

(1) 4M x 64

(1) 1M x 64

None

None

48MB

(1) 4M x 64

(1) 2M x 64

None

None

48MB

(1) 2M x 64

(1) 2M x 64

(1) 2M x 64

None

64MB

(1) 8M x 64

None

None

None

64MB

(1) 4M x 64

(1) 4M x 64

None

None

64MB

(1) 2M x 64

(1) 2M x 64

(1) 2M x 64

(1) 2M x 64

72MB

(1) 8M x 64

(1) 1M x 64

None

None

80MB

(1) 8M x 64

(1) 2M x 64

None

None

96MB

(1) 8M x 64

(1) 4M x 64

None

None

96MB

(1) 4M x 64

(1) 4M x 64

(1) 4M x 64

None

DIMM CONFIGURATION (CON’T)

Size

Bank 0

Bank 1

Bank 2

Bank 3

128MB

(1) 16M x 64

None

None

None

128MB

(1) 8M x 64

(1) 8M x 64

None

None

128MB

(1) 4M x 64

(1) 4M x 64

(1) 4M x 64

(1) 4M x 64

136MB

(1) 16M x 64

(1) 1M x 64

None

None

144MB

(1) 16M x 64

(1) 2M x 64

None

None

160MB

(1) 16M x 64

(1) 4M x 64

None

None

192MB

(1) 16M x 64

(1) 8M x 64

None

None

192MB

(1) 8M x 64

(1) 8M x 64

(1) 8M x 64

None

256MB

(1) 8M x 64

(1) 8M x 64

(1) 8M x 64

(1) 8M x 64

256MB

(1) 16M x 64

(1) 16M x 64

None

None

384MB

(1) 16M x 64

(1) 16M x 64

(1) 16M x 64

None

512MB

(1) 16M x 64

(1) 16M x 64

(1) 16M x 64

(1) 16M x 64

Note: Board accepts EDO memory.

CACHE CONFIGURATION

Note: 256KB/512KB cache is located on the Pentium II CPU.

CPU SPEED SELECTION

CPU speed

Clock speed

Multiplier

J5

J6

266MHz

66MHz

4x

Open

Closed

300MHz

66MHz

4.5x

Closed

Open