DELL COMPUTER CORPORATION

POWEREDGE 4100, 6100

Processor

Pentium Pro

Processor Speed

200MHz

Chip Set

Intel

Video Chip Set

Cirrus Logic

Maximum Onboard Memory

2GB (EDO supported)

Maximum Video Memory

1MB

Cache

512KB (located on Pentium Pro CPU)

BIOS

AMI

Dimensions

355mm x 304mm

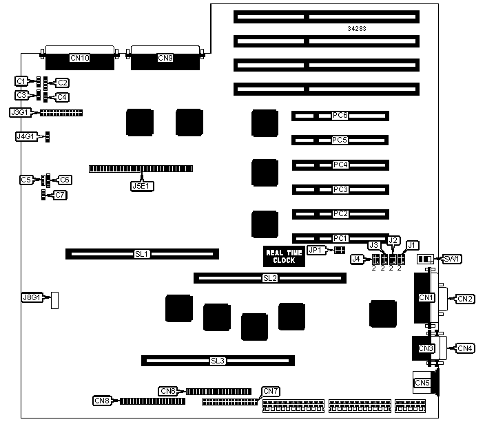
I/O Options

External memory card, 32-bit PCI slots (6), floppy drive interface, IDE interface, Ultra-Wide SCSI ports (2), parallel port, PS/2 mouse port, serial ports (2), VGA feature connector, VGA port, CPU slots (2), Server Management connector

NPU Options

None

CONNECTIONS

Purpose

Location

Purpose

Location

Chassis fan power 4

C1

PS/2 mouse port

CN5

IDE interface LED 2

C2

IDE interface

CN6

Chassis fan power 3

C3

Floppy drive interface

CN7

I2C connector

C4

Front panel connector

CN8

Chassis fan power 2

C5

Ultra-Wide SCSI port 2

CN9

IDE interface LED 1

C6

Ultra-Wide SCSI port 1

CN10

Chassis fan power 1

C7

Server Management connector

J3G1

Parallel port

CN1

32-bit PCI slots

PC1 – PC6

VGA port

CN2

CPU slot 1

SL1

Serial port

CN3

CPU slot 2

SL2

Serial port

CN4

External memory card

SL3

USER CONFIGURABLE SETTINGS

Function

Label

Position

»

Flash BIOS normal operation

J1

Pins 1 & 3 closed

 

Flash BIOS recovery mode

J1

Pins 3 & 5 closed

»

Factory configured - do not alter

J1

Pins 2 & 4 closed

»

Flash BIOS write protect disabled

J2

Pins 3 & 5 closed

 

Flash BIOS write protect enabled

J2

Pins 1 & 3 closed

 

Floppy drive 0 enabled

J2

Pins 2 & 4 closed

 

Floppy drive 0 disabled

J2

Pins 4 & 6 closed

 

Floppy drive 1 enabled

J3

Pins 1 & 3 closed

 

Floppy drive 1 disabled

J3

Pins 3 & 5 closed

»

Video sleep register select 03C3H

J3

Pins 2 & 4 closed

 

Video sleep register select 46E8H

J3

Pins 4 & 6 closed

»

RTC power supply enabled

J4

Pins 1 & 3 closed

 

RTC power supply disabled

J4

Pins 3 & 5 closed

»

Factory configured - do not alter

J4

Pins 2, 4, 6 open

»

Factory configured - do not alter

J4G1

Unidentified

»

Factory configured - do not alter

J5E1

Unidentified

»

Factory configured - do not alter

J8G1

Unidentified

»

Factory configured - do not alter

JP1

Unidentified

»

CMOS memory normal operation

SW1/1

Off

 

CMOS memory clear

SW1/1

On

»

Password normal operation

SW1/2

Off

 

Password clear

SW1/2

On

»

Factory configured - do not alter

SW1/3

Off

CACHE CONFIGURATION

Note: 512KB cache is located on the Pentium Pro CPU.

VIDEO MEMORY CONFIGURATION

Note: Board is factory installed with 1MB video memory and is not configurable.

DRAM CONFIGURATION

Size

Bank 0

Bank 1

Bank 2

Bank 3

64MB

(4) 4M x 36

None

None

None

128MB

(4) 8M x 36

None

None

None

128MB

(4) 4M x 36

(4) 4M x 36

None

None

256MB

(4) 16M x 36

None

None

None

256MB

(4) 8M x 36

(4) 8M x 36

None

None

256MB

(4) 4M x 36

(4) 4M x 36

(4) 4M x 36

(4) 4M x 36

384MB

(4) 8M x 36

(4) 8M x 36

(4) 4M x 36

(4) 4M x 36

512MB

(4) 32M x 36

None

None

None

512MB

(4) 16M x 36

(4) 16M x 36

None

None

512MB

(4) 8M x 36

(4) 8M x 36

(4) 8M x 36

(4) 8M x 36

640MB

(4) 16M x 36

(4) 16M x 36

(4) 4M x 36

(4) 4M x 36

768MB

(4) 16M x 36

(4) 16M x 36

(4) 8M x 36

(4) 8M x 36

1024MB

(4) 32M x 36

(4) 32M x 36

None

None

DRAM CONFIGURATION (CON’T)

Size

Bank 0

Bank 1

Bank 2

Bank 3

1024MB

(4) 16M x 36

(4) 16M x 36

(4) 16M x 36

(4) 16M x 36

1152MB

(4) 32M x 36

(4) 32M x 36

(4) 4M x 36

(4) 4M x 36

1280MB

(4) 32M x 36

(4) 32M x 36

(4) 8M x 36

(4) 8M x 36

1536MB

(4) 32M x 36

(4) 32M x 36

(4) 16M x 36

(4) 16M x 36

2048MB

(4) 32M x 36

(4) 32M x 36

(4) 32M x 36

(4) 32M x 36

USER CONFIGURABLE SETTINGS

Function

Label

Position

 

CPU installed in top socket

J101

Pins 2 & 3 closed

 

CPU not installed in top socket

J101

Pins 1 & 2 closed

»

Factory configured - do not alter

J102

Unidentified

 

CPU installed in bottom socket

J106

Pins 2 & 3 closed

 

CPU not installed in bottom socket

J106

Pins 1 & 2 closed

»

Factory configured - do not alter

J107

Unidentified

CPU SPEED SELECTION

CPU speed

Clock speed

Multiplier

J105

200MHz

66MHz

3x

Pins 1 & 2, 5 & 6, 7 & 8 closed