ADVANCED INTEGRATION RESEARCH, INC.

P6LXI (REV. 2.0)

Device Type

Mainboard

Processor

Pentium II

Processor Speed

233/266/300/333MHz

Chip Set

Intel

Video Chip Set

None

Maximum Onboard Memory

1GB (EDO & SDRAM supported)

Maximum Video Memory

None

Cache

512KB (located on Pentium II CPU)

BIOS

Award

Dimensions

305mm x 244mm

I/O Options

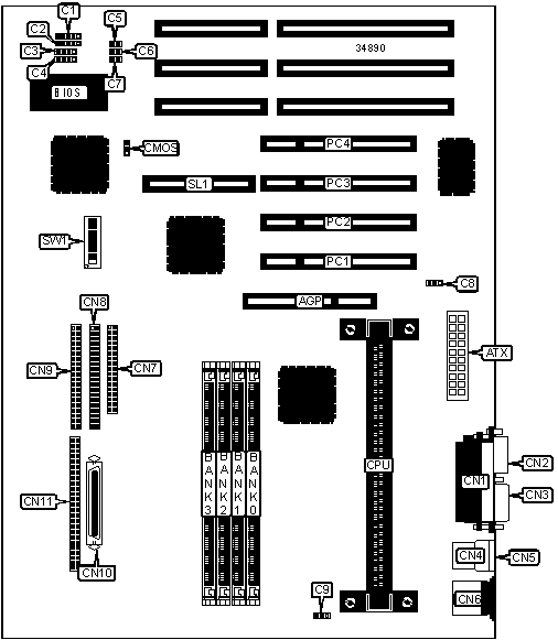
32-bit PCI slots (4), floppy drive interface, green PC connector, IDE interfaces (2), SCSI interface, Wide Ultra SCSI interface, parallel port, PS/2 mouse port, serial ports (2), IR connector, USB connectors (2), ATX power connector, AGP slot, RAID slot

NPU Options

None

CONNECTIONS

Purpose

Location

Purpose

Location

AGP slot

AGP

Serial port 2

CN2

ATX power connector

ATX

Serial port 1

CN3

Power LED & keylock

C1

USB connector 1

CN4

IR connector

C2

USB connector 2

CN5

IDE interface LED

C3

PS/2 mouse port

CN6

Speaker

C4

Floppy drive interface

CN7

Reset switch

C5

IDE interface 2

CN8

Green PC connector

C6

IDE interface 1

CN9

Soft off power supply

C7

Ultra Wide SCSI interface

CN10

Chassis fan power

C8

SCSI interface

CN11

Chassis fan power

C9

32-bit PCI slots

PC1 - PC4

Parallel port

CN1

RAID slot

SL1

USER CONFIGURABLE SETTINGS

Function

Label

Position

»

CMOS memory normal operation

CMOS

Pins 2 & 3 closed

 

CMOS memory clear

CMOS

Pins 1 & 2 closed

»

Factory configured - do not alter

SW1/7

Unidentified

 

Termination enabled

SW1/8

On

 

Termination disabled

SW1/8

Off

DIMM CONFIGURATION

Size

Bank 0

Bank 1

Bank 2

Bank 3

8MB

(1) 1M x 64

None

None

None

16MB

(1) 2M x 64

None

None

None

16MB

(1) 1M x 64

(1) 1M x 64

None

None

24MB

(1) 2M x 64

(1) 1M x 64

None

None

24MB

(1) 1M x 64

(1) 1M x 64

(1) 1M x 64

None

32MB

(1) 4M x 64

None

None

None

32MB

(1) 2M x 64

(1) 2M x 64

None

None

32MB

(1) 1M x 64

(1) 1M x 64

(1) 1M x 64

(1) 1M x 64

40MB

(1) 4M x 64

(1) 1M x 64

None

None

48MB

(1) 4M x 64

(1) 2M x 64

None

None

48MB

(1) 2M x 64

(1) 2M x 64

(1) 2M x 64

None

64MB

(1) 2M x 64

(1) 2M x 64

(1) 2M x 64

(1) 2M x 64

64MB

(1) 8M x 64

None

None

None

64MB

(1) 4M x 64

(1) 4M x 64

None

None

DIMM CONFIGURATION (CON'T)

Size

Bank 0

Bank 1

Bank 2

Bank 3

72MB

(1) 8M x 64

(1) 1M x 64

None

None

80MB

(1) 8M x 64

(1) 2M x 64

None

None

96MB

(1) 8M x 64

(1) 4M x 64

None

None

96MB

(1) 4M x 64

(1) 4M x 64

(1) 4M x 64

None

128MB

(1) 16M x 64

None

None

None

128MB

(1) 8M x 64

(1) 8M x 64

None

None

128MB

(1) 4M x 64

(1) 4M x 64

(1) 4M x 64

(1) 4M x 64

136MB

(1) 16M x 64

(1) 1M x 64

None

None

144MB

(1) 16M x 64

(1) 2M x 64

None

None

152MB

(1) 16M x 64

(1) 1M x 64

(1) 1M x 64

(1) 1M x 64

160MB

(1) 16M x 64

(1) 4M x 64

None

None

176MB

(1) 16M x 64

(1) 2M x 64

(1) 2M x 64

(1) 2M x 64

192MB

(1) 16M x 64

(1) 8M x 64

None

None

192MB

(1) 8M x 64

(1) 8M x 64

(1) 8M x 64

None

224MB

(1) 16M x 64

(1) 4M x 64

(1) 4M x 64

(1) 4M x 64

256MB

(1) 32M x 64

None

None

None

256MB

(1) 16M x 64

(1) 16M x 64

None

None

256MB

(1) 8M x 64

(1) 8M x 64

(1) 8M x 64

(1) 8M x 64

272MB

(1) 16M x 64

(1) 16M x 64

(1) 1M x 64

(1) 1M x 64

280MB

(1) 32M x 64

(1) 1M x 64

(1) 1M x 64

(1) 1M x 64

288MB

(1) 16M x 64

(1) 16M x 64

(1) 2M x 64

(1) 2M x 64

304MB

(1) 32M x 64

(1) 2M x 64

(1) 2M x 64

(1) 2M x 64

320MB

(1) 16M x 64

(1) 16M x 64

(1) 4M x 64

(1) 4M x 64

320MB

(1) 16M x 64

(1) 8M x 64

(1) 8M x 64

(1) 8M x 64

352MB

(1) 32M x 64

(1) 4M x 64

(1) 4M x 64

(1) 4M x 64

384MB

(1) 16M x 64

(1) 16M x 64

(1) 16M x 64

None

448MB

(1) 32M x 64

(1) 8M x 64

(1) 8M x 64

(1) 8M x 64

512MB

(1) 32M x 64

(1) 32M x 64

None

None

512MB

(1) 16M x 64

(1) 16M x 64

(1) 16M x 64

(1) 16M x 64

640MB

(1) 32M x 64

(1) 16M x 64

(1) 16M x 64

(1) 16M x 64

768MB

(1) 32M x 64

(1) 32M x 64

(1) 32M x 64

None

1024MB

(1) 32M x 64

(1) 32M x 64

(1) 32M x 64

(1) 32M x 64

Note: Board accepts EDO & SDRAM memory. Maximum SDRAM is 512MB. Maximum EDO is 1GB.

CACHE CONFIGURATION

Note: 512KB cache is located on the Pentium II CPU.

CPU SPEED SELECTION

CPU speed

Clock speed

Multiplier

SW1/1

SW1/2

SW1/3

SW1/4

SW1/5

SW1/6

233MHz

66MHz

3.5x

Off

Off

Off

Off

On

On

266MHz

66MHz

4x

Off

Off

On

On

Off

On

300MHz

66MHz

4.5x

Off

Off

Off

On

Off

On

333MHz

66MHz

5x

Off

Off

On

Off

Off

On