TOPTEK MULTIMEDIA, INC.

GOLDEN SOUND CD-ROM 3-IN-1 (VER. 3.01)

Card Type

Sound card/CD-ROM

Chipset Controller

TMC

I/O Options

Sound in, sound out, CD-ROM interfaces (3), CD-ROM audio (3)

Maximum DRAM

N/A

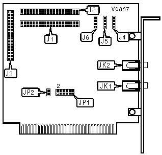
CONNECTIONS

Purpose

Location

Purpose

Location

Panasonic CDROM interface

J1

CD audio in

J5

Mitsumi CDROM interface

J2

CD audio in

J6

Sony CDROM interface

J3

Line out

JK1

CD audio in

J4

Line in

JK2

MITSUMI CD-ROM INTERFACE INTERRUPT SELECTION

IRQ

JP1 (pins 7 & 8)

JP1 (pins 9 & 10)

JP1 (pins 11 & 12)

3

Closed

Open

Open

4

Open

Closed

Open

5

Open

Open

Closed

CD-ROM INTERFACE ADDRESS SELECTION

Sony address

Mitsumi address

Panasonic address

JP2

320h

300h

310h

Closed

360h

340h

350h

Open

DMA SELECTION

DMA

JP1

1

Pins 1 & 3, 2 & 4 closed

3

Pins 3 & 5, 4 & 6 closed

CD-ROM AUDIO INTERFACE PIN-OUT TABLE

Connector

Diagram

J4

J5

J6