PROMISE TECHNOLOGY, INCORPORATED

3D WEBSOUND

Card Type

Sound card

Chip Set

Unidentified

I/O Options

Game/MIDI port, wavetable, CD - audio in (2), MPEG - audio in, speaker/line out (2), line in, microphone in

Data Bus

16-bit ISA

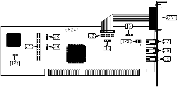
CONNECTIONS

Function

Label

Function

Label

Game/MIDI port - external

CN1

Audio in (MPEG)

J5

Wavetable

J1

Speaker/line out - internal

J6

Game/MIDI port - internal

J2

Speaker/line out - external

J7

CD - Audio in

J3

Line in

J8

CD - Audio in

J4

Microphone in

J9

USER CONFIGURABLE SETTINGS

Function

Label

Position

 

Factory configured - Do Not Alter

JP1

Unidentified

»

Speaker out

JP2

Pins 3 & 5, 4 & 6 closed

 

Line out

JP2

Pins 1 & 3, 2 & 4 closed