J-MARK COMPUTER CORPORATION
J-MED1931B
|
Card Type |
Sound card |
|
Chip Set |
Opti |
|
I/O Options |
CD-ROM interface, game port |
|
Data Bus |
16-bit ISA |
|
Card Size |
Half-length, half-height |
|
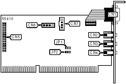
CONNECTIONS | |||
|
Function |
Label |
Function |
Label |
|
Game/MIDI port |
CN1 |
Wave table connector |
CN5 |
|
Line/speaker out |
CN2 |
Audio in - CD-ROM |
CN6 |
|
Line in |
CN3 |
Audio in - CD-ROM |
CN7 |
|
Microphone in |
CN4 | ||
|
USER CONFIGURABLE SETTINGS | |||
|
Function |
JP1 |
JP2 | |
| » |
Speaker out via CN2 |
Pins 1 & 2 closed |
Pins 1 & 2 closed |
|
Line out via CN2 |
Pins 2 & 3 closed |
Pins 2 & 3 closed | |