KOUWELL ELECTRONIC CORPORATION

KM-514

Card Type

Multi-I/O card

Chip Set

Unidentified

Maximum Onboard Memory

448KB DRAM

I/O Options

Game/MIDI port, parallel port, serial ports (2)

Data Bus

32-bit EISA

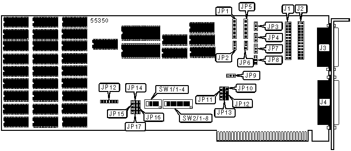
CONNECTIONS

Function

Label

Function

Label

Serial port 1 connector

J1

Game/MIDI port

J3

Serial port 2 connector

J2

Parallel port

J4

USER CONFIGURABLE SETTINGS

Function

Label

Setting

Game port enabled

SW2/4

On

Game port disabled

SW2/4

Off

Parallel port enabled

SW2/5

On

Parallel port disabled

SW2/5

Off

Clock/calendar enabled

SW2/6

On

Clock/calendar disabled

SW2/6

Off

Serial port ASYNC 2 enabled

SW2/7

On

Serial port ASYNC 2 disabled

SW2/7

Off

Serial port ASYNC 1 enabled

SW2/8

On

Serial port ASYNC 1 disabled

SW2/8

Off

SERIAL PORT 1 DTE COMMUNICATION SELECTION

Function

Label

Position

TXD, RXD normal

JP1

Pins 2 & 3, 4 & 5 closed

TXD, RXD exchanged in ASYNC 1

JP1

Pins 1 & 2, 3 & 4 closed

RTS, CTS normal

JP2

Pins 2 & 3 closed

RTS, CTS combined in ASYNC 1

JP2

Pins 1 & 2 closed

DSR, DTR normal

JP3

Pins 2 & 3 closed

DSR, DTR combined in ASYNC 1

JP3

Pins 1 & 2 closed

DCD, DTR normal

JP4

Pins 2 & 3 closed

DCD, DTR combined in ASYNC 1

JP4

Pins 1 & 2 closed

Note: To alter jumper connections, remove conductive traces with a sharp knife, and solder on new traces.

SERIAL PORT 2 DTE COMMUNICATION SELECTION

Function

Label

Position

TXD, RXD normal

JP5

Pins 2 & 3, 4 & 5 closed

TXD, RXD exchanged in ASYNC 2

JP5

Pins 1 & 2, 3 & 4 closed

RTS, CTS normal

JP6

Pins 2 & 3 closed

RTS, CTS combined in ASYNC 2

JP6

Pins 1 & 2 closed

DSR, DTR normal

JP7

Pins 2 & 3 closed

DSR, DTR combined in ASYNC 2

JP7

Pins 1 & 2 closed

DCD, DTR normal

JP8

Pins 2 & 3 closed

DCD, DTR combined in ASYNC 2

JP8

Pins 1 & 2 closed

Note: To alter jumper connections, remove conductive traces with a sharp knife, and solder on new traces.

SERIAL PORT 1 INTERRUPT SELECTION

IRQ

JP10

JP11

JP12

JP13

 

2

Pins 1 & 2 closed

Open

Open

Open

 

3

Open

Pins 1 & 2 closed

Open

Open

»

4

Open

Open

Pins 1 & 2 closed

Open

 

5

Open

Open

Open

Pins 1 & 2 closed

SERIAL PORT 2 INTERRUPT SELECTION

IRQ

JP10

JP11

JP12

JP13

 

2

Pins 2 & 3 closed

Open

Open

Open

»

3

Open

Pins 2 & 3 closed

Open

Open

 

4

Open

Open

Pins 2 & 3 closed

Open

 

5

Open

Open

Open

Pins 2 & 3 closed

SERIAL PORT 1 ADDRESS SELECTION

Setting

JP14

JP15

JP16

JP17

COM1 (3F8h)

Open

Open

Open

Pins 2 & 3 closed

COM2 (2F8h)

Open

Open

Pins 2 & 3 closed

Open

COM3 (1F8h)

Open

Pins 2 & 3 closed

Open

Open

COM4 (0F8h)

Pins 2 & 3 closed

Open

Open

Open

SERIAL PORT 2 ADDRESS SELECTION

Setting

JP14

JP15

JP16

JP17

COM1 (3F8h)

Open

Open

Open

Pins 1 & 2 closed

COM2 (2F8h)

Open

Open

Pins 1 & 2 closed

Open

COM3 (1F8h)

Open

Pins 1 & 2 closed

Open

Open

COM4 (0F8h)

Pins 1 & 2 closed

Open

Open

Open

PARALLEL PORT MODE SELECTION

Function

Label

Setting

I/O mode

JP9

Pins 2 & 3 closed

Printer mode

JP9

Pins 1 & 2 closed

PARALLEL PORT I/O ADDRESS SELECTION

Address

JP12

278h

Pins 5 & 6 closed

378h

Pins 4 & 5 closed

RAM CAPACITY SELECTION

Size

SW1/1

SW1/2

SW1/3

SW1/4

 

0KB

Off

Off

Off

On

 

64KB

On

Off

Off

On

 

128KB

Off

On

Off

On

 

192KB

On

On

Off

On

 

256KB

Off

Off

On

On

 

320KB

On

Off

On

On

»

384KB

On

On

On

On

STARTING ADDRESS SELECTION

Address

SW2/1

SW2/2

SW2/3

 

0K

Off

Off

Off

 

64K

On

Off

Off

»

128K

Off

On

Off

 

192K

On

On

Off

 

256K

Off

Off

On

 

320K

On

Off

On

 

384K

Off

On

On

 

448K

On

On

On

NOTE: The starting address at 0K disables the memory.