LEADING EDGE PRODUCTS, INC.

G8

Card Type

Multi-I/O/Video card

Chip Set

Unidentified

Maximum Onboard Memory

Unidentified

I/O Options

Light pen connector, game port, parallel port, serial port (RS-232),

mouse port

Video Types Supported

Monochrome

Highest Resolution

640 x 400

Data Bus

8-bit ISA

Card Size

Half-length

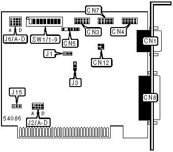
CONNECTIONS

Function

Label

Function

Label

9-pin serial port

CN1

Game port

CN7

Mouse port

CN3

Parallel port

CN8

PAL connector

CN4

Composite video out

CN12

Light pen connector

CN5

   

USER CONFIGURABLE SETTINGS

Function

Label

Position

»

Composite color display

J1

Pins 1 & 2 closed

 

Composite monochrome display

J1

Pins 2 & 3 closed

»

Composite/RGB/TTL monochrome display/PAL/Color emulation display

J3

Pins 1 & 2 closed

 

640 x 400 display

J3

Pins 2 & 3 closed

»

Printer port 1

J15

Pins 1& 2 closed

 

Printer port 2

J15

Pins 2 & 3 closed

»

Mouse disabled

SW1/6

Off

 

Mouse enabled

SW1/6

On

»

Printer port enabled

SW1/7

On

 

Printer port disabled

SW1/7

Off

»

Game controller port enabled

SW1/8

On

 

Game controller port disabled

SW1/8

Off

MONITOR CONFIGURATION SELECTION

Display setting

SW1/1

SW1/2

SW1/2

SW1/4

SW1/5

SW1/9

 

Composite color graphics

On

On

Off

Off

On

Off

 

Composite monochrome graphics

On

On

Off

On

Off

Off

 

PAL TV

On

On

Off

On

On

Off

»

RGB color graphics

On

On

On

Off

On

Off

 

TTL monochrome graphics

Off

On

On

On

On

Off

 

640 x 400

Off

Off

On

On

Off

Off

 

Color emulation

Off

On

Off

Off

Off

Off

MOUSE PORT INTERRUPT SELECTION

IRQ

J2/A

J2/B

J2/C

J2/D

J6/A

J6/B

J6/C

J6/D

 

IRQ2

Closed

Open

Open

Open

Pins 1 & 2

Open

Open

Open

»

IRQ3

Open

Closed

Open

Open

Open

Pins 1 & 2

Open

Open

 

IRQ4

Open

Open

Closed

Open

Open

Open

Pins 1 & 2

Open

 

IRQ5

Open

Open

Open

Closed

Open

Open

Open

Pins 1 & 2

Note: Identified pins are in the closed position. To use the mouse J2 & J6 must be set to the same IRQ.