IOTECH, INC.

WBK21

Card Type

Multi-I/O

Chipset

Texas Instruments

I/O Options

Parallel port, serial port

Data Bus

16-bit ISA

Card Size

Full height, half length

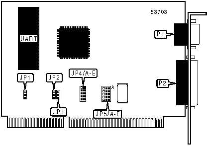
CONNECTIONS

Function

Label

Function

Label

Serial port

CN1

Parallel port

CN2

USER CONFIGURABLE SETTINGS

Setting

Label

Position

»

Parallel port address is LPT1:

JP1

Pins 1 & 2 closed

 

Parallel port address is LPT2:

JP1

Pins 2 & 3 closed

»

Parallel port enabled

JP2

Pins 1 & 2 closed

 

Parallel port disabled

JP2

Pins 2 & 3 closed

»

Serial port enabled

JP3

Pins 1 & 2 closed

 

Serial port disabled

JP3

Pins 2 & 3 closed

SERIAL PORT ADDRESS SELECTION

Setting

JP4/A

JP4/B

JP4/C

JP4/D

JP4/E

»

3F8h (COM1:)

Closed

Closed

Open

Open

Open

 

2F8h (COM2:)

Open

Closed

Closed

Open

Open

 

3E8h (COM3:)

Open

Open

Closed

Closed

Open

 

2E8h (COM4:)

Open

Open

Open

Closed

Closed

SERIAL PORT INTERRUPT SELECTION

Setting

JP5/A

JP5/B

JP5/C

JP5/D

JP5/E

 

2

Pins 1 & 2

Open

Open

Open

Open

 

3

Open

Pins 1 & 2

Open

Open

Open

»

4

Open

Open

Pins 1 & 2

Open

Open

 

5

Open

Open

Open

Pins 1 & 2

Open

 

7

Open

Open

Open

Open

Pins 1 & 2

Note:Pins designated are in the closed position.

PARALLEL PORT INTERRUPT SELECTION

Setting

JP5/A

JP5/B

JP5/C

JP5/D

JP5/E

 

2

Pins 2 & 3

Open

Open

Open

Open

 

3

Open

Pins 2 & 3

Open

Open

Open

 

4

Open

Open

Pins 2 & 3

Open

Open

 

5

Open

Open

Open

Pins 2 & 3

Open

»

7

Open

Open

Open

Open

Pins 2 & 3

Note:Pins designated are in the closed position.