DIGI INTERNATIONAL, INC.

MC/4I+, MC/8I+ (RS-422/485 VERSION)

Card Type

Serial

Processor

80C186

Processor Speed

Unidentified

Chipset

Unidentified

Maximum Onboard Memory

256KB dual-ported RAM

I/O Options

Serial ports (5 for MC/4i+, 9 for MC/8i+)

Data Bus

MCA

Card Size

Full height, full length

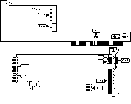
CONNECTIONS

Function

Label

Function

Label

RS-422 or RS-485 asynchronous serial ports via DB-78 connector

CN1

Header to H2B

H2A

RS-422 or RS-485 synchronous serial port via RJ-45 connector

CN2

Header to H2A

H2B

Header to H1B

H1A

Header to H3B

H3A

Header to H1A

H1B

Header to H3A

H3B

Note:Standard serial ports are provided on an included adapter cable.

USER CONFIGURABLE SETTINGS

Setting

Label

Position

»

Shared memory window is 32KB

JP1

Pins 2 & 3 closed

 

Shared memory window is 128KB

JP1

Pins 1 & 2 closed

EPROM SIZE SELECTION

Setting

J5

J6

16KB

Pins 1 & 2 closed

Pins 1 & 2 closed

32KB

Pins 1 & 2 closed

Pins 1 & 2 closed

64KB

Pins 1 & 2 closed

Pins 2 & 3 closed

128KB

Pins 2 & 3 closed

Pins 2 & 3 closed

SYNCHRONOUS PORT PINS 1 & 2 CONFIGURATION

Pin 1

Pin 2

J1

CTS positive

CTS negative

Pins 1 & 2 closed

Receive/transmit clock positive

Receive/transmit clock negative

Pins 2 & 3 closed

SYNCHRONOUS PORT PINS 9 & 10 CONFIGURATION

Pin 9

Pin 10

J2

RTS positive

RTS negative

Pins 1 & 2 closed

Transmit/receive clock positive

Transmit/receive clock negative

Pins 2 & 3 closed