CREATIVE LABS, INC.

SOUND & CD-ROM CARD

Card Type

Sound card

Chipset Controller

Unidentified

I/O Options

CD-ROM audio (2), CD-ROM interface (3), game/MIDI port, line in, microphone in, speaker out, volume

Maximum DRAM

N/A

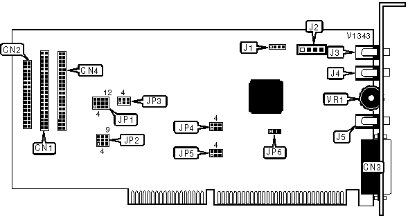
CONNECTIONS

Purpose

Location

Purpose

Location

Panasonic CD-ROM interface

CN1

Panasonic/Mitsumi CD - audio in

J2

Sony CD-ROM interface

CN2

Mic in

J3

Game/MIDI port

CN3

Line in

J4

Mitsumi CD-ROM interface

CN4

Speaker out

J5

Sony CD - audio in

J1

Volume

VR1

INTERRUPT SELECTION

IRQ

JP1

»

7

Pins 10 & 11 Closed

 

2/9

Pins 1 & 2 closed

 

3

Pins 4 & 5 closed

 

5

Pins 7 & 8 closed

BASE I/O ADDRESS SELECTION

Address

JP2

»

320h

Pins 2 & 3, 4 & 5, 8 & 9 closed

 

330h

Pins 1 & 2, 4 & 5, 8 & 9 closed

 

340h

Pins 2 & 3, 5 & 6, 7 & 8 closed

 

360h

Pins 2 & 3, 4 & 5, 7 & 8 closed

SOUND I/O PORT ADDRESS SELECTION

Address

JP3

»

220h

Pins 3 & 5, 4 & 6 closed

 

240h

Pins 1 & 3, 2 & 4 closed

DMA CHANNEL SELECTION

Channel

JP4

JP5

»

DMA1

Pins 1 & 3 closed

Pins 1 & 3 closed

 

DMA3

Pins 2 & 4 closed

Pins 2 & 4 closed

GAME PORT CONFIGURATION

Setting

JP6

»

Enabled

Pins 1 & 2 closed

 

Disabled

Pins 2 & 3 closed