UNIDENTIFIED
SUN-5230
|
|
Data bus: 8-bit, ISA
Size: Half-length, full-height card
Hard drives supported: Up to seven SCSI devices
Floppy drives supported: None
|
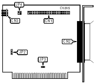
CONNECTIONS | |
|
50-pin SCSI connector-internal |
CN1 |
|
25-pin SCSI connector-external |
CN2 |
|
4-pin connector-drive active LED |
CN3 |
|
USER CONFIGURABLE SETTINGS | |||
|
Function |
Location |
Setting | |
| » |
Interrupt Request is IRQ3 |
JP2 |
pins 1 & 2 closed |
|
Interrupt Request is IRQ5 |
JP2 |
pins 2 & 3 closed | |
| » |
Zero Wait State enabled |
JP3 |
open |
|
Zero Wait State disabled |
JP3 |
closed | |
|
BIOS ADDRESS | |||
|
Address |
JP4 |
JP4A | |
| » |
CA00h |
open |
open |
|
C800h |
closed |
open | |
|
CE00h |
open |
open | |
|
DE00h |
closed |
closed | |
|
MISCELLANEOUS TECHNICAL NOTES |
|
This controller has no on-board software. |