JUKO LABORATORIES, LTD.
D16-X
|
Q1 /93 |
Data bus: 8-bit, ISA
Size: Half-length, full-height card
Hard drives supported: One IDE (AT/XT) Interface drive
Floppy drives supported: None
|
CONNECTIONS | |
|
Function |
Location |
|
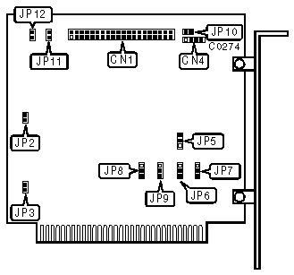
40-pin IDE (AT/XT) Interface connector |
CN1 |
|
4-pin connector-drive active LED |
CN4 |
|
USER CONFIGURABLE SETTINGS | |||
|
Function |
Location |
Setting | |
| » |
IDE (AT) Interface drive supported |
JP2 |
open |
|
IDE (XT) Interface drive supported |
JP2 |
closed | |
| » |
Hard drive controller enabled |
JP3 |
closed |
|
Hard drive controller disabled |
JP3 |
open | |
| » |
ALE/Control signal timing option 1 |
JP5 |
pins 1 & 2 closed |
|
ALE/Control signal timing option 2 |
JP5 |
pins 2 & 3 closed | |
| » |
PDIAG (Pass Diagnostics) deselected |
JP10 |
open |
|
PDIAG (Pass Diagnostics) selected |
JP10 |
closed | |
| » |
ALE (Address Latch Enable) deselected |
JP11 |
open |
|
ALE (Address Latch Enable) selected |
JP11 |
closed | |
| » |
AEN (Address Enable) deselected |
JP12 |
open |
|
AEN (Address Enable) selected |
JP12 |
closed | |
|
BIOS ADDRESS | |||
|
Address |
JP6 |
JP7 | |
| » |
C800h |
pins 2 & 3 closed |
pins 2 & 3 closed |
|
CA00h |
pins 1 & 2 closed |
pins 2 & 3 closed | |
|
CC00h |
pins 2 & 3 closed |
pins 1 & 2 closed | |
|
CE00h |
pins 1 & 2 closed |
pins 1 & 2 closed | |
|
BIOS EPROM CONFIGURATION SETTINGS | |||
|
Chip and Memory Bank |
JP8 |
JP9 | |
|
2764 |
pins 2 & 3 closed |
pins 1 & 2 closed | |
| » |
27256 - 0000-1FFFh |
pins 2 & 3 closed |
pins 2 & 3 closed |
|
27256 - 2000-3FFFh |
pins 1 & 2 closed |
pins 2 & 3 closed | |
|
27256 - 4000-5FFFh |
pins 2 & 3 closed |
pins 1 & 2 closed | |
|
27256 - 6000-7FFFh |
pins 1 & 2 closed |
pins 1 & 2 closed | |
|
DRIVE TYPE TABLE | |||||||
|
# |
Heads |
Cyli |
Capacity |
# |
Heads |
Cylinder |
Capacity |
|
1 |
4 |
306 |
10 |
24 |
5 |
977 |
40 |
|
2 |
4 |
615 |
20 |
25 |
9 |
1024 |
76 |
|
3 |
6 |
615 |
30 |
26 |
7 |
1224 |
71 |
|
4 |
8 |
940 |
62 |
27 |
11 |
1224 |
111 |
|
5 |
6 |
940 |
46 |
28 |
15 |
1224 |
152 |
|
6 |
4 |
615 |
20 |
29 |
8 |
1024 |
68 |
|
7 |
8 |
462 |
30 |
30 |
11 |
1024 |
93 |
|
8 |
5 |
733 |
30 |
31 |
11 |
918 |
83 |
|
9 |
15 |
900 |
112 |
32 |
9 |
925 |
69 |
|
10 |
3 |
820 |
20 |
33 |
10 |
1024 |
85 |
|
11 |
5 |
855 |
35 |
34 |
12 |
1024 |
102 |
|
12 |
7 |
855 |
49 |
35 |
13 |
1024 |
110 |
|
13 |
8 |
306 |
20 |
36 |
14 |
1024 |
119 |
|
14 |
7 |
733 |
42 |
37 |
2 |
1024 |
17 |
|
15 |
Reserved |
38 |
16 |
1024 |
136 | ||
|
16 |
4 |
612 |
20 |
39 |
15 |
918 |
114 |
|
17 |
5 |
977 |
40 |
40 |
6 |
820 |
40 |
|
18 |
7 |
977 |
56 |
41 |
5 |
1024 |
42 |
|
19 |
7 |
1024 |
59 |
42 |
5 |
981 |
40 |
|
20 |
5 |
733 |
30 |
43 |
10 |
981 |
81 |
|
21 |
7 |
733 |
42 |
44 |
8 |
615 |
40 |
|
22 |
5 |
733 |
30 |
45 |
10 |
963 |
80 |
|
23 |
4 |
306 |
10 |
46 |
16 |
753 |
100 |