ADAPTEC, INC.

ACB-2072

Data bus:

8-bit, ISA

Size:

Half-length, full-height card

Hard drives supported:

Two RLL ST506 drives

Floppy drives supported:

None

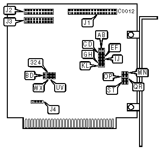
CONNECTIONS

Function

Location

34-pin control cable connector-hard drive

J1

20-pin data cable connector-drive 0

J2

20-pin data cable connector-drive 1

J3

4-pin connector-DC power

J4

USER CONFIGURABLE SETTINGS

Function

Location

Setting

»

BIOS enabled

BD

open

 

BIOS disabled

BD

closed

»

I/O port address is 320h

324

open

 

I/O port address is 324h

324

closed

»

Drive 0 is defined with Jumpers MN & OP

AB

open

 

Drive 0 is a Syquest drive

AB

closed

»

Drive 1 is defined with Jumpers QR & ST

CD

open

 

Drive 1 is a Syquest drive

CD

closed

»

Factory configured - do not alter

EF

open

»

Factory configured - do not alter

GH

open

»

Factory configured - do not alter

IJ

open

»

Normal Operation

KL

open

 

Self-diagnostics enabled

KL

closed

BIOS ADDRESS

Select

Jumper WX

Jumper UV

»

C800h

open

open

 

CA00h

open

closed

 

F800h

closed

open

 

CC00h

closed

closed

BIOS DRIVE TYPE TABLE

Table #

Hds

Cyls

RLL Cap.

Jumper MN Drive 0

Jumper QR- Drive 1

Jumper OP- Drive 0

Jumper ST- Drive 1

0
4

612

32.74MB

closed

closed

1
2

612

16.29MB

closed

open

2
5

981

65.29MB

open

closed

3
4

615

32.58MB

open

open